电脑桌面
添加小米粒文库到电脑桌面
安装后可以在桌面快捷访问

某地区房地产市场分析管理知识规划VIP免费

某地区房地产市场分析管理知识规划_第1页
1/15
某地区房地产市场分析管理知识规划_第2页
2/15
某地区房地产市场分析管理知识规划_第3页
3/15
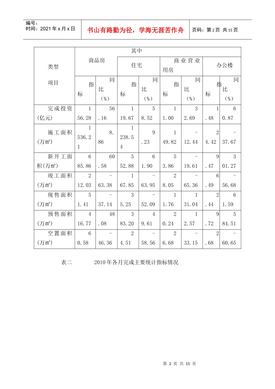
第1页共15页编号:时间:2021年x月x日书山有路勤为径,学海无涯苦作舟页码:第1页共15页2010年山东淄博市房地产市场开发运行情况分析2010年,全市房地产开发市场总体保持了快速、健康发展势头,完成投资、新开工面积、销售面积均创历史新高。受持续的国家调控政策及市场自身调整影响,商品住宅销售价格出现一定幅度波动,但总体呈现上涨态势。一、市场运行基本情况(一)房地产开发情况。2010年,全市房地产开发市场完成投资156.28亿元,同比增长56.16%,其中商品住宅完成投资119.67亿元,同比增长58.52%;商品房施工面积1536.21万㎡,同比增长8.84%;商品房新开工面积685.86万㎡,同比增长60.58%,其中商品住宅新开工面积552.88万㎡,同比增长61.90%;商品房竣工面积212.03万㎡,同比下降63.38%。房地产开发项目竣工综合验收备案面积222.75万㎡,同比增长15.64%;竣工商品房空置(待售)面积60.58万㎡,同比下降46.36%。(二)商品房销售情况。2010年,全市商品房总销售面积468.18万㎡,同比增长28.89%。其中,商品住宅销售面积402.3万㎡,占总销售面积的85.93%,同比增长22.02%,商品房销售以住宅为主;商品房预售面积416.77万㎡,占总销售面积的89.02%,同比增长62.71%,商品房销售仍以预售为主。商品住宅预售均价3447元/㎡,同比增长18.45%。表一2010年全市房地产开发市场主要统计指标情况第2页共15页第1页共15页编号:时间:2021年x月x日书山有路勤为径,学海无涯苦作舟页码:第2页共15页表二2010年各月完成主要统计指标情况类型项目商品房其中住宅商业营业用房办公楼指标同比(%)指标同比(%)指标同比(%)指标同比(%)完成投资(亿元)156.2856.16119.6758.5211.0032.691.4860.87施工面积(万㎡)1536.218.861238.549.23149.82-12.4424.42-37.67新开工面积(万㎡)685.8660.58552.8861.9053.86-19.619.47301.27竣工面积(万㎡)212.03-63.38167.85-63.9528.05-65.366.49-56.68现售面积(万㎡)51.41-37.1435.25-52.0911.76131.042.4461.59预售面积(万㎡)416.7748.08383.2049.6120.2412.579.72584.51空置面积(万㎡)60.58-46.3624.51-58.5626.68-33.152.68-60.65第3页共15页第2页共15页编号:时间:2021年x月x日书山有路勤为径,学海无涯苦作舟页码:第3页共15页主要指标月份完成投资新开工面积预售面积商品住宅预售均价(亿元)环比(%)(万㎡)环比(%)(万㎡)环比(%)元/㎡环比(%)2010.017.10-40.7819.45-62.2328.02-47.5332974.042010.024.45-37.3220.987.8728.341.1434273.942010.0314.74231.2451.22144.1422.85-19.373024-11.762010.045.57-62.2147.63-7.0125.089.76368221.762010.0511.57107.7268.5243.8629.3817.153563-3.232010.0612.175.19124.5081.7034.6317.873100-12.992010.079.70-20.3033.61-73.0026.65-23.0432735.582010.0812.5128.97102.98206.4026.04-2.2933863.452010.0922.3178.3426.99-73.7930.0015.2136939.072010.1011.36-49.0858.62117.1945.5551.8337802.362010.1122.81100.7978.6734.2047.794.923416-9.632010.1221.993.5952.70-33.0172.4451.5835734.60合计156.28-685.86-416.77-3447-第4页共15页第3页共15页编号:时间:2021年x月x日书山有路勤为径,学海无涯苦作舟页码:第4页共15页(三)企业本年资金来源情况。2010年,全市房地产开发企业本年资金来源220.21亿元,同期完成投资156.28亿元,表明企业资金链较为宽松。其中通过银行和非银行金融机构获得贷款27.10亿元,占12.31%,说明受国家宏观调控政策影响,企业通过银行获得信贷资金较少;自筹资金37.24亿元,占16.91%;其他资金(主要包括商品房销售定金、预收款以及个人按揭贷款)155.86亿元,所占比重最高,达到70.78%,企业通过销售回笼资金较为顺畅,也是目前企业资金来源的最重要渠道。(四)中心城区及其它区县房地产开发经营情况。2010年,中心城区完成投资73.31亿元、新开工面积336.27万㎡、商品房预售面积226.34万㎡,分别占到全市总量的46.91%、49.03%、54.31%,依然占据市场主导地位。完成投资各区县均有较大幅度增长,其中临淄区、桓台县同比分别增长104.26%、103.96%,增幅较大;新开...

1、当您付费下载文档后,您只拥有了使用权限,并不意味着购买了版权,文档只能用于自身使用,不得用于其他商业用途(如 [转卖]进行直接盈利或[编辑后售卖]进行间接盈利)。
2、本站所有内容均由合作方或网友上传,本站不对文档的完整性、权威性及其观点立场正确性做任何保证或承诺!文档内容仅供研究参考,付费前请自行鉴别。
3、如文档内容存在违规,或者侵犯商业秘密、侵犯著作权等,请点击“违规举报”。

碎片内容

某地区房地产市场分析管理知识规划

确认删除?
VIP
微信客服
  • 扫码咨询
会员Q群
  • 会员专属群点击这里加入QQ群
客服邮箱
回到顶部