电脑桌面
添加小米粒文库到电脑桌面
安装后可以在桌面快捷访问

高压旋喷桩试桩施工方案VIP免费

高压旋喷桩试桩施工方案_第1页
1/9
高压旋喷桩试桩施工方案_第2页
2/9
高压旋喷桩试桩施工方案_第3页
3/9
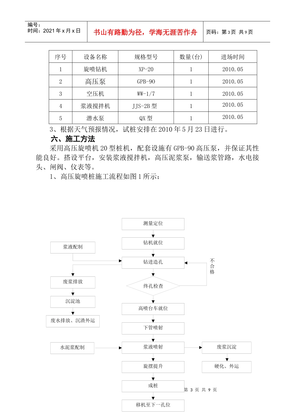
第1页共9页编号:时间:2021年x月x日书山有路勤为径,学海无涯苦作舟页码:第1页共9页高压旋喷桩试桩施工方案一、工程概况(1)设计范围:DK492+165~DK492+328.223=D3K492+000~D3K492+130,长293.223,旋喷桩桩径0.5m,桩间距1.4m,采用正三角形布置,桩长6~15m,桩顶铺设0.6m碎石垫层夹两层双向土工格栅,此段高压旋喷共有3549根,40358延米。(2)本段属剥蚀平原阶地地貌,地表高程210~230m,最大高差2~10m,地形平坦开阔,地表多为水田、旱地、果园,植被发育,本段有村庄分布,有乡村便道经过,交通方便。(3)本段地层构成自上而下依次为:1、粉质黏土;2、粗圆砾土;3、卵石土;4、洞穴填充物:软塑—流塑状的粉质粘土;5、灰岩。(4)本段地表水主要为河水、水田水,水量较大,主要受大气降水、灌溉渠水补给,地表水较充足。二、试桩地点试桩地点选在D3K492+040~D3K492+080段路基,靠近乡村便道,交通便利,原地面已经开挖至控制标高,并进行平整,使其满足施工机械进场施工条件。试桩根数2根,桩位具体布置见“DK492+165~D3K492+130旋喷桩平面布置示意图”。三、试桩目的为了更科学的指导施工,控制旋喷桩施工质量,在正式施工前,现场进行成桩试验,其目的是:1、验证配合比;2、掌握下钻、提升的困难程度;3、确定浆液比重;4、确定旋喷管的转速、提升速度、注浆喷射压力、浆液流量等施工参数;拟采用的参数:水灰比1:1,配合比为每方:水泥800Kg,粉煤灰:200Kg,水:800Kg,土:400Kg。水配置好的浆液应均匀,不得离析。施工工艺参数选取:浆液压力大于20MPa,浆液流量40~90L/min,提升速度25~40cm/min,旋转速度20r/min。四、施工准备(1)原地面清理、整平,铲除地下障碍物,当地表过软时,应有采第2页共9页第1页共9页编号:时间:2021年x月x日书山有路勤为径,学海无涯苦作舟页码:第2页共9页取防止机械失稳的措施,应考虑操作作业面设备的稳定性,并采取安全防护措施。原地面应高出旋喷桩顶0.5m,挖好排浆沟,设置回浆池,浆液回收处理,防止污染环境。(2)架设电线杆,从峻山坪双线大桥0号台附近的变压器将施工用电引至施工现场,做好配电箱及漏电保护器。(3)将P.O42.5普通硅酸盐水泥、粉煤灰运至施工现场,用彩条布覆盖严实;按水泥进场批次检查水泥的品种、级别、出厂日期、外观检查是否受潮结块,同时检查水泥出厂检测报告,按规范要求取样送检。(4)将旋喷钻机、高压泵运至施工现场,安装到位,进行试运转,确保状态良好,运转正常,设备试转满足下列要求:①钻机(旋喷管)转速、提升速度符合设计规定值,误差在10%以内。②设备工作电压、电流稳定,电压保持在380V±15V,电流不超过额定值。③输、注浆液管路、水管路畅通,无渗漏,闸阀使用正常,压力、流量等仪表显示正常。④高压泥浆电机达到设定转速,能保持设定泵压,泵压误差在±2MPa以内,浆液排放量符合设施流量。⑤制、贮浆液设备的制备浆液能力满足注浆要求。⑥设备运转平稳,操作人员配合默契。五、施工安排1、施工组织机构及人员配备情况项目部将在此区间配备项目部架子队管理人员2名,并配备工班长、技术人员及现场施工人员10名,物资、设备均配有专人负责,。主要管理人员一览表序号姓名职称职务1赵伟工程师项目部工程部副部长2宋贺工程师项目部技术员3周海生工程师工区总工4任建春工程师工区经理2、主要机具、设备一览表主要机具、设备一览表第3页共9页第2页共9页不合格测量定位钻机就位钻进造孔高喷台车就位下管喷射浆液喷射旋摆提升成桩移机至下一孔位废浆沉淀硬化、外运终孔检查浆液配制水泥浆配制废浆排放沉淀池废水排放、沉渣外运编号:时间:2021年x月x日书山有路勤为径,学海无涯苦作舟页码:第3页共9页序号设备名称规格型号数量(台)进场时间1旋喷钻机XP-2012010.052高压泵GPB-9O12010.053空压机WW-1/712010.054浆液搅拌机JJS-2B型12010.055潜水泵QX型12010.053、根据天气预报情况,试桩安排在2010年5月23日进行。六、施工方法采用高压旋喷机20型桩机,配套设施有GPB-90高压泵,并保证其性能良好。搭设平台,安装浆液搅拌机,高压泥浆泵,输送浆管路,水电接头、闸阀、仪...

1、当您付费下载文档后,您只拥有了使用权限,并不意味着购买了版权,文档只能用于自身使用,不得用于其他商业用途(如 [转卖]进行直接盈利或[编辑后售卖]进行间接盈利)。
2、本站所有内容均由合作方或网友上传,本站不对文档的完整性、权威性及其观点立场正确性做任何保证或承诺!文档内容仅供研究参考,付费前请自行鉴别。
3、如文档内容存在违规,或者侵犯商业秘密、侵犯著作权等,请点击“违规举报”。

碎片内容

高压旋喷桩试桩施工方案

确认删除?
VIP
微信客服
  • 扫码咨询
会员Q群
  • 会员专属群点击这里加入QQ群
客服邮箱
回到顶部