电脑桌面
添加小米粒文库到电脑桌面
安装后可以在桌面快捷访问

服务水平评估VIP专享VIP免费

服务水平评估_第1页
1/13
服务水平评估_第2页
2/13
服务水平评估_第3页
3/13
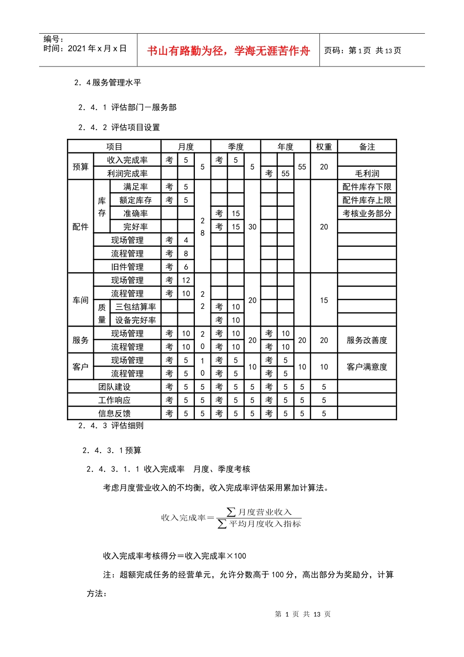
第1页共13页编号:时间:2021年x月x日书山有路勤为径,学海无涯苦作舟页码:第1页共13页2.4服务管理水平2.4.1评估部门-服务部2.4.2评估项目设置项目月度季度年度权重备注预算收入完成率考55考555520利润完成率考55毛利润配件库存满足率考5283020配件库存下限额定库存考5配件库存上限准确率考15考核业务部分完好率考15现场管理考4流程管理考8旧件管理考6车间现场管理考12222015流程管理考10质量三包结算率考10设备完好率考10服务现场管理考1020考1020考102020服务改善度流程管理考10考10考10客户现场管理考510考510考51010客户满意度流程管理考5考5考5团队建设考55考55考555工作响应考55考55考555信息反馈考55考55考5552.4.3评估细则2.4.3.1预算2.4.3.1.1收入完成率月度、季度考核考虑月度营业收入的不均衡,收入完成率评估采用累加计算法。收入完成率=∑月度营业收入∑平均月度收入指标收入完成率考核得分=收入完成率×100注:超额完成任务的经营单元,允许分数高于100分,高出部分为奖励分,计算方法:第2页共13页第1页共13页编号:时间:2021年x月x日书山有路勤为径,学海无涯苦作舟页码:第2页共13页超额奖励得分=(累计完成率-1)×100%×当月收入贡献度当月收入贡献率=该单元当月实际收入/各单元收入合计*100%2.4.3.1.2利润完成率年度考核同收入完成率,利润完成率评估采用累加计算法。季度利润完成率=∑季度完成利润∑平均季度利润指标年度利润完成率=全年完成利润年度利润指标季度利润完成率得分=季度利润完成率×100年度利润完成率得分=年度利润完成率×100注:超额完成任务的经营单元,允许分数高于100分,高出部分为奖励分,计算方法同上。2.4.3.2配件规范配件业务操作流程,提高配件经营水平。2.4.3.2.1配件库存管理评估提高配件满足率、完好率,加速配件周转,降低库存损失,减少资金占用。集团服务部根据各被考核单元的经营情况,对库存配件进行ABC分类。根据分类结果、进货途径、进货周期、在途时间,并考虑季节等影响因素,设定库存上下限。另设定D、E、F类件。它们不需要配件库存储备,即零库存。(1)不可预见的大事故车用件、非专营车型用件,用量较小单个金额较大的配件,此类配件为D类配件;(2)在经营过程中因库房管理不善、配件自身质量问题、人为造成的不能销售的质量配件,此类配件为E类配件;(3)在经营过程中由于配件计划失误、无法完全销售的厂家启动库存、淘汰车型第3页共13页第2页共13页编号:时间:2021年x月x日书山有路勤为径,学海无涯苦作舟页码:第3页共13页配件,此类配件为F类配件。2.4.3.2.1.1配件库存满足率评估月度考核配件库存低于下限,影响配件的满足率。用缺货率评估。配件缺货率=∑(K×(库存下限-实际库存)×单价)∑(库存下限×单价)K为配件系数:A类件,K=1.5;B类件,K=1.2;C类件,K=1.0评估内容评估办法配件缺货率区间分值≤0.05100分(0.05,0.15]80分(0.15,0.3]60分>0.30分2.4.3.2.1.2配件额定库存评估月度考核配件库存过大,造成积压。用库存的积压率评估。新车型上市工厂强制配货,此类配件在3个月内不参与配件额定库存的考核。但各专营公司应尽量向工厂争取批量和时间上的政策,并积极采取措施尽快消化。库存积压率=∑(K×(实际库存-库存上限)×单价)∑(库存上限×单价)K为配件系数:A类件,K=1.0;B类件,K=1.2;C类件,K=1.5;D类件,K=2.0评估内容评估办法库存积压率区间分值≤0.05100分(0.05,0.15]80分(0.15,0.3]60分>0.30分2.4.3.2.1.3配件库存准确率评估季度考核第4页共13页第3页共13页编号:时间:2021年x月x日书山有路勤为径,学海无涯苦作舟页码:第4页共13页帐实相符,保证配件库存的准确。用准确率评估。考核时,随机抽查5%的配件种类进行考核准确率=∑(|实点库存-帐面库存|×单价)∑(抽查配件帐面库存×单价)评估内容评估办法准确率区间分值≤0.02100分(0.02,0.05]80分(0.05,0.10]60分>0.10分2.4.3.2.1.4配件库存完好率评估季度考核库存配件必须处于销售状态,缺陷件和因车型淘汰而不参与经营的配件必须剔除。缺陷件、淘汰件每季度按『配...

1、当您付费下载文档后,您只拥有了使用权限,并不意味着购买了版权,文档只能用于自身使用,不得用于其他商业用途(如 [转卖]进行直接盈利或[编辑后售卖]进行间接盈利)。
2、本站所有内容均由合作方或网友上传,本站不对文档的完整性、权威性及其观点立场正确性做任何保证或承诺!文档内容仅供研究参考,付费前请自行鉴别。
3、如文档内容存在违规,或者侵犯商业秘密、侵犯著作权等,请点击“违规举报”。

碎片内容

服务水平评估

确认删除?
VIP
微信客服
  • 扫码咨询
会员Q群
  • 会员专属群点击这里加入QQ群
客服邮箱
回到顶部