电脑桌面
添加小米粒文库到电脑桌面
安装后可以在桌面快捷访问

桥现浇箱梁施工方案---VIP免费

桥现浇箱梁施工方案---_第1页
1/42
桥现浇箱梁施工方案---_第2页
2/42
桥现浇箱梁施工方案---_第3页
3/42
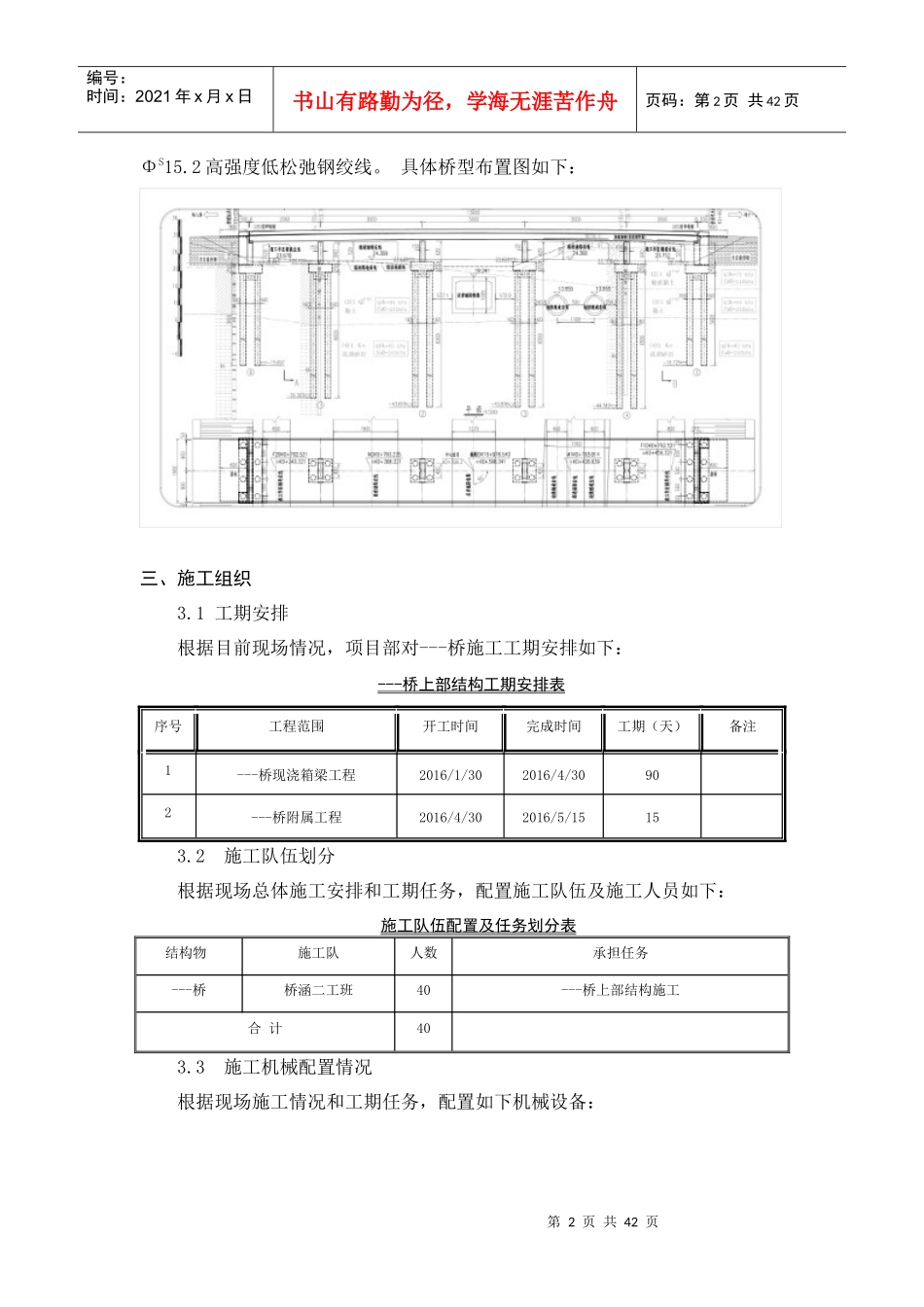
第1页共42页编号:时间:2021年x月x日书山有路勤为径,学海无涯苦作舟页码:第1页共42页大体积混凝土桥现浇箱梁专项施工方案一、编制依据(1)---三期扩建工程主进场路施工合同文件。(2)---三期扩建工程主进场路、招标文件(含补遗书)及投标文件。(3)---三期扩建工程主进场路两阶段施工图设计文件。(4)机场相关工程资料以及国家、地方相应的规程、规定。(5)2014年6月6日,---机场主进场路工程初步设计审查会,《---机场三期扩建工程主进场路专家评审意见》。(6)前期实践现场掌握的相关资料及我单位对现场周围环境的调查资料。(7)业主及监理有关文件要求。(8)我单位建设同类及类似工程具有的成熟施工技术和施工管理经验、科技成果等。(9)我单位实施ISO9001标准贯标工作质量保证手册和程序文件。(10)《中华人民共和国安全生产法》(2014年10月1日实施)。(11)《建设工程安全生产管理条例》(2004年2月1日实施)(12)《国家安全生产事故灾难应急预案》(2006年1月22日实施)(13)《湖北省安全生产条例》(2006年6月1日实施)二、工程概况---桥为---机场主进场路工程的配套项目,上跨进场南进场道路和两侧辅道。桥孔布置为21+3×30+21预应力混凝土连续箱梁,共一联,全长138.0m。上部结构采用预应力混凝土斜腹板连续箱梁结构,桥面顶宽19m,箱梁采用单箱双室,梁高为1.8m,跨中截面箱梁顶板悬臂长4.0m,悬臂端部高0.22m,悬臂根部高0.55m,顶板厚0.25m,底板厚0.22m,腹板厚度0.5m,端横梁厚度1.5m,中横梁厚度2.0m;梁体采用C50混凝土,梁体内布设纵、横向预应力,腹板纵向预应力筋采用15-ΦS15.2高强度低松弛钢绞线,顶、底板纵向预应力筋采用12-ΦS15.2高强度低松弛钢绞线,横梁预应力筋采用15-ΦS15.2、17-ΦS15.2高强度低松弛钢绞线,桥面横向预应力筋采用3-第2页共42页第1页共42页编号:时间:2021年x月x日书山有路勤为径,学海无涯苦作舟页码:第2页共42页ΦS15.2高强度低松弛钢绞线。具体桥型布置图如下:三、施工组织3.1工期安排根据目前现场情况,项目部对---桥施工工期安排如下:---桥上部结构工期安排表序号工程范围开工时间完成时间工期(天)备注1---桥现浇箱梁工程2016/1/302016/4/30902---桥附属工程2016/4/302016/5/15153.2施工队伍划分根据现场总体施工安排和工期任务,配置施工队伍及施工人员如下:施工队伍配置及任务划分表结构物施工队人数承担任务---桥桥涵二工班40---桥上部结构施工合计403.3施工机械配置情况根据现场施工情况和工期任务,配置如下机械设备:第3页共42页第2页共42页编号:时间:2021年x月x日书山有路勤为径,学海无涯苦作舟页码:第3页共42页施工机械配置序号机械型号台数备注1吊车QY302---桥施工2电动空压机LGD-20/8-X2---桥施工3汽车泵中联37m2---桥施工4钢筋加工设备配套2---桥施工5张拉压浆设备配套1---桥施工四、上部构造现浇施工方案4.1天桥现浇施工留置门洞方案根据机场三期扩建工程的总体规划,南保通路在2016年1月底需改移至M2线和F2线,而此时---桥上部构造无法完成混凝土浇筑施工,因此需在M2线及F2线位置设置通行门洞,确保南保通路畅通,同时为便于我部施工车辆通行,确定在M1线设置门洞一个,具体三个门洞布置情况如下:M2线门洞设置:因主线宽15.5m,根据实际情况确定留置双门洞,每个门洞宽7.0米,高4.5米;西辅道F2线门洞设置:因辅道宽8.0m,根据实际情况确定留置单门洞,门洞宽7.0米,高4.5米;M1线门洞设置:此门洞作为项目部施工通行便道,门洞宽4.5米,高4.5米。三个留置的门洞采用条型基础+2.0cm钢板+φ630×6mm钢管+2I40b工字钢+碗扣支架法施做;40b工字钢上搭设碗扣支架,支架横桥向和顺桥向分别布置12×10cm和10×10cm的方木,桥梁模板采用1.5cm厚的竹胶板。4.2现浇段总体施工流程普通段:基地处理→支架搭设→方木安置→现浇段底模安装→砂袋预压→侧模及内模安装→浇筑混凝土。门洞位置:条形基础→φ630×6mm钢管→2I40b垫梁搭设→支架搭设→方木安置→现浇段底模安装→砂袋预压→侧模及内模安装→浇筑混凝土。第4页共42页第3页共42页编号:时间:2021年x月x日书山有路勤为径,学海无涯苦作舟页码:第4页共42页---桥...

1、当您付费下载文档后,您只拥有了使用权限,并不意味着购买了版权,文档只能用于自身使用,不得用于其他商业用途(如 [转卖]进行直接盈利或[编辑后售卖]进行间接盈利)。
2、本站所有内容均由合作方或网友上传,本站不对文档的完整性、权威性及其观点立场正确性做任何保证或承诺!文档内容仅供研究参考,付费前请自行鉴别。
3、如文档内容存在违规,或者侵犯商业秘密、侵犯著作权等,请点击“违规举报”。

碎片内容

桥现浇箱梁施工方案---

您可能关注的文档

确认删除?
VIP
微信客服
  • 扫码咨询
会员Q群
  • 会员专属群点击这里加入QQ群
客服邮箱
回到顶部