电脑桌面
添加小米粒文库到电脑桌面
安装后可以在桌面快捷访问

第一章-SM01_客户服务类型确认VIP免费

第一章-SM01_客户服务类型确认_第1页
1/20
第一章-SM01_客户服务类型确认_第2页
2/20
第一章-SM01_客户服务类型确认_第3页
3/20
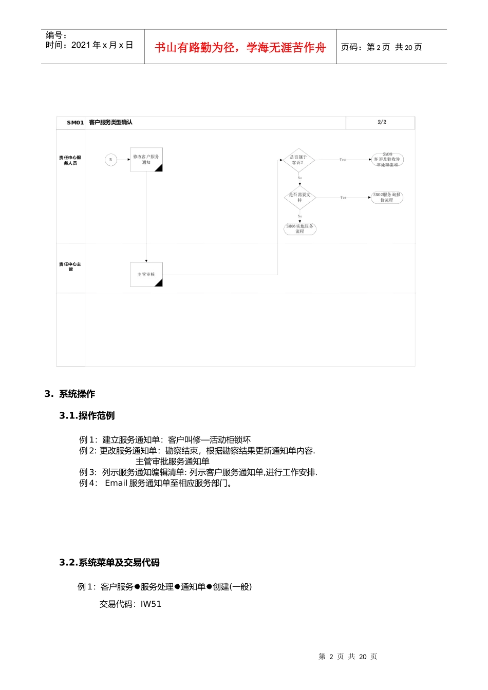
第1页共20页编号:时间:2021年x月x日书山有路勤为径,学海无涯苦作舟页码:第1页共20页第一章-SM01_客户服务类型确认1.流程说明此流程描述了责任中心对顾客服务需求的初步处理流程。对于完款后的顾客服务需求,我们按照服务内容及配合情况分为以下两种处理流程:当地责任中心可以自己处理的顾客需求(包括有费服务及客诉):责任中心助理根据客户提出的需求创建售后服务通知单,在通知单描述顾客需求并进行初步判定需求类型。若为紧急情况,则责任中心助理通知服务人员与客户确认及时进行现场处理;如不是紧急情况,记录后由助理按时列示客户服务通知单并打印出责任中心服务的工作计划表。服务人员根据工作计划表制定工作安排进行现场勘察。如现场服务过程中需报价,在系统中创建服务销售订单(ZFFW),与客户进行报价确认,待顾客确认报价后,填写家具服务单进行现场服务,客户服务验收确认后修改并关闭客户服务通知单并创建系统的服务销售发票(ZFW)。如果是有费服务且需要向总部询报价:由助理根据服务人员填写的家具服务单修改客户服务通知单。主管审核批准后,通知相应的区物流协助报价和确定人员配合等事项。如果是完款后客诉且需要向总部寻求支援:助理需要填写客诉单并修改客户服务通知单,经主管批准后,通知相应的区物流确定配合各事项对于完款前的客诉,责任中心助理需要填写客诉单并传至区物流,由区物流解决。对于此流程需要注意以下几方面的问题:完款前创建的客户服务通知单为Z2类型,完款后创建的通知单为Z1类型责任中心传给相应物流部门的手工单上一定要标明“完款状况”根据流程的进程,应及时更新客户服务通知单的用户状态(即KCWB勘察结束、ZGPZ主管批准、BPZ主管不批准、ZBHF相应部门回复等)明确两种通知单的栏位填写内容、原则及格式,填写不规范或者不完整会造成相关报表抓取不完整,甚至出错2.流程图客户服务类型确认SM01责任中心助理客户需求创建客户服务通知制定工作计划工作计划表现场勘察判定责任中心服务人员列示客户服务通知单是否紧急Yes通知服务人员与客户确认No是否现场及时处理工作准备是否需预领零件YesNo执行现场服务YesNoAA是否完成是否需报价报价议价YesNoYes客户是否认可NoBNoYes填写家具服务单SM05零部件领用流程B1/2SM09客户服务验收流程修改并关闭客户服务通知单Yes家具服务单第2页共20页第1页共20页编号:时间:2021年x月x日书山有路勤为径,学海无涯苦作舟页码:第2页共20页3.系统操作3.1.操作范例例1:建立服务通知单:客户叫修—活动柜锁坏例2:更改服务通知单:勘察结束,根据勘察结果更新通知单内容.主管审批服务通知单例3:列示服务通知编辑清单:列示客户服务通知单,进行工作安排.例4:Email服务通知单至相应服务部门。3.2.系统菜单及交易代码例1:客户服务服务处理通知单创建(一般)交易代码:IW51第3页共20页第2页共20页编号:时间:2021年x月x日书山有路勤为径,学海无涯苦作舟页码:第3页共20页例2:客户服务服务处理通知单修改交易代码:IW52例3:客户服务服务处理通知单编辑清单显示交易代码:IW59,ZSMR006-显示工作计划表(系统报表)例4:办公室工作台交易代码:SBWP3.3.系统屏幕及栏位解释例1:建立服务通知单:客户叫修—活动柜锁坏栏位名称栏位说明资料范例通知类型可根据客户是否完款选择“客户服务通知”(Z1)或“交货异常”(Z2)Z1通知单不用输入由系统自动给号系统内部给号参照-通知单如果需要参照以前已经建立的通知单,可在这里输入以前通知单的号码第4页共20页第3页共20页编号:时间:2021年x月x日书山有路勤为径,学海无涯苦作舟页码:第4页共20页按键或者选择进入下一个画面。栏位名称栏位说明资料范例通知单描述对客户需求的简单描述,详细描述需要在通知单长文本描述中记录(具体请见以下栏位说明)活动柜锁坏用户状态针对Z1根据流程进程选择状态,1.缺省初始状态为TZJL(通知建立)2.服务人员勘察结束后更新此状态为KCJS(勘察结束)3.如需与总部联系先更新此状态为ZGPZ(主管批准)4.如主管不批准更新此状态为BPZ(主管不批准)5.ZBHF(相应部门回复)针...

1、当您付费下载文档后,您只拥有了使用权限,并不意味着购买了版权,文档只能用于自身使用,不得用于其他商业用途(如 [转卖]进行直接盈利或[编辑后售卖]进行间接盈利)。
2、本站所有内容均由合作方或网友上传,本站不对文档的完整性、权威性及其观点立场正确性做任何保证或承诺!文档内容仅供研究参考,付费前请自行鉴别。
3、如文档内容存在违规,或者侵犯商业秘密、侵犯著作权等,请点击“违规举报”。

碎片内容

第一章-SM01_客户服务类型确认

精华资料店+ 关注
实名认证
内容提供者

大量教育教学资料

确认删除?
VIP
微信客服
  • 扫码咨询
会员Q群
  • 会员专属群点击这里加入QQ群
客服邮箱
回到顶部