电脑桌面
添加小米粒文库到电脑桌面
安装后可以在桌面快捷访问

钢筋施工方案改VIP免费

钢筋施工方案改_第1页
1/45
钢筋施工方案改_第2页
2/45
钢筋施工方案改_第3页
3/45
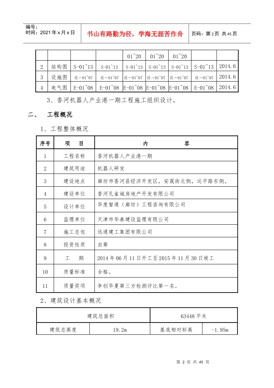
第1页共45页编号:时间:2021年x月x日书山有路勤为径,学海无涯苦作舟页码:第1页共45页一、编制依据1、规范、规程及图集序号标准号名称1GB50204-2011混凝土结构工程施工质量验收规范2GB50300-2012建筑工程施工质量验收统一标准3GB/T50375-2006建筑工程施工质量评价标准4GB1499.2-2007钢筋混凝土用钢第2部分:热轧带肋钢筋5GB13013-91钢筋混凝土用热轧光圆钢筋6GB/T701-97低碳钢热轧圆盘条7JGJ18-2003钢筋焊接及验收规程8JGJ107-2010钢筋机械连接技术规程9JGJ95-2003冷轧带肋钢筋混凝土结构技术规程10JGJ33-2001建筑机械使用安全技术规程11JGJ46-2005施工现场临时用电安全技术规范1211G101-1/204G101-3混凝土结构施工图平面整体表示方法制图规则和构造详图1303G329-1建筑物抗震构造详图1406G901-1/2混凝土结构施工钢筋排布规则与构造详图15DBJ01-21-95建筑工程施工测量规程16DB13(J)/T145—2012建筑工程资料管理规程国家、行业及河北省现行有关其它规范、规程及标准。2、施工图纸序号图纸名称楼栋图纸编号日期A1A2B1B2C1~C10D1~D5E1~E5F1建筑图A-01~20A-01~20A-A-A-A-01~202014.6第2页共45页第1页共45页编号:时间:2021年x月x日书山有路勤为径,学海无涯苦作舟页码:第2页共45页01~2001~2001~202结构图S-01~13S-01~13S-01~13S-01~13S-01~13S-01~132014.63设施图设-01~07设-01~07设-01~07设-01~07设-01~07设-01~072014.64电气图E-01~08E-01~08E-01~08E-01~08E-01~08E-01~082014.63、香河机器人产业港一期工程施工组织设计。二、工程概况1、工程整体概况序号项目内容1工程名称香河机器人产业港一期2建筑用途机器人研发3建设地点廊坊市香河县经济开发区,安晟街北侧,运平路东侧。4建设单位香河孔雀城房地产开发有限公司5设计单位华度智通(廊坊)工程咨询有限公司6监理单位天津市华泰建设监理有限公司7施工总包远通建工集团有限公司8投资性质自筹9工期2014年06月11日开工至2015年11月30日竣工10质量标准合格。11质量奖项争创华夏第三方检测评比第一名。2、建筑设计基本概况建筑总面积63448平米建筑总高度19.2m基底相对标高-1.95m第3页共45页第2页共45页编号:时间:2021年x月x日书山有路勤为径,学海无涯苦作舟页码:第3页共45页±0.000绝对标高12.9m、13.1m、13.15m、13.2m、13.25m、13.3m室内外地坪高差0.3m建筑楼标高基底大面相对标高为-1.85(垫层上皮);檐高20.4m。楼层层高首层7.2m、二层三层4.2m、四层3.6m。建筑功能机器人研发室外装修外墙装修面层包括涂料、面砖、玻璃幕墙、装饰工字钢。室内装修顶棚乳胶漆、铝扣板楼地面地砖、细石砼、水泥砂浆内墙面乳胶漆、面砖、水泥砂浆门、窗铝框中窗玻璃保温材料外墙:50厚B1级挤塑聚苯板;屋面:50厚挤塑聚苯板。防水等级及做法屋面防水等级为2级,SBS防水卷材(聚酯胎II型)3+3厚。填充墙材料外墙、内墙及女儿墙均采用BM轻集料连锁砌块,预拌砂浆砌筑。耐火等级建筑物耐火等级2级。3、结构设计基本概况序号结构设计内容1结构形式23栋基础采用钢筋混凝土条形基础,地上部分采用钢筋混凝土框架;2栋为钢结构,屋面采用压型钢板屋面。2地基及回填天然地基,持力层为2层粉土,地基承载:110Kpa;室内外回填采用2:8灰土,压实系数不小于0.97。3抗震等级抗震烈度为8°,框架抗震等级二级,建筑物场地类别III类。第4页共45页第3页共45页编号:时间:2021年x月x日书山有路勤为径,学海无涯苦作舟页码:第4页共45页4混凝土结构截面尺寸条形基础200~300mm厚基础梁400×1500、500×1500mm柱截面尺寸300×400、600×600、700×800mm梁断面尺寸(mm)200×400、250×400、300×750、300×700、250×700、300×8005混凝土强度等级(抗渗等级)基础垫层C15条形基础C30框架柱1层C35、2~4层C30楼面梁板1层C35、2~4层C30二次结构圈梁、过梁、构造柱C206钢筋类别HPB300A级钢、HRB335B级钢、HRB400C级钢4、钢筋工程概况及要求(1)主筋的保护层厚度序号部位厚度材料备注1条形基础底板45mm大理石垫块抗裂要求2地下基础梁35mm高强砼(底)砼长方条(侧)抗裂要求3地下柱35mm塑料块(侧)钢筋定位箍4框架柱20mm塑料块(侧)钢筋定位箍5框架梁20m...

1、当您付费下载文档后,您只拥有了使用权限,并不意味着购买了版权,文档只能用于自身使用,不得用于其他商业用途(如 [转卖]进行直接盈利或[编辑后售卖]进行间接盈利)。
2、本站所有内容均由合作方或网友上传,本站不对文档的完整性、权威性及其观点立场正确性做任何保证或承诺!文档内容仅供研究参考,付费前请自行鉴别。
3、如文档内容存在违规,或者侵犯商业秘密、侵犯著作权等,请点击“违规举报”。

碎片内容

钢筋施工方案改

确认删除?
VIP
微信客服
  • 扫码咨询
会员Q群
  • 会员专属群点击这里加入QQ群
客服邮箱
回到顶部