电脑桌面
添加小米粒文库到电脑桌面
安装后可以在桌面快捷访问

脚手架专项施工方案(正本)(DOC52页)VIP免费

脚手架专项施工方案(正本)(DOC52页)_第1页
1/56
脚手架专项施工方案(正本)(DOC52页)_第2页
2/56
脚手架专项施工方案(正本)(DOC52页)_第3页
3/56
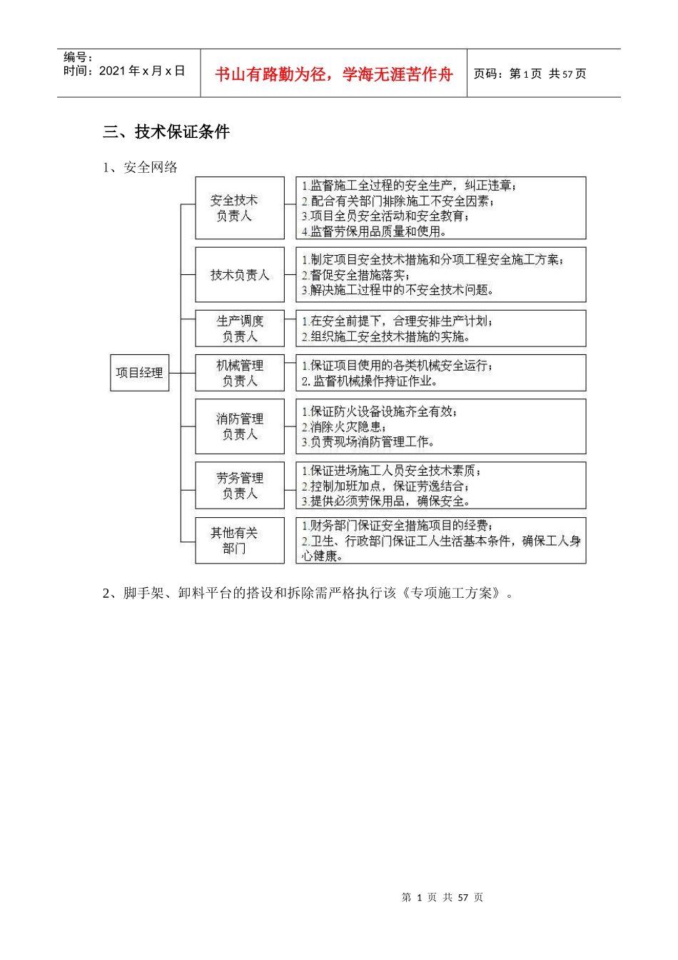
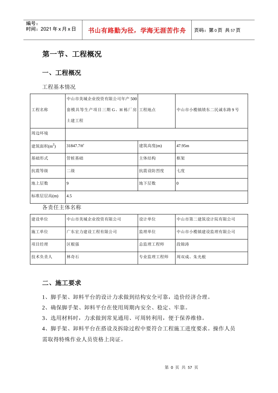
第一节、工程概况...........................................................................................................................1二、施工要求...........................................................................................................................1三、技术保证条件...................................................................................................................1第二节、编制依据...........................................................................................................................3第三节、施工计划...........................................................................................................................4一、施工进度计划...................................................................................................................4二、材料与设备计划...............................................................................................................4第四节、施工工艺技术...................................................................................................................7一、技术参数...........................................................................................................................7二、工艺流程...........................................................................................................................7三、施工方法...........................................................................................................................8四、检查验收.........................................................................................................................17第五节、施工安全保证措施.........................................................................................................19一、组织保障.........................................................................................................................19二、技术措施.........................................................................................................................20三、监测监控.........................................................................................................................26四、应急预案.........................................................................................................................27第六节、劳动力计划.....................................................................................................................29一、专职安全生产管理人员.................................................................................................29二、特种作业人员.................................................................................................................29第七节、计算书及相关图纸.........................................................................................................30【计算书】.............................................................................................................................30第0页共57页编号:时间:2021年x月x日书山有路勤为径,学海无涯苦作舟页码:第0页共57页第一节、工程概况一、工程概况工程基本情况工程名称中山市美城企业投资有限公司年产500套模具等生产项目三期G、H栋厂房土建工程工程地点中山市小榄镇绩东二民诚东路9号周边环境建筑面积(m2)31847.7㎡建筑高度(m)47.95m基础形式管桩基础主体结构框架抗震等级二级抗震设防烈度七度地上层数9地下层数0标准层层高(m)...

1、当您付费下载文档后,您只拥有了使用权限,并不意味着购买了版权,文档只能用于自身使用,不得用于其他商业用途(如 [转卖]进行直接盈利或[编辑后售卖]进行间接盈利)。
2、本站所有内容均由合作方或网友上传,本站不对文档的完整性、权威性及其观点立场正确性做任何保证或承诺!文档内容仅供研究参考,付费前请自行鉴别。
3、如文档内容存在违规,或者侵犯商业秘密、侵犯著作权等,请点击“违规举报”。

碎片内容

脚手架专项施工方案(正本)(DOC52页)

您可能关注的文档

精华资料店+ 关注
实名认证
内容提供者

大量教育教学资料

确认删除?
VIP
微信客服
  • 扫码咨询
会员Q群
  • 会员专属群点击这里加入QQ群
客服邮箱
回到顶部