电脑桌面
添加小米粒文库到电脑桌面
安装后可以在桌面快捷访问

钢筋工程施工方案(DOC 39页)VIP免费

钢筋工程施工方案(DOC 39页)_第1页
1/30
钢筋工程施工方案(DOC 39页)_第2页
2/30
钢筋工程施工方案(DOC 39页)_第3页
3/30
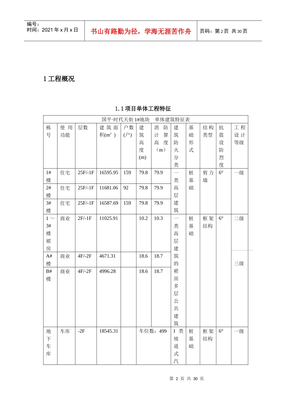
目录1工程概况编制依据........................................................................................................................................11工程概况......................................................................................................................................21.1项目单体工程特征......................................................................................................................21.2项目参建单位及工程地址..........................................................................................................22钢筋工程......................................................................................................................................33施工组织与部署...........................................................................................................................33.1主体钢筋施工顺序......................................................................................................................44施工准备......................................................................................................................................44.1人员准备......................................................................................................................................44.2技术准备......................................................................................................................................44.3工具准备......................................................................................................................................44.4材料准备......................................................................................................................................45钢筋加工配料..............................................................................................................................55.1钢筋调直......................................................................................................................................55.2钢筋切断......................................................................................................................................55.3钢筋套丝......................................................................................................................................56钢筋连接......................................................................................................................................66.1钢筋绑扎搭接..............................................................................................................................76.2钢筋电渣压力焊接......................................................................................................................76.3钢筋剥肋滚轧直螺纹连接..........................................................................................................77.1柱子钢筋施工..............................................................................................................................87.2剪力墙钢筋施工........................................................................................................................107.3梁钢筋施工................................................................................................................................157.4板钢筋施工.........................................

1、当您付费下载文档后,您只拥有了使用权限,并不意味着购买了版权,文档只能用于自身使用,不得用于其他商业用途(如 [转卖]进行直接盈利或[编辑后售卖]进行间接盈利)。
2、本站所有内容均由合作方或网友上传,本站不对文档的完整性、权威性及其观点立场正确性做任何保证或承诺!文档内容仅供研究参考,付费前请自行鉴别。
3、如文档内容存在违规,或者侵犯商业秘密、侵犯著作权等,请点击“违规举报”。

碎片内容

钢筋工程施工方案(DOC 39页)

您可能关注的文档

精华资料店+ 关注
实名认证
内容提供者

大量教育教学资料

确认删除?
VIP
微信客服
  • 扫码咨询
会员Q群
  • 会员专属群点击这里加入QQ群
客服邮箱
回到顶部