电脑桌面
添加小米粒文库到电脑桌面
安装后可以在桌面快捷访问

极1高端防火墙脚手架专项施工方案(昌吉)VIP免费

极1高端防火墙脚手架专项施工方案(昌吉)_第1页
1/38
极1高端防火墙脚手架专项施工方案(昌吉)_第2页
2/38
极1高端防火墙脚手架专项施工方案(昌吉)_第3页
3/38
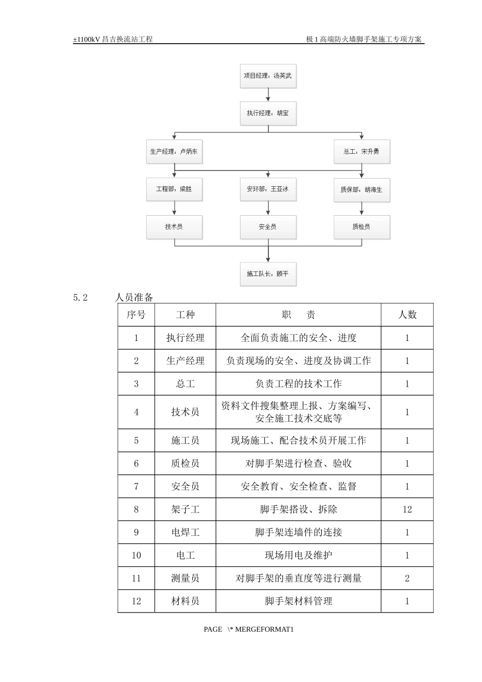
±1100kV昌吉换流站工程极1高端防火墙脚手架施工专项方案目录1、编制目的....................................................................................................12、适用范围....................................................................................................13、编制依据....................................................................................................14、项目概述....................................................................................................15、施工准备....................................................................................................26、施工流程....................................................................................................37、脚手架施工................................................................................................48、脚手架计算书............................................................................................89、安全文明施工..........................................................................................2710、示意图......................................................................................................35±1100kV昌吉换流站工程极1高端防火墙脚手架施工专项方案1编制目的用于指导±1100kV昌吉换流站工程极1高端防火墙脚手架的施工,确保施工过程中的安全及质量。2适用范围本施工方案适用于±1100kV昌吉换流站工程极1高端防火墙脚手架工程的施工。本方案与相关企业工艺标准和国家规范、规程要求合并执行。3编制依据3.1《建筑地基基础设计规范》(GB50007-2011)3.2《建筑结构荷载规范》(GB50009-2012)3.3《工程测量规范》(GB50026-2007)3.4《建筑施工高处作业安全技术规范》(JGJ80-2016)3.5《施工现场临时用电安全技术规范》(JGJ46—2005);3.6《建筑施工扣件式钢管脚手架安全技术规范》(JGJ130—2011);3.7《国家电网公司电力安全工作规程》(电网建设部分)(2016版)3.8《国家电网公司输变电工程安全文明施工标准化管理办法》国网(基建/3)187-20153.9《输变电工程建设标准强制性条文实施管理规程》(Q/GDW1248-2015)3.10《国家电网公司施工项目部标准化工作手册》(2014版)3.11《输变电工程安全质量过程控制数码照片管理工作要求》(基建安质〔2016〕56号)3.12《国家电网公司基建安全管理规定》国网(基建/2)173-20153.13《施工安全风险识别、评估及预控措施管理办法》国网(基建/3)176-20153.14±1000kV昌吉换流站工程土建B包项目实施管理规划;3.15施工图纸4项目概述4.1极1高端防火墙位于极1高端阀厅北侧,为一纵七横的钢筋混凝土墙,防火墙基础与换流变筏板基础为一体。本工程±0.000m相当于绝对标高513.05m。纵墙长度为92.0m,高度为19.6m,墙体厚度为0.3m;横向隔墙长度为19.1m,总高度为15.1m,厚度同为0.3m;横向隔墙自标高11.6m,距纵墙4.7m处开始设拐点斜向上至标高15.1m,距纵墙3.7m处所有防火墙均设双层双向钢筋网,采用C35混凝土,后浇带处混凝土采用C40补偿收缩混凝土。5施工准备5.1项目部组织机构PAGE\*MERGEFORMAT1±1100kV昌吉换流站工程极1高端防火墙脚手架施工专项方案5.2人员准备序号工种职责人数1执行经理全面负责施工的安全、进度12生产经理负责现场的安全、进度及协调工作13总工负责工程的技术工作14技术员资料文件搜集整理上报、方案编写、安全施工技术交底等15施工员现场施工、配合技术员开展工作16质检员对脚手架进行检查、验收17安全员安全教育、安全检查、监督18架子工脚手架搭设、拆除129电焊工脚手架连墙件的连接110电工现场用电及维护111测量员对脚手架的垂直度等进行测量212材料员脚手架材料管理1PAGE\*MERGEFORMAT1±1100kV昌吉换流站工程极1高端防火墙脚手架施工专项方案13起重工钢管等材料的垂直运输25.3材料准备5.3.1脚手架钢管采用Ф48×3.2mm焊接钢管,钢管应有产品质...

1、当您付费下载文档后,您只拥有了使用权限,并不意味着购买了版权,文档只能用于自身使用,不得用于其他商业用途(如 [转卖]进行直接盈利或[编辑后售卖]进行间接盈利)。
2、本站所有内容均由合作方或网友上传,本站不对文档的完整性、权威性及其观点立场正确性做任何保证或承诺!文档内容仅供研究参考,付费前请自行鉴别。
3、如文档内容存在违规,或者侵犯商业秘密、侵犯著作权等,请点击“违规举报”。

碎片内容

极1高端防火墙脚手架专项施工方案(昌吉)

确认删除?
VIP
微信客服
  • 扫码咨询
会员Q群
  • 会员专属群点击这里加入QQ群
客服邮箱
回到顶部