电脑桌面
添加小米粒文库到电脑桌面
安装后可以在桌面快捷访问

某花园建筑工程改造施工方案VIP专享VIP免费

某花园建筑工程改造施工方案_第1页
1/18
某花园建筑工程改造施工方案_第2页
2/18
某花园建筑工程改造施工方案_第3页
3/18
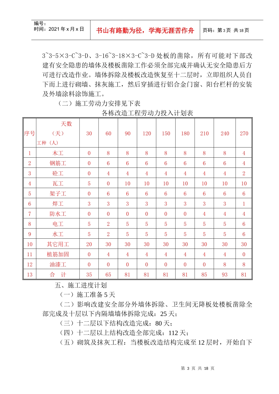
第1页共18页编号:时间:2021年x月x日书山有路勤为径,学海无涯苦作舟页码:第1页共18页XX花园改造施工方案一、概述XX花园工程已通过竣工验收,拟进行改造,将小户型合并成大户型,同时进行精装修。现场需要将改动的户型的砖砌内隔墙全部拆除,然后按合并后的新图重新施工;部分卫生间位置结构无降板(如:1-3~1-5×1-C~1-D、1-16~1-18×1-C~1-D、2-3~2-5×2-C~2-D、2-16~2-18×2-C~2-D、3-3~3-5×3-C~3-D、3-16~3-18×3-C~3-D处板),需要凿除后植筋重新施工;原有的室内强弱电线管作废,需要重新敷设,配电箱需做较大更改。局部外墙部位被改动,原空洞部位结构需要植筋加梁板。由于合并功能用房作调整,厨房的烟道洞口等现场需要开孔。原结构梁板均有改动,给施工带来一定困难。详见提供的相关结构及建筑修改蓝图。二、工程重难点:(一)垂直及水平运输;(二)临边安全防护;(三)现场成品保护;(四)现场文明施工。三、施工准备工作:(一)现场施工条件1、垂直及水平运输:利用各单元的所有电梯作为垂直运输(每台电梯2名司机保证24小时服务),将原有内隔墙、分户墙全部凿除后采用人力小推车进行水平运输。另外每栋安装2台8m长(脚手架钢管长度为6m)及1台6m长的专用施工吊蓝进行垂直运输。2、施工用电:由于原施工用电线路已全部拆除,需重新布置临时施工电路并每层安装配电箱方便施工。3、施工用水:由于用水量较大,拟使用每栋的消防用水作为施工用水。4、混凝土浇筑:50m以下采用62m的天泵进行砼浇筑,50m以上利用水推车通过电梯运送砼。4、施工用地:地下室顶板的室外广场需作为临时施工场地布置天泵、材料堆放场地及材料加工制作间等。(二)需要业主协助完成的施工准备工作第2页共18页第1页共18页编号:时间:2021年x月x日书山有路勤为径,学海无涯苦作舟页码:第2页共18页1、与小区物业管理处协调解决好施工场地征用及消防电梯垂直运输问题。2、协调解决所有入户门、大部分铝合金门窗、楼梯间门扇、阳台栏杆等的拆除。3、落实有关配合专业施工队伍,如铝合金门窗、进户门、阳台栏杆的安装,外墙涂料涂饰等。4、落实专人开电梯及电梯的维修保养(保证各台梯24小时工作,如某台电梯无法正常工作需尽快修复,否则工期需予以顺延),做好轿箱内侧的保护,底面及四周采用七夹板封闭。5、无需拆除部位的铝合金门窗等需由贵司落实专人进行成品保护。6、原预留钢筋因种种原因不能使用的需重新植筋,植筋数量需现场签证。7、所有涉及到变更的墙体因凿除时无法保留部分墙体且给将来墙体开裂留下隐患故必须整面墙全部拆除。8、审核施工单位编制的专项施工方案及报价书。(三)施工单位准备工作1、施工力量组织:针对材料运输困难,根据工期需要,以精干的技术工人等级比例,满足劳动力优化组合的要求,配备足够的施工力量,合理分工,科学管理,以确保工程顺利进行。2、技术准备:(1)阐明施工方法、工程进度安排、劳动力组织、质量、安全和工期保证措施,有效地指导现场施工。(2)根据施工现场场地和施工条件,编制施工作业计划,采取有效进度控制措施,保证工程进度控制目标。(3)做好安全技术交底工作,重点放在施工方案、技术措施、安全措施等方面,交底必须细致齐全,并应结合具体操作部位和施工难点的质量要求、操作要点、安全要求进行详细的现场交底。四、施工部署(一)工程总体施工方案本工程分为地下室部分及地上各栋塔楼部分两个施工段施工,各栋塔楼均自下而上同时进行施工,先进行墙体拆除及1-3~1-5×1-C~1-D、1-16~1-18×1-C~1-D、2-3~2-5×2-C~2-D、2-16~2-18×2-C~2-D、3-第3页共18页第2页共18页编号:时间:2021年x月x日书山有路勤为径,学海无涯苦作舟页码:第3页共18页3~3-5×3-C~3-D、3-16~3-18×3-C~3-D处板的凿除,所有可能对下部改建有安全隐患的墙体及楼板凿除工作必须全部完成并确认无安全隐患后方可进行改造作业。墙体拆除及楼板改造恢复至十二层时,立即组织人员自下而上进行砌墙、抹灰施工,然后穿插进行铝合金门窗、阳台栏杆的安装及外墙涂料涂饰施工。(二)施工劳动力安排见下表各栋改造工程劳动力投入计划表序号天数(天)工种(人)3060901...

1、当您付费下载文档后,您只拥有了使用权限,并不意味着购买了版权,文档只能用于自身使用,不得用于其他商业用途(如 [转卖]进行直接盈利或[编辑后售卖]进行间接盈利)。
2、本站所有内容均由合作方或网友上传,本站不对文档的完整性、权威性及其观点立场正确性做任何保证或承诺!文档内容仅供研究参考,付费前请自行鉴别。
3、如文档内容存在违规,或者侵犯商业秘密、侵犯著作权等,请点击“违规举报”。

碎片内容

某花园建筑工程改造施工方案

确认删除?
VIP
微信客服
  • 扫码咨询
会员Q群
  • 会员专属群点击这里加入QQ群
客服邮箱
回到顶部