电脑桌面
添加小米粒文库到电脑桌面
安装后可以在桌面快捷访问

第13章 销售促销人员绩效考核(DOC 8)VIP免费

第13章 销售促销人员绩效考核(DOC 8)_第1页
1/9
第13章 销售促销人员绩效考核(DOC 8)_第2页
2/9
第13章 销售促销人员绩效考核(DOC 8)_第3页
3/9
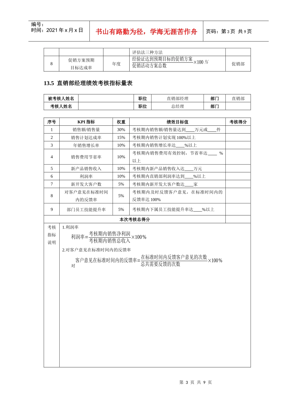
第1页共9页编号:时间:2021年x月x日书山有路勤为径,学海无涯苦作舟页码:第1页共9页第13章销售促销人员绩效考核13.1销售部关键绩效考核指标序号KPI指标考核周期指标定义/公式资料来源1销售额/销售量月/季/年度考核期内各项业务销售收入总计/销售数量总计销售部2销售计划达成率季/年度实际完成的销售额或销售量计划销售额或销售量×100%销售部3年销售增长率年度当年销售额−上一年度销售额上一年度销售额×100%财务部4新产品销售收入季/年度考核期内新产品销售收入总额财务部5核心产品销售收入月/季/年度考核期内企业核心产品销售收入总额财务部6销售回款率季/年度实际回款额计划回款额×100%财务部7销售费用节省率季/年度销售费用预算−实际发生的销售费用销售费用预算×100%销售部8坏账率季/年度坏账损失主营业务收入×100%财务部9新增客户数量季/年度考核期内新增合作客户数量销售部10市场占有率季/年度当前企业产品销售额或销售量当前该类产品市场销售额或销售量×100%市场部13.2区域部关键绩效考核指标序号KPI指标考核周期指标定义/公式资料来源1销售额/销售量月/季/年度考核期内业务销售收入总计/销售数量总计区域部2销售任务达成率季/年度实际完成的销售额或销售量计划销售额或销售量×100%区域部3回款达成率季/年度实际回款额计划回款额×100%财务部4年销售增长率年度当年销售额−上一年度销售额上一年度销售额×100%财务部5费用率季/年度实际发生的销售费用销售费用预算×100%财务部6坏账率季/年度坏账损失主营业务收入×100%财务部7新增客户数量季/年度考核期内新增加客户数量销售部8区域市场占有率季/年度当前企业产品销售额或销售量当前该类产品市场销售额或销售量×100%市场部9新产品利润率月/季/年度新产品销售净利润新产品销售总收入×100%财务部第2页共9页第1页共9页编号:时间:2021年x月x日书山有路勤为径,学海无涯苦作舟页码:第2页共9页10核心产品利润率月/季/年度核心产品销售净利润核心产品销售总收入×100%财务部13.3渠道部关键绩效考核指标序号KPI指标考核周期指标定义/公式资料来源1销售额/销售量月/季/年度考核期内通过渠道销售的收入总计/销售数量总计渠道部2渠道开发计划实现率季/年度部门实际费用部门计划费用×100%渠道部3年销售增长率年度当年销售额−上一年度销售额上一年度销售额×100%财务部4回款达成率季/年度实际回款额计划回款额×100%财务部5销售费用节省率季/年度销售费用预算−实际发生的销售费用销售费用预算×100%财务部6渠道库存量控制季/年度渠道库存量控制在适当范围内,具体标准量根据具体实际设定渠道部7新增渠道成员数量季/年度考核期内新开发销售渠道成员数量渠道部8渠道满意度季/年度渠道满意度的高低,可以通过渠道调查来实现,比如通过第三方调查机构渠道部9代理商培训计划完成率年度实际完成的培训项目(次数)计划培训的项目(次数)×100%渠道部13.4促销部关键绩效考核指标序号KPI指标考核周期指标定义/公式资料来源1促销计划完成率月/季/年度实际完成的促销次数计划促销次数×100%促销部2(因促销活动)销售增长率月度(活动后当月销售额或销售量活动前当月销售额或销售量−1)×100%财务部3年销售增长率年度当年销售额−上一年度销售额上一年度销售额×100%财务部4促销费用节省率季/年度促销费用预算−实际发生促销费用促销费用预算×100%财务部5产品市场占有率季/年度当前企业产品销售额或销售量当前该类产品市场销售额或销售量×100%市场部6宣传品制作完成率季/年度完成宣传品制作种类计划宣传品制作种类×100%促销部7促销效果评估季/年度促销效果评估一般采用综合投入产出比评估法、销售增量回报比评估法、效益增量回报比市场部第3页共9页第2页共9页编号:时间:2021年x月x日书山有路勤为径,学海无涯苦作舟页码:第3页共9页评估法三种方法8促销方案预期目标达成率年度经验证达到预期目标的促销方案促销活动方案总数×100%促销部13.5直销部经理绩效考核指标量表被考核人姓名职位直销部经理部门直销部考核人姓名职位总经理部门序号KPI指标权重绩效目标值考核得分1销售额/销售量30%考核期内销售额/销售量...

1、当您付费下载文档后,您只拥有了使用权限,并不意味着购买了版权,文档只能用于自身使用,不得用于其他商业用途(如 [转卖]进行直接盈利或[编辑后售卖]进行间接盈利)。
2、本站所有内容均由合作方或网友上传,本站不对文档的完整性、权威性及其观点立场正确性做任何保证或承诺!文档内容仅供研究参考,付费前请自行鉴别。
3、如文档内容存在违规,或者侵犯商业秘密、侵犯著作权等,请点击“违规举报”。

碎片内容

第13章 销售促销人员绩效考核(DOC 8)

您可能关注的文档

确认删除?
VIP
微信客服
  • 扫码咨询
会员Q群
  • 会员专属群点击这里加入QQ群
客服邮箱
回到顶部