电脑桌面
添加小米粒文库到电脑桌面
安装后可以在桌面快捷访问

京包高速附属工程安全方案VIP免费

京包高速附属工程安全方案_第1页
1/16
京包高速附属工程安全方案_第2页
2/16
京包高速附属工程安全方案_第3页
3/16
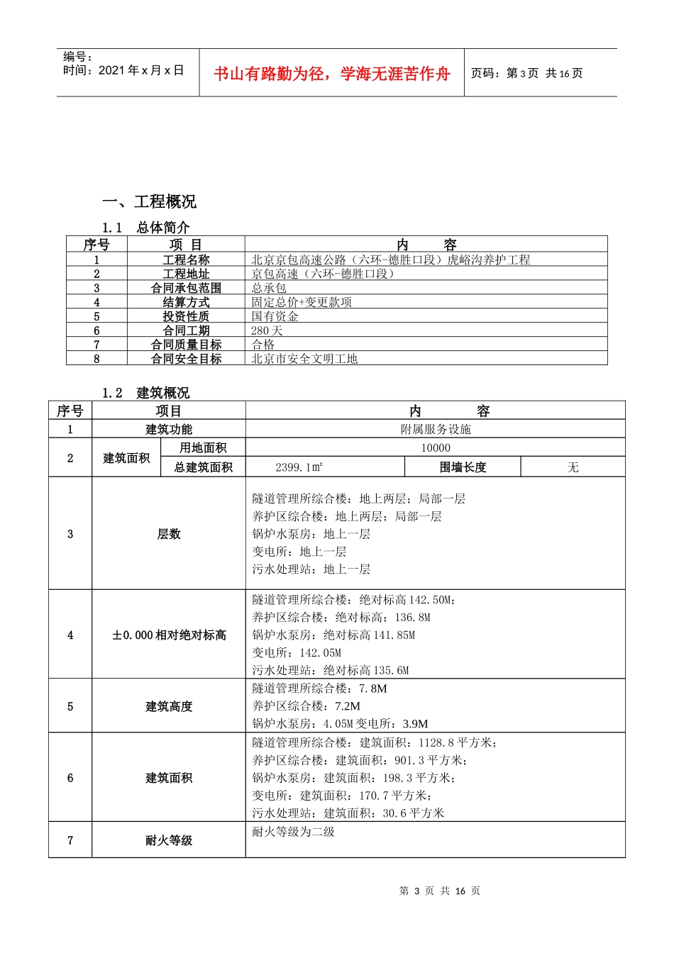
第1页共16页编号:时间:2021年x月x日书山有路勤为径,学海无涯苦作舟页码:第1页共16页北京京包高速公路附属工程安全监理方案北京华城建设监理有限责任公司京包高速公路附属工程项目监理部2009年9月第2页共16页第1页共16页编号:时间:2021年x月x日书山有路勤为径,学海无涯苦作舟页码:第2页共16页目录一、工程概况与工程特点二、安全监理依据三、施工安全控制目标四、施工安全控制的组织保证体系五、安全生产控制措施六、施工中其他安全防护控制七、安全工作考核标准八、安全问题和安全事故处理程序框图第3页共16页第2页共16页编号:时间:2021年x月x日书山有路勤为径,学海无涯苦作舟页码:第3页共16页一、工程概况1.1总体简介序号项目内容1工程名称北京京包高速公路(六环-德胜口段)虎峪沟养护工程2工程地址京包高速(六环-德胜口段)3合同承包范围总承包4结算方式固定总价+变更款项5投资性质国有资金6合同工期280天7合同质量目标合格8合同安全目标北京市安全文明工地1.2建筑概况序号项目内容1建筑功能附属服务设施2建筑面积用地面积10000总建筑面积2399.1㎡围墙长度无3层数隧道管理所综合楼:地上两层;局部一层养护区综合楼:地上两层;局部一层锅炉水泵房:地上一层变电所:地上一层污水处理站:地上一层4±0.000相对绝对标高隧道管理所综合楼:绝对标高142.50M;养护区综合楼:绝对标高:136.8M锅炉水泵房:绝对标高141.85M变电所:142.05M污水处理站:绝对标高135.6M5建筑高度隧道管理所综合楼:7.8M养护区综合楼:7.2M锅炉水泵房:4.05M变电所:3.9M6建筑面积隧道管理所综合楼:建筑面积:1128.8平方米;养护区综合楼:建筑面积:901.3平方米;锅炉水泵房:建筑面积:198.3平方米;变电所:建筑面积:170.7平方米;污水处理站:建筑面积:30.6平方米7耐火等级耐火等级为二级第4页共16页第3页共16页编号:时间:2021年x月x日书山有路勤为径,学海无涯苦作舟页码:第4页共16页8防水二级。平屋顶采用SBS改性沥青防水卷材.坡屋顶采用平瓦和聚合物水泥及复合防水面材料1.5厚双层防水9外墙装修涂料饰面、塑钢门窗、木门、不锈钢门平、中空镀膜玻璃.10内装修顶棚内墙:涂料、面砖.顶棚:矿棉装饰吸声板吊顶、防石膏板抹灰刮腻子、11保温工程屋面保温挤塑聚苯乙烯泡沫塑料保温板墙体保温50mm挤塑聚苯乙烯泡沫塑料保温板、1.3结构设计序号项目内容1结构体系钢筋砼框架体系、框架-剪力墙结构体系,局部采用钢结构体系2结构安全等级均为二级结构抗震等级框架为一级,3基础设计等级丙级,设计使用年限均为50年4结构层数同建筑5抗震设防分类均为丙类6场地类别均为二类7环境类别8结构形式基础结构形式独立柱,局部联合基础主体结构形式:框架-剪力墙结构9混凝土强度等级C10--用于钢筋混凝土基础的垫层;C30--用于圈梁、过梁、构造柱、压顶圈梁;钢筋混凝土框架梁、板、柱、剪力墙;C25用于次要构件。1.4安装工程概况1.4.1给水系统由室外的给水管网,供应各建筑生活用水.室内给水主干管及立管采用钢塑(聚乙烯)复合管,DN≤100的主管采用丝扣连接;DN>100的主管采用法兰连接或沟槽式卡箍连接.支管PP-R采用电热熔焊接;1.4.2热水系统:由卫生间等淋浴热水由太阳能热水器供应.饮用水由电开水炉供应.1.4.4排水系统空调凝结水在各层汇总后排至各层拖布池.生活水池,开水炉排水采用间接排水方式.生活污水排水经室外排水管网排入污水处理设备.排水立管采用UPVC塑料螺旋排水管.阀门采用铜制截止阀与手动对夹式碟阀等.1.4.5雨水系统屋面雨水采用有组织外排水,排至场区内.场区道路排水通过路面坡度排除.1.4.6变配电系统全厂区供电电源为三相50Hz、10KV中性点通过小电阻接地系统,电源由第5页共16页第4页共16页编号:时间:2021年x月x日书山有路勤为径,学海无涯苦作舟页码:第5页共16页两回10KV电缆路引入。高压配电系统:10KV高压配电系统为单母线,高压保护采用熔断器负荷开关.1.4.7照明系统照明系统采用放射式和树干式相结合供电方式,一般照明线路采用阻燃型或普通型电缆、电线,消防照明线路采用耐火型电缆、电线。1.4.8综合布线系统语音部分采用市话直通式,市话进线电话电缆穿钢管埋地引入至...

1、当您付费下载文档后,您只拥有了使用权限,并不意味着购买了版权,文档只能用于自身使用,不得用于其他商业用途(如 [转卖]进行直接盈利或[编辑后售卖]进行间接盈利)。
2、本站所有内容均由合作方或网友上传,本站不对文档的完整性、权威性及其观点立场正确性做任何保证或承诺!文档内容仅供研究参考,付费前请自行鉴别。
3、如文档内容存在违规,或者侵犯商业秘密、侵犯著作权等,请点击“违规举报”。

碎片内容

京包高速附属工程安全方案

您可能关注的文档

确认删除?
VIP
微信客服
  • 扫码咨询
会员Q群
  • 会员专属群点击这里加入QQ群
客服邮箱
回到顶部