电脑桌面
添加小米粒文库到电脑桌面
安装后可以在桌面快捷访问

不同环境温度下电缆载流量修正系数VIP专享VIP免费

不同环境温度下电缆载流量修正系数_第1页
1/65
不同环境温度下电缆载流量修正系数_第2页
2/65
不同环境温度下电缆载流量修正系数_第3页
3/65
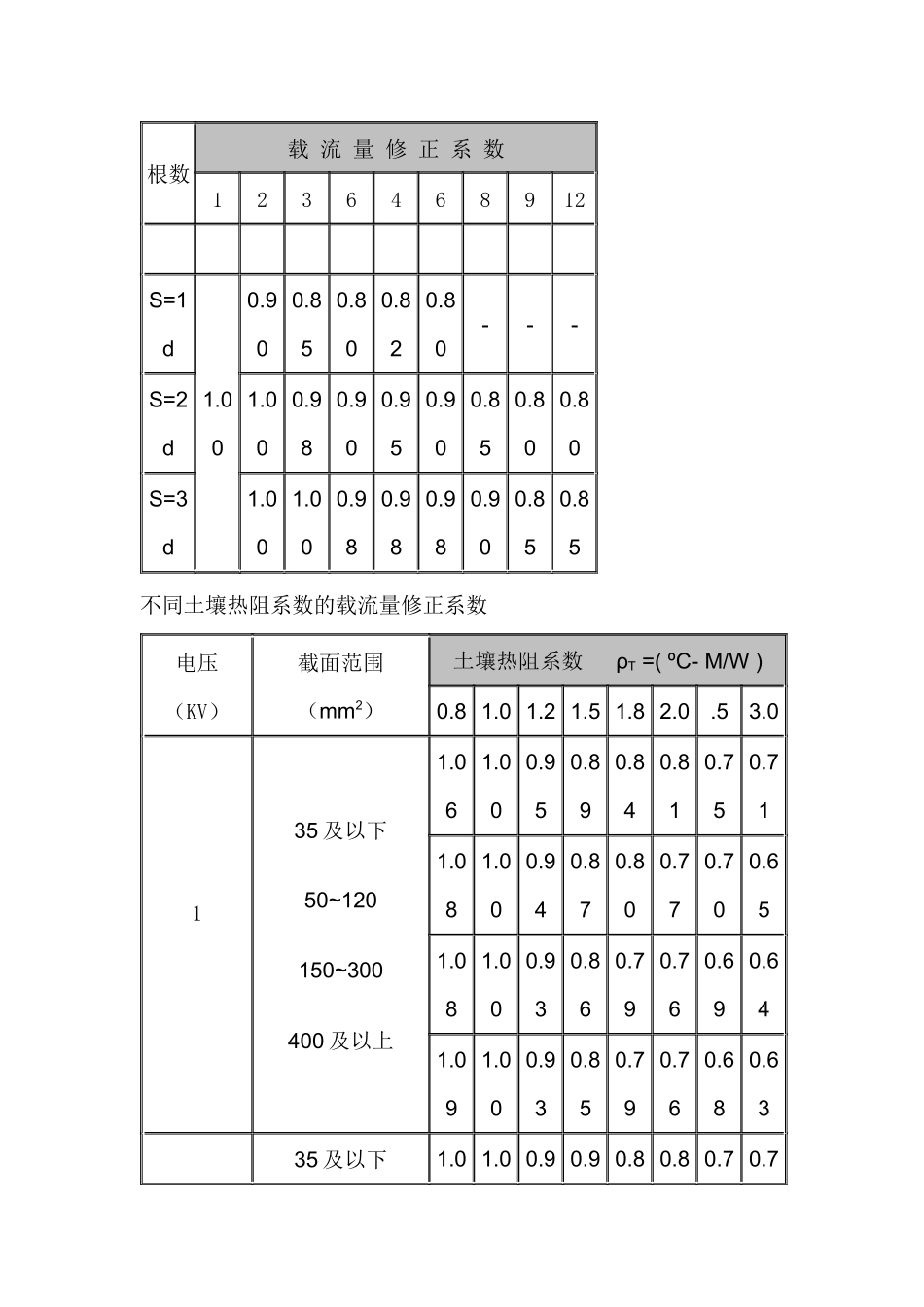
不同环境温度下载流量修正系数导体工作温度(ºC)环境温度(ºC)(空气中)101520253035404550501.701.621.521.421.321.221.000.75-601.581.501.411.321.221.111.000.860.73651.481.411.341.261.181.091.000.890.77701.411.351.291.221.151.081.000.910.81801.321.271.221.171.111.061.000.930.86901.261.221.181.141.091.041.000.940.89不同环境温度下载流量修正系数导体工作温度(ºC)环境温度(ºC)(土壤中)101520253035501.261.181.101.000.890.77601.201.131.071.000.930.85651.171.121.061.000.940.88701.151.111.051.000.940.88801.131.091.041.000.950.90901.111.071.041.000.960.92电缆在空气中并列敷设时载流量修正系数根数载流量修正系数1236468912S=1d1.000.900.850.800.820.80---S=2d1.000.980.900.950.900.850.800.80S=3d1.001.000.980.980.980.900.850.85不同土壤热阻系数的载流量修正系数电压(KV)截面范围(mm2)土壤热阻系数ρT=(ºC-M/W)0.81.01.21.51.82.0.53.0135及以下50~120150~300400及以上1.061.000.950.890.840.810.750.711.081.000.940.870.800.770.700.651.081.000.930.860.790.760.690.641.091.000.930.850.790.760.680.6335及以下1.01.00.90.90.80.80.70.71050~120150~300400及以上505042601.061.000.940.880.820.800.730.681.071.000.940.870.810.780.710.661.071.000.930.870.810.770.710.65电线电缆穿管敷设于空气中载流量修正系数(参考值)穿管根数修正系数2~40.805~80.609~120.5012以上0.45注:1、穿管电缆根数系指有负荷且发热的导线根数。中性线或保护线可不计。2、一般情况下,穿管根数体积占管内体积的40%左右。3、当管子并列敷设时乘以0.95的修正系数。三芯或三个单芯电缆平行成组直埋于土壤中载流量修正系数(参考值)电缆间距组数23456相互接触70~100(mm)220~250(mm)0.790.6690.630.580.550.850.750.680.640.600.870.970.750.720.69电缆在桥架上无间距配置多层并列时持续载流量的校正系数叠置电缆层数水平排列1234梯架0.800.660.550.50托盘0.700.550.500.45不同埋地深度时载流量修正系数电压(KV)深度L(mm)修正系数L=7001.001.0070012修正系数0.800.600.500.45桥架修正系数叠置层数1234梯架0.800.650.550.50托盘0.700.550.500.45BV、BLV型绝缘线穿半硬塑料管、波纹管管径选择单位:mm导线截面(mm2)导线根数234567891011121.01.51620252.52532420625324010324050162540506335505063709563120注:半硬塑料管、波纹管的公称管径指外径。BV、BLV型绝缘线穿电线管管径选择单位:mm导线截面(mm2)导线根数234567891011121.0191.51619252.51941962532381038511632382538516435505164767095647612015018576注:1.电线管的管径指外径。2.电线管规格根据GB3640-83。BV、BLV型绝缘线穿钢管管径选择单位:mm导线截面(mm2)导线根数234567891011121.01.515202.546202510253240162540253240503550504065705065658095120658010015080185240100注:1.钢管的管径指内径。2.钢管规格根据GB3092-82《低压流体输送用焊接钢管》。BV、BLV型绝缘线穿硬塑料管(轻型)管径选择单位:mm导线截面(mm2)导线根数234567891011121....

1、当您付费下载文档后,您只拥有了使用权限,并不意味着购买了版权,文档只能用于自身使用,不得用于其他商业用途(如 [转卖]进行直接盈利或[编辑后售卖]进行间接盈利)。
2、本站所有内容均由合作方或网友上传,本站不对文档的完整性、权威性及其观点立场正确性做任何保证或承诺!文档内容仅供研究参考,付费前请自行鉴别。
3、如文档内容存在违规,或者侵犯商业秘密、侵犯著作权等,请点击“违规举报”。

碎片内容

不同环境温度下电缆载流量修正系数

确认删除?
VIP
微信客服
  • 扫码咨询
会员Q群
  • 会员专属群点击这里加入QQ群
客服邮箱
回到顶部