电脑桌面
添加小米粒文库到电脑桌面
安装后可以在桌面快捷访问

[重庆]办公楼精装修劳动力、机械设备计划VIP免费

[重庆]办公楼精装修劳动力、机械设备计划_第1页
1/44
[重庆]办公楼精装修劳动力、机械设备计划_第2页
2/44
[重庆]办公楼精装修劳动力、机械设备计划_第3页
3/44
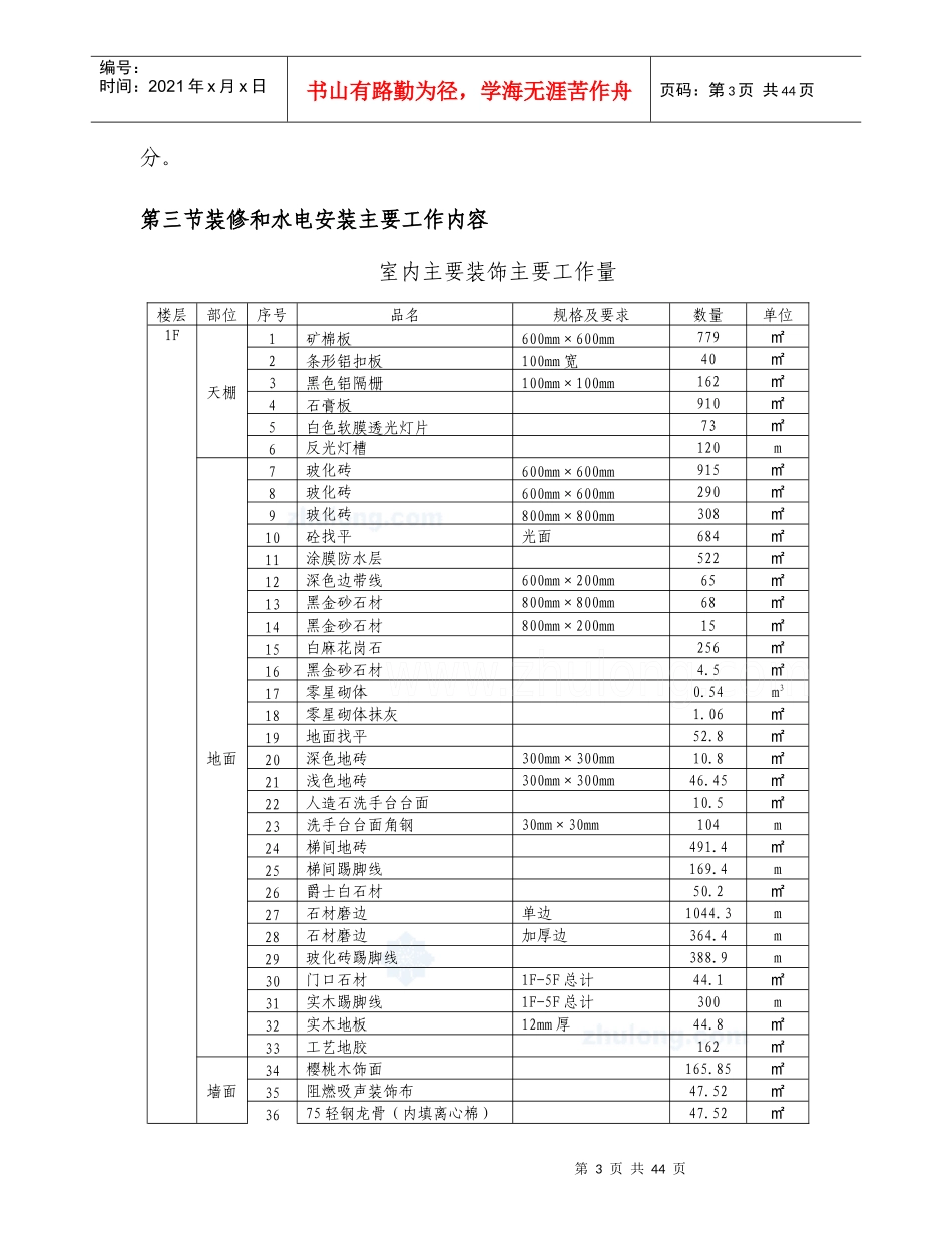
第1页共44页编号:时间:2021年x月x日书山有路勤为径,学海无涯苦作舟页码:第1页共44页第一章工程概况第一节建设基本概况(一)工程名称:XXXX工业(集团)有限责任公司整体搬迁技术改造项目技术中心精装修以及消防池、泵房工程(二)建设单位:XXXX工业(集团)有限责任公司(三)设计单位:重庆市轻工业设计院(四)招标代理:重庆市招标采购(集团)有限责任公司(五)工程地点:重庆市XX区XX工业园区长生组团J分区XX工业园XXX地块(六)工程规模:约10968.53㎡(其中1-5F为8624.58,地下㎡车库为2343.95)㎡(七)质量要求:达到国家、行业现行有关施工质量验收规范要求,并一次性验收合格。(八)工期要求:绝对日历工期75天。第二节建设规模和主要使用功能XXXX工业(集团)有限责任公司整体搬迁技术改造项目技术中心位于重庆市XX区XX工业园区长生组团J分区机电工业园19号地块,全框架现浇(钢筋混凝土)结构,地下二层,地上五层,工程总面积10968.53㎡(其中1-5F为8624.58,地下车库为㎡2343.95),其中㎡:一楼:销售库房27㎡;采购部80㎡;部长室29㎡、27㎡、26㎡;外协部80㎡;制造部27㎡;宣传展览室162㎡;保卫11㎡、29㎡;监控室18㎡;小会议室33㎡;洽谈室25㎡;市场策划25㎡;执行科108第2页共44页第1页共44页编号:时间:2021年x月x日书山有路勤为径,学海无涯苦作舟页码:第2页共44页㎡;营销部53㎡;副部长室53㎡;技术支持53㎡;储藏室27㎡;售后27㎡;冷机办公室27㎡;重庆片区办公室27㎡;男卫生间21㎡;女卫生间16㎡;其余为中庭、门厅、走廊、梯道公众区域部分。二楼:部长办公室27;会议室㎡30;资料室㎡23、㎡46、㎡48;成本科、材料科、资金科㎡162;价格科㎡53;主任办公室㎡29;品质管理室㎡56;项目经理室㎡28;洽谈室㎡26;质监部㎡53;㎡质监部长室27;人力资源部长室㎡27;人力资源部㎡53;后勤部㎡53;后勤部长室㎡27;党群部长室㎡25;团委㎡27;党群工作部㎡27;男卫㎡21;女卫㎡16;物流部㎡27;广播室㎡27;安装办公室㎡54;安装经理室㎡27;其余为电梯间、走廊、梯道公众区域部分。㎡三楼:打印复印室27;主任办公室㎡26;中心办公室㎡80;中㎡心资料室108;电脑维修室㎡17;计算机中心㎡37;保密办公室㎡16;保密办及资料室㎡45;机房㎡46;档案室㎡142、㎡158、㎡108、㎡108;男卫㎡21;女卫㎡16;网吧㎡27;档案管理员室㎡37;㎡发图室22;晒图室㎡54;其余为电梯间、走廊、梯道公众区域部分㎡。四楼:风机所长室27;风机研究所㎡270;冷机研究所㎡60;㎡涉密设计室46;冷机所长室㎡29;冷机研究所㎡219;工艺研究所㎡243;工艺所长室㎡27;男卫㎡21;女卫㎡16;工艺所(定额)㎡54;电器研究所㎡31;会议室㎡53;其余为交流平台、电梯间、走廊㎡、梯道公众区域部分。五楼:休息室25、㎡25;大办公室㎡56、㎡56;办公室主任室㎡23;公司办公室㎡80;打字复印室㎡25;贵宾室㎡62;总代理室㎡28;代表室㎡18;会议准备室㎡30;会议室㎡113;储藏室㎡18;活㎡动室90;小会议室㎡53;副总工室㎡27、㎡27;副总经理室㎡39、㎡39、㎡39、㎡39、㎡39、㎡39、㎡41;男卫㎡21;女卫㎡16;㎡保洁员工房20;其余为交流平台、电梯间、走廊、梯道公众区域部㎡第3页共44页第2页共44页编号:时间:2021年x月x日书山有路勤为径,学海无涯苦作舟页码:第3页共44页分。第三节装修和水电安装主要工作内容室内主要装饰主要工作量楼层部位序号品名规格及要求数量单位1F天棚1矿棉板600mm×600mm779㎡2条形铝扣板100mm宽40㎡3黑色铝隔栅100mm×100mm162㎡4石膏板910㎡5白色软膜透光灯片73㎡6反光灯槽120m地面7玻化砖600mm×600mm915㎡8玻化砖600mm×600mm290㎡9玻化砖800mm×800mm308㎡10砼找平光面684㎡11涂膜防水层522㎡12深色边带线600mm×200mm65㎡13黑金砂石材800mm×800mm68㎡14黑金砂石材800mm×200mm15㎡15白麻花岗石256㎡16黑金砂石材4.5㎡17零星砌体0.54m318零星砌体抹灰1.06㎡19地面找平52.8㎡20深色地砖300mm×300mm10.8㎡21浅色地砖300mm×300mm46.45㎡22人造石洗手台台面10.5㎡23洗手台台面角钢30mm×30mm104m24梯间地砖491.4㎡25梯间踢脚线169.4...

1、当您付费下载文档后,您只拥有了使用权限,并不意味着购买了版权,文档只能用于自身使用,不得用于其他商业用途(如 [转卖]进行直接盈利或[编辑后售卖]进行间接盈利)。
2、本站所有内容均由合作方或网友上传,本站不对文档的完整性、权威性及其观点立场正确性做任何保证或承诺!文档内容仅供研究参考,付费前请自行鉴别。
3、如文档内容存在违规,或者侵犯商业秘密、侵犯著作权等,请点击“违规举报”。

碎片内容

[重庆]办公楼精装修劳动力、机械设备计划

确认删除?
VIP
微信客服
  • 扫码咨询
会员Q群
  • 会员专属群点击这里加入QQ群
客服邮箱
回到顶部