电脑桌面
添加小米粒文库到电脑桌面
安装后可以在桌面快捷访问

住宅小区电气安装施工方案培训资料VIP免费

住宅小区电气安装施工方案培训资料_第1页
1/36
住宅小区电气安装施工方案培训资料_第2页
2/36
住宅小区电气安装施工方案培训资料_第3页
3/36
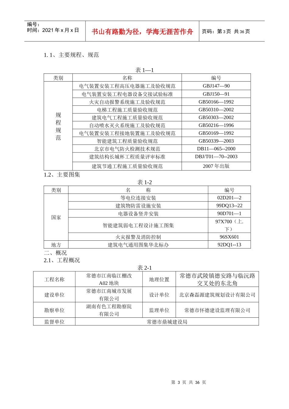
第1页共36页编号:时间:2021年x月x日书山有路勤为径,学海无涯苦作舟页码:第1页共36页常德市江南临江棚改A02地块电气安装施工方案第2页共36页第1页共36页编号:时间:2021年x月x日书山有路勤为径,学海无涯苦作舟页码:第2页共36页目录一、工程概况二、建筑设计概况1、专业设计结构三、施工1、施工准备阶段2、施工阶段3、施工管理3、安全管理四、电气工程主要机具准备五、劳动力计划与安排第3页共36页第2页共36页编号:时间:2021年x月x日书山有路勤为径,学海无涯苦作舟页码:第3页共36页1.1、主要规程、规范表1—1类别名称编号规程规范电气装置安装工程高压电器施工及验收规范GBJ147—90电气装置安装工程电器设备交接试验标准GBJ150—91火灾自动报警系统施工及验收规范GB50166—1992电梯工程施工质量验收规范GB50310—2002建筑电气工程施工质量验收规范GB50303—2002自动喷水灭火系统施工及验收规范GB50216—1996电气装置安装工程接地装置施工及验收规范GB50169—1992智能建筑工程质量验收规范GB50339—2003北京市电气防火检测技术规范DB11—065--2000建筑结构长城杯工程质量评审标准DBJ/T01—70--2003建筑节通工程施工质量验收规范2007年出版1.2、主要图集表1-2类别名称编号国家等电位连接安装02D201—2建筑物防雷设施安装99DQ13--22电器设备竖井安装90D701—1智能建筑弱电工程设计施工图集97X700(上.下)火灾报警及消防控制96SX601地方建筑电气通用图集华北标办92DQ1--13二、概况2.1、工程概况表2-1工程名称常德市江南临江棚改A02地块地理位置常德市武陵镇德安路与临沅路交叉处的东北角建设单位常德市江南城市发展有限公司设计单位北京森磊源建筑规划设计有限公司勘察单位湖南有色工程勘察院有限公司监理单位常德市怀德建设监理有限公司监督单位常德市鼎城建设局第4页共36页第3页共36页编号:时间:2021年x月x日书山有路勤为径,学海无涯苦作舟页码:第4页共36页2.2、建筑设计概况建筑面积:地下室建筑面积57000㎡,地上九栋建筑面积113000㎡,共计约170000㎡。建筑层数及高度:地下三层,1#楼~5#楼为33层,建筑高度102.350m,6#楼~9#楼为28层,建筑高度95.450m,2、结构概况1、本工程设计为甲类建筑,结构设计使用年限为50年,建筑结构的安全等级为二级。2、结构形式为框架剪力墙结构,抗震设防烈度为七度;结构的抗震等级为二级,主体抗震等级二级,地下室抗震等级为二级。3、本建筑物防火设计的建筑分类为二类,上部建筑耐火等级为二级,地下为一级。4、本工程现浇各部件混凝土强度等级、厚度及抗渗等级设计如下:序号1#~5#楼部位强度等级6#~9#部位强度等级11~3层墙、柱C501~3层墙、柱C5024~10层墙、柱C454~8层墙、柱C45311~15层墙、柱C409~13层墙、柱C40416~20层墙、柱C3514~18层墙、柱C35521层及以上墙、柱C3019层及以上墙、柱C3062~20层梁、板C352~13层梁、板C35721层及以上梁板C3014层及以上梁板C302.3专业设计概况项目名称设计要求系统做法管线类别1电力电梯电讯照明楼梯采用声光控,住宅公共部分部分装设应急照明,出口标示灯干线式配线,导线穿SC焊接钢管采用SC焊接钢管敷设,穿BV—500V-2.5mm塑料铜芯线.低于2.4米灯具加装接地线动力(1)在地下车库内设置变配电所,引来两路高压电源,低压电源由变配电室低压柜供给,各楼分别由变配电所电缆引接动力、照明三相380/220V电源至建筑电缆明敷在桥架上,若不敷在桥架上,应穿SC焊接钢管敷设。控制线采用KVV型电缆,与消防有关的控制第5页共36页第4页共36页编号:时间:2021年x月x日书山有路勤为径,学海无涯苦作舟页码:第5页共36页л接室,地下层配电柜采用干线式供电。每楼的照明,电梯及公用电源引自高压不同的回路的变压器供电。线为ZR-KVV阻燃型电缆配电系统动力、照明住宅动力设计量总表,照明设户表及支路计量表计,人防用电均设单独计量;住宅电表设在公共走道内安装防雷接地屋顶设避雷带,防雷等级为三类。在屋面采用☉10镀锌圆钢作避雷带,凡突出屋面的金属构件,金属通风管,屋顶风机与避雷接地焊接。引下线利用柱子或剪力墙内的四根☉16以上的主筋通长焊接作为引下线,引下线上端与避雷带焊接,下端与...

1、当您付费下载文档后,您只拥有了使用权限,并不意味着购买了版权,文档只能用于自身使用,不得用于其他商业用途(如 [转卖]进行直接盈利或[编辑后售卖]进行间接盈利)。
2、本站所有内容均由合作方或网友上传,本站不对文档的完整性、权威性及其观点立场正确性做任何保证或承诺!文档内容仅供研究参考,付费前请自行鉴别。
3、如文档内容存在违规,或者侵犯商业秘密、侵犯著作权等,请点击“违规举报”。

碎片内容

住宅小区电气安装施工方案培训资料

您可能关注的文档

确认删除?
VIP
微信客服
  • 扫码咨询
会员Q群
  • 会员专属群点击这里加入QQ群
客服邮箱
回到顶部