电脑桌面
添加小米粒文库到电脑桌面
安装后可以在桌面快捷访问

中考物理试题分类汇编(五)电阻的测量专题VIP免费

中考物理试题分类汇编(五)电阻的测量专题_第1页
1/19
中考物理试题分类汇编(五)电阻的测量专题_第2页
2/19
中考物理试题分类汇编(五)电阻的测量专题_第3页
3/19
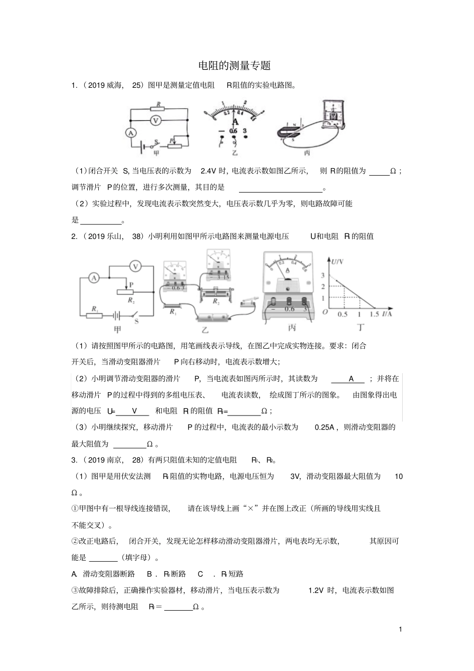
1电阻的测量专题1.(2019威海,25)图甲是测量定值电阻R阻值的实验电路图。(1)闭合开关S,当电压表的示数为2.4V时,电流表示数如图乙所示,则R的阻值为Ω;调节滑片P的位置,进行多次测量,其目的是。(2)实验过程中,发现电流表示数突然变大,电压表示数几乎为零,则电路故障可能是。2.(2019乐山,38)小明利用如图甲所示电路图来测量电源电压U和电阻R1的阻值(1)请按照图甲所示的电路图,用笔画线表示导线,在图乙中完成实物连接。要求:闭合开关后,当滑动变阻器滑片P向右移动时,电流表示数增大;(2)小明调节滑动变阻器的滑片P,当电流表如图丙所示时,其读数为A;并将在移动滑片P的过程中得到的多组电压表、电流表读数,绘成图丁所示的图象。由图象得出电源的电压U=V和电阻R1的阻值R1=Ω;(3)小明继续探究,移动滑片P的过程中,电流表的最小示数为0.25A,则滑动变阻器的最大阻值为Ω。3.(2019南京,28)有两只阻值未知的定值电阻R1、R2。(1)图甲是用伏安法测R1阻值的实物电路,电源电压恒为3V,滑动变阻器最大阻值为10Ω。①甲图中有一根导线连接错误,请在该导线上画“×”并在图上改正(所画的导线用实线且不能交叉)。②改正电路后,闭合开关,发现无论怎样移动滑动变阻器滑片,两电表均无示数,其原因可能是(填字母)。A.滑动变阻器断路B.R1断路C.R1短路③故障排除后,正确操作实验器材,移动滑片,当电压表示数为1.2V时,电流表示数如图乙所示,则待测电阻R1=Ω。2④现有以下三组数据,分析可知,不可能通过以上实验获得的数据有(填序号)。(2)图丙是能巧测R2阻值的实验电路图。图中R为电阻箱,R0为定值电阻(阻值未知)。要求仅利用电阻箱读数表达R2的阻值请在空白处填上适当内容。①将开关接a,调节电阻箱和滑动变阻器滑片P至适当位置,记下;②将开关接b,调节,保持不变,记下;③则R2=。4.(2019年郴州,27)为了测量电源电压和定值电阻,某物理小组设计了如图甲所示的电路。(1)根据图甲所示电路,用笔画线表示导线,将实物电路补充完整;(2)闭合开关前,滑动变阻器的滑片应放在(选填“a”或“b”)端;(3)假设电源电压恒为U0,定值电阻的阻值为R1.如果电压表示数用U表示,电流表示数用I表示,则U与I的关系式为U=(用U0、I、R1表示);(4)检查电路无误后,闭合开关S,移动滑动变阻器的滑片P,进行多次实验,记录电流表和电压表的读数,并画出了U﹣I图象,如图丙所示。图象是一条直线,与U、I坐标轴分别交于3V和0.6A处。由此可知,电源电压U0=V,定值电阻R1=Ω。35.(2019福建,30)现要测量电阻RX的阻值,提供的实验器材有:待测电阻Rx(约5Ω)、两节干电池、电流表、电压表、滑动变阻器、开关及导线若干°(1)用笔画线代替导线,将图1中的实物图连接完整,要求滑动变阻器的滑片P向接线柱D移动时接入电路的阻值变小。(2)正确连线后,闭合开关,移动滑片P,电流表示数几乎为零,电压表示数接近电源电压且几乎不变。若电路中只有一处故障,可判断该故障是。(3)排除故障继续实验,某次测量,电流表的示数为0.50A,电压表的示数如图2,该示数为V,则Rx=Ω。(4)某同学利用电源(电压未知)、电阻箱(0﹣999.9Ω)和电流表(指针能正常偏转,但刻度盘示数模糊不清)等器材,测电阻Rx的阻值,设计的电路如图3.完成下列实验步骤:①正确连接电路,断开S1、S2,将电阻箱R阻值调至最大;②;③;④电阻Rx=。(用测得量的符号表示)6.(2019天水,20)利用图甲所示的电路测量未知电阻Rx的阻值,阻值大约为5Ω。(])请你根据电路图用笔画线代导线,将图乙的实验电路连接完整。(2)闭合开关前,应将滑动变阻器的滑片置于______端(选填“A”或“B”)。(3)闭合开关,发现电压表和电流表均无示数。小芳利用另一只完好的电压表进行检测,把电压表分别接在a、b之间和b、c之间,电压表均有示数;接在a、c之间,电压表无示数。如果电路连接完好,只有一个元件有故障,该故障是______。(4)排除故障后,调节滑动变阻器,记录多组数据。画出了待测电阻Rx的I-U图象,如图丙所示。由图象可得Rx=______Ω.4(5)如图丁所示的实验电路图,...

1、当您付费下载文档后,您只拥有了使用权限,并不意味着购买了版权,文档只能用于自身使用,不得用于其他商业用途(如 [转卖]进行直接盈利或[编辑后售卖]进行间接盈利)。
2、本站所有内容均由合作方或网友上传,本站不对文档的完整性、权威性及其观点立场正确性做任何保证或承诺!文档内容仅供研究参考,付费前请自行鉴别。
3、如文档内容存在违规,或者侵犯商业秘密、侵犯著作权等,请点击“违规举报”。

碎片内容

中考物理试题分类汇编(五)电阻的测量专题

您可能关注的文档

确认删除?
VIP
微信客服
  • 扫码咨询
会员Q群
  • 会员专属群点击这里加入QQ群
客服邮箱
回到顶部