电脑桌面
添加小米粒文库到电脑桌面
安装后可以在桌面快捷访问

电梯买卖合同范本(DOC8页)VIP专享VIP免费

电梯买卖合同范本(DOC8页)_第1页
1/8
电梯买卖合同范本(DOC8页)_第2页
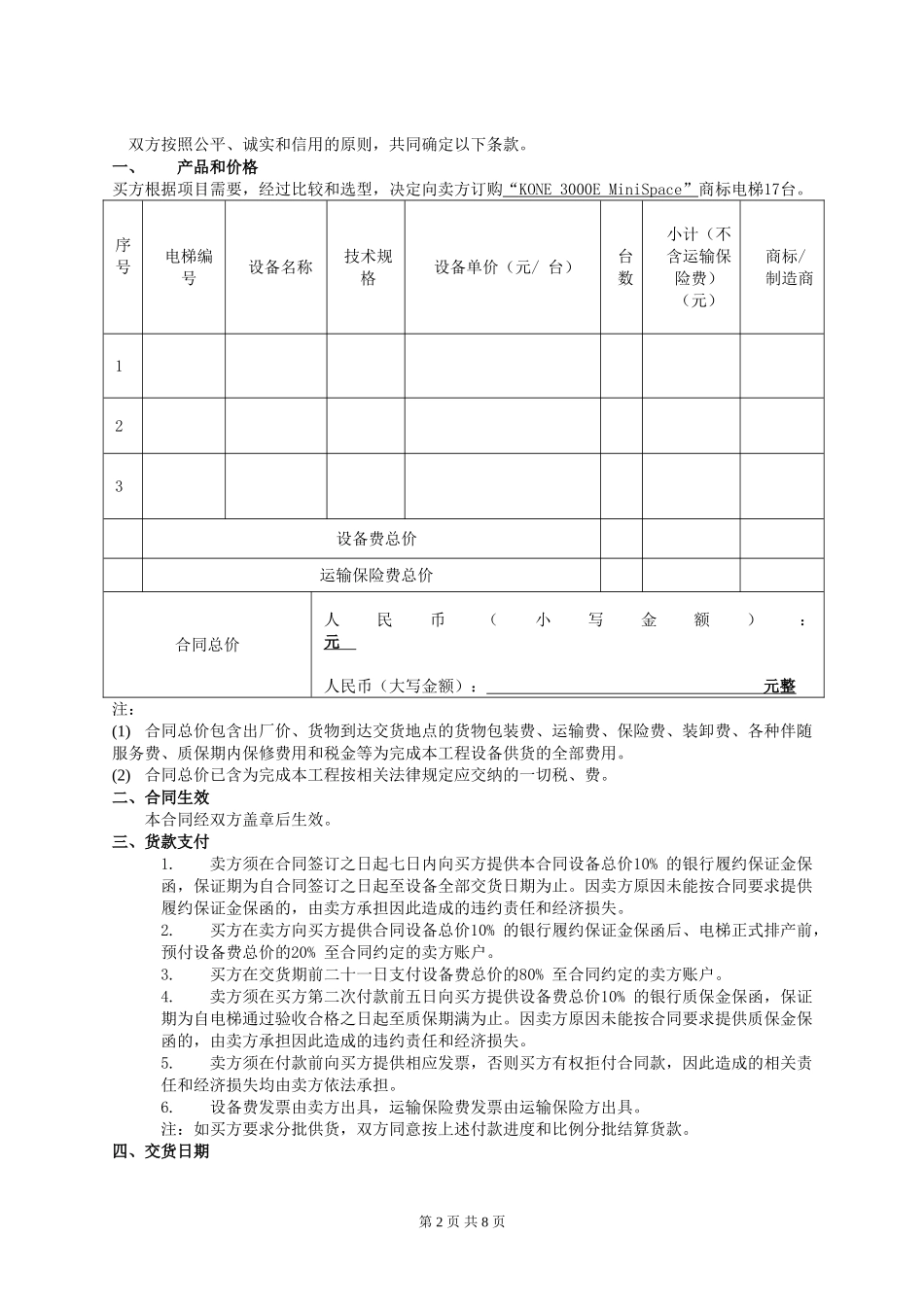
2/8
电梯买卖合同范本(DOC8页)_第3页
3/8
合同编号:(工程名称)电梯产品买卖合同买方卖方单位名称:(章)单位名称:(章)法定地址:法定地址:法定代表人:法定代表人:法人委托人:法人委托人:电话:电话:传真:传真:邮政编码:邮政编码:开户银行:销售总部帐号:电话:传真:纳税人代码:邮政编码:邮政编码:开户银行:签订地址:郑州市帐号:签订日期:2011年月日纳税人代码:本合同产品安装现场地址:产品使用单位单位名称:单位地址:电话:传真:邮政编码:联系人:第1页共8页双方按照公平、诚实和信用的原则,共同确定以下条款。一、产品和价格买方根据项目需要,经过比较和选型,决定向卖方订购“KONE3000EMiniSpace”商标电梯17台。序号电梯编号设备名称技术规格设备单价(元/台)台数小计(不含运输保险费)(元)商标/制造商123设备费总价运输保险费总价合同总价人民币(小写金额):元人民币(大写金额):元整注:(1)合同总价包含出厂价、货物到达交货地点的货物包装费、运输费、保险费、装卸费、各种伴随服务费、质保期内保修费用和税金等为完成本工程设备供货的全部费用。(2)合同总价已含为完成本工程按相关法律规定应交纳的一切税、费。二、合同生效本合同经双方盖章后生效。三、货款支付1.卖方须在合同签订之日起七日内向买方提供本合同设备总价10%的银行履约保证金保函,保证期为自合同签订之日起至设备全部交货日期为止。因卖方原因未能按合同要求提供履约保证金保函的,由卖方承担因此造成的违约责任和经济损失。2.买方在卖方向买方提供合同设备总价10%的银行履约保证金保函后、电梯正式排产前,预付设备费总价的20%至合同约定的卖方账户。3.买方在交货期前二十一日支付设备费总价的80%至合同约定的卖方账户。4.卖方须在买方第二次付款前五日向买方提供设备费总价10%的银行质保金保函,保证期为自电梯通过验收合格之日起至质保期满为止。因卖方原因未能按合同要求提供质保金保函的,由卖方承担因此造成的违约责任和经济损失。5.卖方须在付款前向买方提供相应发票,否则买方有权拒付合同款,因此造成的相关责任和经济损失均由卖方依法承担。6.设备费发票由卖方出具,运输保险费发票由运输保险方出具。注:如买方要求分批供货,双方同意按上述付款进度和比例分批结算货款。四、交货日期第2页共8页1卖方在支付合同规定的第一次付款项且电梯安装图纸双方盖章确认后,38天内全部设备必须发送到施工现场。2卖方在约定期内未收到预付款,或双方未对电梯安装图纸确认的,卖方的交货日期将根据预付款收到的时间或产品确认的时间(二者中以后一时间为准)顺延。五、货物发送方式及地点由卖方负责办理托运和保险,运输保险费由买方在交货期前七日付至卖方账户。卖方负责卸车,产品送达后,买方对产品的箱数和箱体的完好进行清点并签收。产品交货地点:。六、产品包装卖方以合理的包装,保障产品符合正常运输的要求,因设备包装和装卸运输过程造成的设备损坏由卖方自行承担。七、产品质量保证1卖方须在合同签订之日起七日内,对买方现场进行全面勘察,完成电梯安装图纸的确认。保证本合同产品符合双方确认的产品规格以及买方现场安装条件,在产品交付时随机附产品出厂合格证书。2本合同中电梯产品按GB7588-2003《电梯制造与安装安全规范》标准制造。3在买方合理正常的保管和使用下,产品质量保修期为政府部门验收合格之日起的24个月,并且不超过合同约定交货日期起的30个月。4按照国务院《特种设备安全监察条例》(第373号令、第549号令)规定:电梯的安装、改造、维修,由电梯制造单位或者其通过合同委托、同意的单位进行。电梯制造单位对电梯质量以及安全运行涉及的质量问题负责。5在质量保证期内,卖方对产品本身的质量缺陷负责免费修理或更换,更换下的零部件所有权归卖方所有,由卖方统一回收。6产品投入使用之前,买方应仔细阅读卖方随机提供的《用户使用指南》以及国务院《特种设备安全监察条例》(第549号令),并遵照执行。7为使废旧印刷电路板不流入市场,进而切实保护用户利益,对所有电梯印刷电路板的更换必须以旧换新。8本合同内电梯设备所有不锈钢全部采用304材质。八、产品质量验收1本合同...

1、当您付费下载文档后,您只拥有了使用权限,并不意味着购买了版权,文档只能用于自身使用,不得用于其他商业用途(如 [转卖]进行直接盈利或[编辑后售卖]进行间接盈利)。
2、本站所有内容均由合作方或网友上传,本站不对文档的完整性、权威性及其观点立场正确性做任何保证或承诺!文档内容仅供研究参考,付费前请自行鉴别。
3、如文档内容存在违规,或者侵犯商业秘密、侵犯著作权等,请点击“违规举报”。

碎片内容

电梯买卖合同范本(DOC8页)

确认删除?
VIP
微信客服
  • 扫码咨询
会员Q群
  • 会员专属群点击这里加入QQ群
客服邮箱
回到顶部