电脑桌面
添加小米粒文库到电脑桌面
安装后可以在桌面快捷访问

玻璃幕墙工程检验批质量验收记录表VIP免费

玻璃幕墙工程检验批质量验收记录表_第1页
1/5
玻璃幕墙工程检验批质量验收记录表_第2页
2/5
玻璃幕墙工程检验批质量验收记录表_第3页
3/5
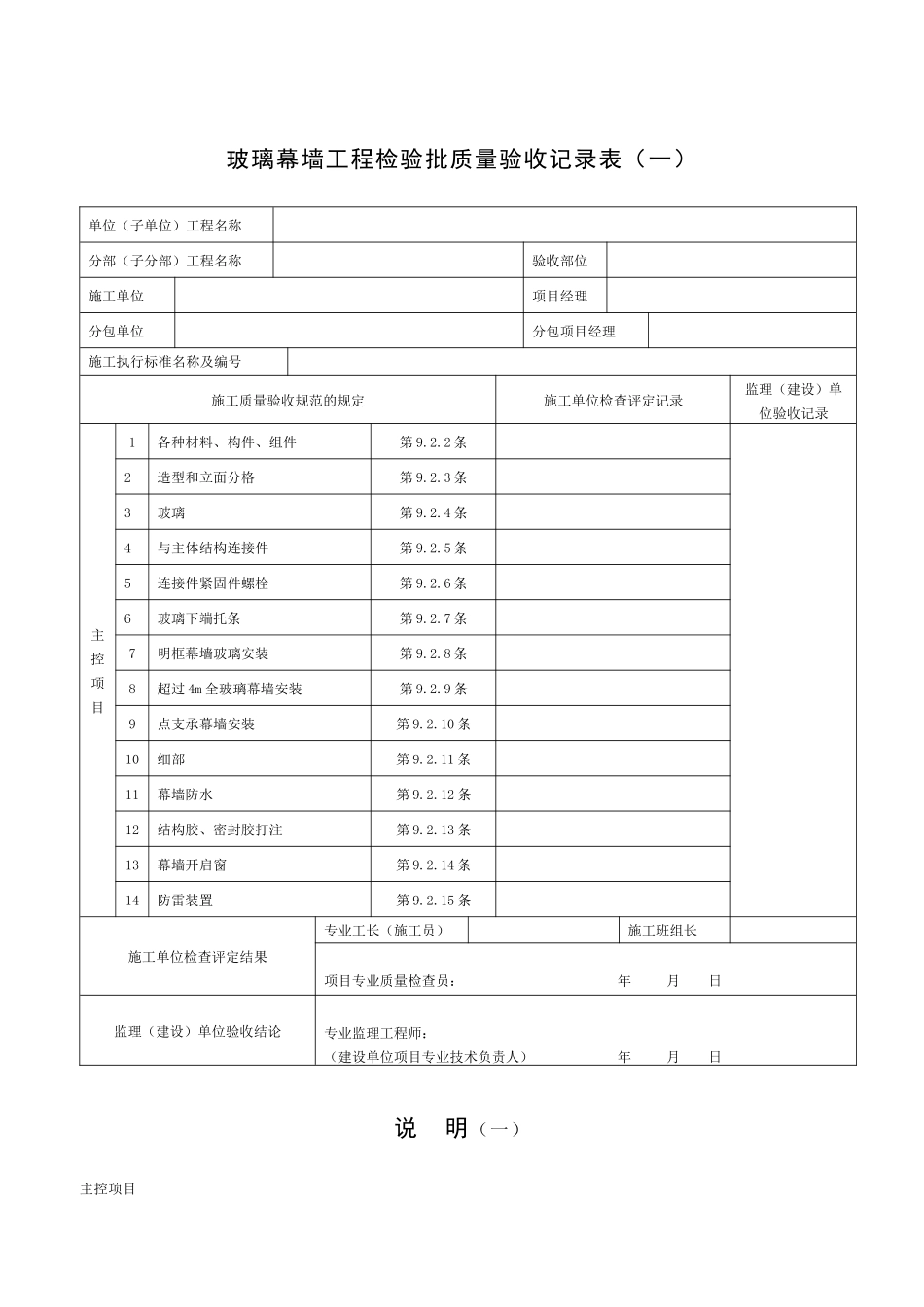
玻璃幕墙工程检验批质量验收记录表(一)单位(子单位)工程名称分部(子分部)工程名称验收部位施工单位项目经理分包单位分包项目经理施工执行标准名称及编号施工质量验收规范的规定施工单位检查评定记录监理(建设)单位验收记录主控项目1各种材料、构件、组件第9.2.2条2造型和立面分格第9.2.3条3玻璃第9.2.4条4与主体结构连接件第9.2.5条5连接件紧固件螺栓第9.2.6条6玻璃下端托条第9.2.7条7明框幕墙玻璃安装第9.2.8条8超过4m全玻璃幕墙安装第9.2.9条9点支承幕墙安装第9.2.10条10细部第9.2.11条11幕墙防水第9.2.12条12结构胶、密封胶打注第9.2.13条13幕墙开启窗第9.2.14条14防雷装置第9.2.15条施工单位检查评定结果专业工长(施工员)施工班组长项目专业质量检查员:年月日监理(建设)单位验收结论专业监理工程师:(建设单位项目专业技术负责人)年月日说明(一)主控项目1、玻璃幕墙工程所使用的各种材料、构件和组件的质量,应符合设计要求及国家现行产品标准和工程技术规范的规定。检查材料、构件、组件的产品合格证书、进场验收记录、性能检测报告和材料的复验报告。2、玻璃幕墙的造型和立面分格应符合设计要求。观察和尺量检查。3、玻璃幕墙使用的玻璃应符合下列规定。(1)幕墙应使用安全玻璃,玻璃的品种、规格、颜色、光学性能及安装方向应符合设计要求。(2)幕墙玻璃的厚度不应小于6.0mm。全玻幕墙肋玻璃的厚度不应小于12mm。(3)幕墙的中空玻璃应采用双道密封。明框幕墙的中空玻璃应采用聚硫密封胶及丁基密封胶;隐框和半隐框幕墙的中空玻璃应采用硅酮结构密封胶及丁基密封胶;镀膜面应在中空玻璃的第2或第3面上。(4)幕墙的夹层玻璃应采用聚乙烯醇缩丁醛(PVB)胶片干法加工合成的夹层玻璃。点支承玻璃幕墙夹层玻璃的夹层胶片(PVB)厚度不应小于0.76mm。(5)钢化玻璃表面不得有损伤;8.0mm、以下的钢化玻璃应进行引爆处理。(6)所有幕墙玻璃均应进行边缘处理。观察和尺量检查;检查施工记录。4、玻璃幕墙与主体结构连接的各种预埋件、连接件、紧固件必须安装牢固,其数量、规格,位置、连接方法和防腐处理应符合设计要求。观察和检查隐蔽工程验收记录和施工记录。5、各种连接件、紧固件的螺栓应有防松动措施;焊接连接应符合设计要求和焊按规范的规定。观察和检查隐蔽工程验收记录和施工记录。6、隐框或半隐框玻璃幕墙,每块玻璃下端应设置两个铝合金或不锈钢托条,其长度不应小于100,厚度不应小于2mm。托条外端应低于玻璃外表面2mm。观察和检查施工记录。7、明框玻璃幕墙的玻璃安装应符合下列规定:(1)玻璃槽口与玻璃的配合尺寸应符合设计要求和技术标准的规定。(2)玻璃与构件不得直接接触,玻璃四周与构件凹槽底部应保持一定的空隙,每块玻璃下部应至少放置两块宽度与槽口宽度相同、长度不小于l00mm的弹性定位垫块;玻璃两边嵌入量及空隙应符合设计要求。(3)玻璃四周橡胶条的材质、型号应符合设计要求,镶嵌应平整,橡胶条长度应比边框内槽长1.5~2.0%,橡胶条在转角处应斜面断开,并应用粘结剂粘结牢固后嵌入槽内。检验方法:观察;检查施工记录。8、高度超过4m的全玻幕墙应吊挂在主体结构上,吊夹具应符合设计要求,玻璃与玻璃、玻璃与玻璃肋之间的缝隙,应采用硅酮结构密封胶填嵌严密。观察和检查施工记录及隐蔽工程验收记录。9、点支承玻璃幕墙应采用带万向头的活动不锈钢爪,其钢爪间的中心距离应大于250mm。观察和尺量检查。10、玻璃幕墙四周、玻璃幕墙内表面与主体结构之间的连接节点,各种变形缝、墙角的连接节点应符合设计要求和技术标准的规定。观察和检查隐蔽工程验收记录和施工记录。11、玻璃幕墙应无渗漏。在易渗漏部位进行淋水检查。12、玻璃幕墙结构胶和密封胶的打注应饱满、密实、连续、均匀、无气泡,宽度和厚度应符合设计要求和技术标准的规定。观察和尺量检查;检查施工记录。13、玻璃幕墙开启窗的配件应齐全,安装应牢固,安装位置和开启方向、角度应正确:开启应灵活,关闭应严密。观察和开闭检查。14、玻璃幕墙的防雷装置必须与主体结构的防雷装置可靠连接。观察和检查隐蔽工程验收记录和施工记录。玻璃幕墙工程检验批质量验...

1、当您付费下载文档后,您只拥有了使用权限,并不意味着购买了版权,文档只能用于自身使用,不得用于其他商业用途(如 [转卖]进行直接盈利或[编辑后售卖]进行间接盈利)。
2、本站所有内容均由合作方或网友上传,本站不对文档的完整性、权威性及其观点立场正确性做任何保证或承诺!文档内容仅供研究参考,付费前请自行鉴别。
3、如文档内容存在违规,或者侵犯商业秘密、侵犯著作权等,请点击“违规举报”。

碎片内容

玻璃幕墙工程检验批质量验收记录表

您可能关注的文档

墨香书阁+ 关注
实名认证
内容提供者

热爱教学事业,对互联网知识分享很感兴趣

相关文档

确认删除?
VIP
微信客服
  • 扫码咨询
会员Q群
  • 会员专属群点击这里加入QQ群
客服邮箱
回到顶部