电脑桌面
添加小米粒文库到电脑桌面
安装后可以在桌面快捷访问

FMEA作业程序VIP免费

FMEA作业程序_第1页
1/12
FMEA作业程序_第2页
2/12
FMEA作业程序_第3页
3/12
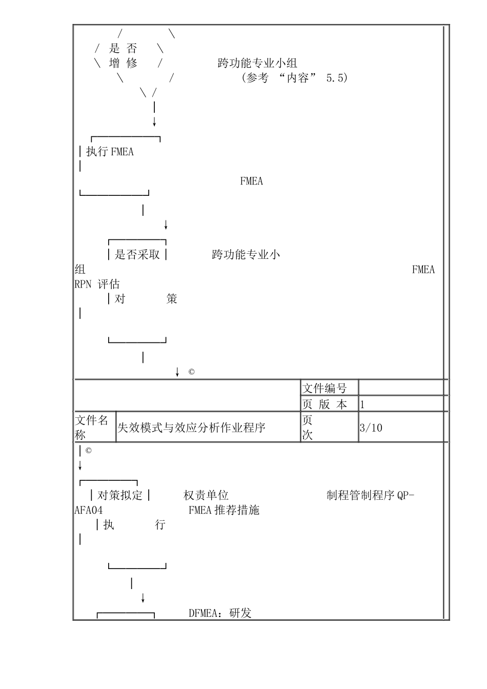
FMEA作业程序一.目的:为了在产品设计及正式生产时能有效防止任何不良发生,使产品能符合各项质量之要求。在产品设计与制造确定之前先探讨可能发生的失效原因,并评估其对产品、后制程及客户端的影响,并提供有效的解决及预防措施,以预防或降低制程异常的再发生,降低质量成本及产品不良率,并提升客户满意度。二.范围:凡本公司产品自设计至生产出货各阶段之新产品、新制程或将修订产品、制程皆可用本分析来预防不良之发生。并可监控制程中可能潜在之问题。三.权责:研发:负责DFMEA,跨功能小组协办。生技:负责PFMEA,跨功能小组协办。跨功能小组由研发及生技单位主管负责督导,品保及制造单位主管协辨并于必要时提出召开跨功能小组执行增修FMEA作业。研发部/生产部/品保部等工程师级(含)以上之主管组成一核心小组共同完成,此核心小组为所有影响制程的各部门代表。四.名词定义:4.1失效(Failure):是指产品丧失规定的功能,包括在现定条件下不能完成其规定的功能,或参数不能保持在规定范围内,或操作者失误,造成产品功能失效,及因应环境力变化导至功能丧失。4.2制程失效模式与效应分析:DFMEA为英文"DesignFailureModeandEffectsAnalysis"之缩写,,系质量规划构想阶段(第一阶段)中将客户期望转换成可靠度,再从产品设计与开发验证阶段(第二阶段)导入。本项分析,系以新产品为对象做系统化检讨及分析;用意在于事先预测、解决或监查制程中之潜在问题。PFMEA为英文"ProcessFailureModeandEffectsAnalysis"之缩写,其功能为事前鉴别出制程中可能发生之失效模式,并且加以文件化及数量化之评估,主要采用归纳法。4.3客户(Customer):后制程、销售对象、或使用者均属之。4.4制程功能/要求:所分析制程功能。4.5潜在失效模式:制程不能满足设计或规格需求时之现象。4.6失效的潜在效果:失效模式对客户之影响。4.7严重性(Severity):失效模式发生时,对客户之影响的严重性之评估指标。4.8失效的潜在原因与结构:失效如何发生之原因。4.9发生性(Occurrence):为失效原因发生频率之评估指针。4.10现行制程管制:为目前已经使用之措施,以预防失效发生或当失效发生时能被检出。文件编号页版本1文件名称失效模式与效应分析作业程序页次2/104.11侦测性(Detection):为在半成品流向后制程前,检出失效原因或失效模式之能力评估指针。4.12风险优先数(RPN):原文为〞RiskPriorityNumber":由严重性、发生性、侦测性三指数相乘所得,为是否实施对策改善之总评估指标。五.FMEA内容:5.1作业流程:流程权责单位相关说明表单──────────────────────────────────┌────┐DFMEA:研发失效模式与效应分析作业程序异常处理单QA-AQA26│资料准备│PFMEA:生技QP-AFA15└────┘制程管制程序QP-AFA04质量改善会议记录│(制造.品保等其↓他有关单位协办)↓┌────┐跨功能小组1.列出该产品应有之功│召开会议│能及不应有之功能会议记录└────┘2.列出制程特性│3.对每一作业可能出↓错之处加以明定/\/\/是否\\增修/跨功能专业小组\/(参考“内容”5.5)\/│↓┌─────┐│执行FMEA│FMEA└─────┘│↓┌────┐│是否采取│跨功能专业小组FMEARPN评估│对策│└────┘│↓©文件编号页版本1文件名称失效模式与效应分析作业程序页次3/10│©↓┌────┐│对策拟定│权责单位制程管制程序QP-AFA04FMEA推荐措施│执行│└────┘│↓┌────┐DFMEA:研发│效果确认│失效模式与效应分析作业程序FMEA改正后结果└────┘PFMEA:品保QP-AFA15│统计.分析及改善程序│QP-AQA11↓┌────┐│标准化│制造单位文件与数据管制文件修订.废止申请表└────┘程序QP-ARD01QF-ARD03文件修订纪录书QF-ARD015.2使用时机:当生产线导入新产品或新设备、新材料、制程变更、规格变更、制程不稳定、制程能力不足,均需进行或重新研拟制程FMEA作业。5.3跨功能专业小组之编成:须以技术支持能力及产品特性为考虑,人数不限,但至少包括品保、工程、制程各一员,其余材料、服务和供货商等部门视需要加入。5.4FMEA分析表作成:5.4.1DFMEA...

1、当您付费下载文档后,您只拥有了使用权限,并不意味着购买了版权,文档只能用于自身使用,不得用于其他商业用途(如 [转卖]进行直接盈利或[编辑后售卖]进行间接盈利)。
2、本站所有内容均由合作方或网友上传,本站不对文档的完整性、权威性及其观点立场正确性做任何保证或承诺!文档内容仅供研究参考,付费前请自行鉴别。
3、如文档内容存在违规,或者侵犯商业秘密、侵犯著作权等,请点击“违规举报”。

碎片内容

FMEA作业程序

墨香书阁+ 关注
实名认证
内容提供者

热爱教学事业,对互联网知识分享很感兴趣

确认删除?
VIP
微信客服
  • 扫码咨询
会员Q群
  • 会员专属群点击这里加入QQ群
客服邮箱
回到顶部