电脑桌面
添加小米粒文库到电脑桌面
安装后可以在桌面快捷访问

电能质量的基本概念VIP免费

电能质量的基本概念_第1页
1/28
电能质量的基本概念_第2页
2/28
电能质量的基本概念_第3页
3/28
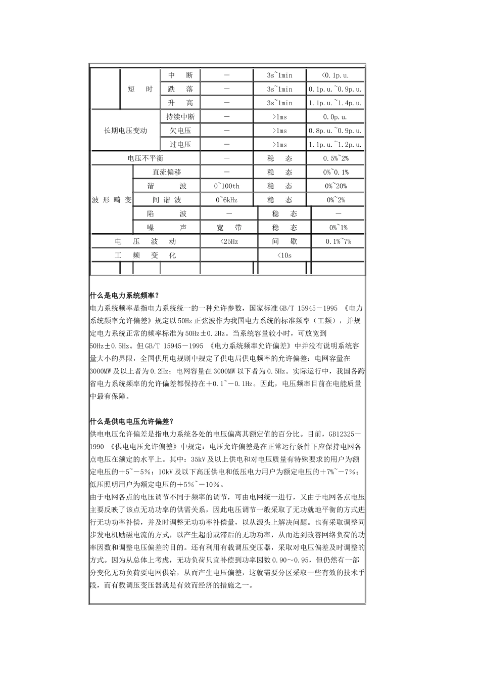
电能质量的概念什么是电能质量?电能质量是指通过公用电网供给用户端的交流电能的品质。理想状态的公用电网应以恒定的频率、正弦波形和标准电压对用户供电。同时,在三相交流系统中,各相电压和电流的幅值应大小相等、相位对称且互差120°。但由于系统中的发电机、变压器和线路等设备非线性或不对称,负荷性质多变,加之调控手段不完善及运行操作、外来干扰和各种故障等原因,这种理想的状态并不存在,因此产生了电网运行、电力设备和供用电环节中的各种问题,也就产生了电能质量的概念。围绕电能质量含义,从不同角度理解通常包括:(1)电压质量:是以实际电压与理想电压的偏差,反映供电企业向用户供应的电能是否合格的概念。这个定义能包括大多数电能质量问题,但不能包括频率造成的电能质量问题,也不包括用电设备对电网电能质量的影响和污染。(2)电流质量:反映了与电压质量有密切关系的电流的变化,是电力用户除对交流电源有恒定频率、正弦波形的要求外,还要求电流波形与供电电压同相位以保证高功率因素运行。这个定义有助于电网电能质量的改善和降低线损,但不能概括大多数因电压原因造成的电能质量问题。(3)供电质量:其技术含义是指电压质量和供电可靠性,非技术含义是指服务质量。包括供电企业对用户投诉的反映速度以及电价组成的合理性、透明度等。(4)用电质量:包括电流质量与反映供用电双方相互作用和影响中的用电方的权利、责任和义务,也包括电力用户是否按期、如数交纳电费等。目前针对电能质量问题研究的主要内容有哪些?目前,研究和解决电能质量问题已成为电力发展的当务之急。主要研究课题包括:(1)研究谐波对电网电能质量污染的影响并采取相应的对策。由于钢铁等金属熔炼企业的发展,化工行业整流设备的增加,大功率晶闸管整流装置及电力电子器件的开发应用,使公用电网的谐波影响日趋严重,电源的波形产生了严重的畸变,影响了电网安全可靠运行。(2)研究谐波对电力计量装置的影响并采取相应的措施。由于波形畸变,使电力计量的准确度与精确度到影响,致使计量误差,产生附加的功率损耗,造成不必要的经济损失。(3)研究电能质量污染对高新技术企业的影响并采取相应的技术手段。由于计算机系统和基于微电子技术控制的自动化生产流水线以及新兴的IT产业、微电子芯片制造企业等,对电能质量的要求和敏感程度比一般电力设备要高得多,任何暂态和瞬态的电能质量问题都可能造成设备的损坏或运行异常,影响正常的生产,给电力用户造成经济损失。(4)加强电能质量控装置的研制。电能质量控制装置的基本功能即使要在任何条件,甚至是极为恶劣的供电条件下改善电能质量,保证供电电压、电流的稳定、可靠,在谐波干扰产生的瞬间能立即将其抑制或消除。我国对电网的电能质量制定了哪些国家标准?(1)GB12325-1990《供电电压允许偏差》。(2)GB/T14549-1993《公用电网谐波》。5次7次(3)GT/T15543-1995《三相电压允许不平衡度》。(4)GB/T15945-1995《电力系统频率允许偏差》。(5)GB12326-2000《电压允许波动和闪变》。该标准是在GB12326-1990《电冶允许波动和闪变》的基础上,参考了国际电工委员会IEC电磁兼容IEC6100-3-7等文件和标准修订后重新颁布实施的。(6)GB/T18481-2001《电能质量暂时过电压和瞬态过电压》。国际电工委员会IEC对电能质量是怎样分类的?国际电工委员会IEC从电磁兼容及相互干扰的角度考虑,对引起电磁干扰的基本现象进行了分类,见表1-1。表1-1IEC对电能质量根据电磁干扰现象的分类方式序号电磁干扰现象对应电能质量产生的影响因素1传导型低频现象谐波、间谐波;载波干扰;电压波动;电压跌落和间断;电压不对称;工频偏差;感应低频电压;交流电网中的直流分量2辐射型低频现象工频电磁场3传导型高频现象感应连续波电压或电流;单方向瞬变;振荡性瞬变4辐射性高频现象磁场;电场;电磁场;连续波;瞬变5静电放电现象6核电磁脉冲国际电力电子工程师协会IEEE对电能质量问题是怎样分类的?国际电力电子工程师协会IEEE根据电压扰动的频谱特征、持续时间、幅值变化等将其进行了细分,并对供电系统典型的电磁干扰现象进行...

1、当您付费下载文档后,您只拥有了使用权限,并不意味着购买了版权,文档只能用于自身使用,不得用于其他商业用途(如 [转卖]进行直接盈利或[编辑后售卖]进行间接盈利)。
2、本站所有内容均由合作方或网友上传,本站不对文档的完整性、权威性及其观点立场正确性做任何保证或承诺!文档内容仅供研究参考,付费前请自行鉴别。
3、如文档内容存在违规,或者侵犯商业秘密、侵犯著作权等,请点击“违规举报”。

碎片内容

电能质量的基本概念

确认删除?
VIP
微信客服
  • 扫码咨询
会员Q群
  • 会员专属群点击这里加入QQ群
客服邮箱
回到顶部