电脑桌面
添加小米粒文库到电脑桌面
安装后可以在桌面快捷访问

玻璃隔墙工程检验批质量验收记录表VIP免费

玻璃隔墙工程检验批质量验收记录表_第1页
1/2
玻璃隔墙工程检验批质量验收记录表_第2页
2/2
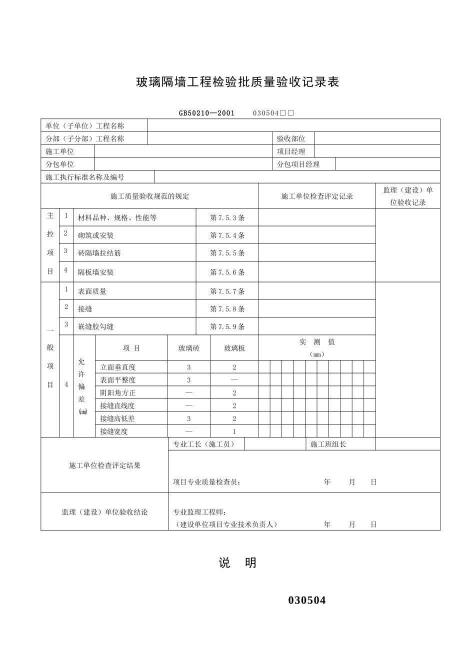
玻璃隔墙工程检验批质量验收记录表GB50210—2001030504□□单位(子单位)工程名称分部(子分部)工程名称验收部位施工单位项目经理分包单位分包项目经理施工执行标准名称及编号施工质量验收规范的规定施工单位检查评定记录监理(建设)单位验收记录主控项目1材料品种、规格、性能等第7.5.3条2砌筑或安装第7.5.4条3砖隔墙拉结筋第7.5.5条4隔板墙安装第7.5.6条一般项目1表面质量第7.5.7条2接缝第7.5.8条3嵌缝胶勾缝第7.5.9条4允许偏差(mm)项目玻璃砖玻璃板实测值(mm)立面垂直度32表面平整度3—阴阳角方正—2接缝直线度—2接缝高低差32接缝宽度—1施工单位检查评定结果专业工长(施工员)施工班组长项目专业质量检查员:年月日监理(建设)单位验收结论专业监理工程师:(建设单位项目专业技术负责人)年月日说明030504主控项目1、玻璃隔墙工程所用材料的品种、规格、性能、图案和颜色应符合设计要求。玻璃板隔墙应使用安全玻璃。观察和检查产品合格证书、进场验收记录和性能检测报告。2、玻璃砖隔墙的砌筑或玻璃板隔墙的安装方法应符合设计要求。观察检查。3、玻璃砖隔墙砌筑中埋设的拉结筋必须与基体结构连接牢固,并应位置正确。手扳和尺量检查及检查隐蔽工程验收记录。4、玻璃板隔墙的安装必须牢固。玻璃板隔墙胶垫的安装应正确。观察和手推检查及检查施工记录。一般项目1、玻璃隔墙表面应色泽一致、平整洁净、清晰美观。观察检查。2、玻璃隔墙接缝应横平竖直,玻璃应无裂痕、缺损和划痕。观察检查。3、玻璃板隔墙嵌缝及玻璃砖隔墙勾缝应密实平整、均匀顺直、深浅一致。观察检查。4、玻璃隔墙安装的允许偏差的检验方法。(1)立面垂直度,用2m垂直检测尺检查。(2)表面平整度,用2m靠尺和塞尺检查。(3)阴阳角方正,用直角检测尺检查。(4)接缝直线度,拉5m线,不足5m拉通线,用钢直尺检查。(5)接缝高低差,用钢直尺和塞尺检查。(6)接缝宽度,用钢直尺检查。

1、当您付费下载文档后,您只拥有了使用权限,并不意味着购买了版权,文档只能用于自身使用,不得用于其他商业用途(如 [转卖]进行直接盈利或[编辑后售卖]进行间接盈利)。
2、本站所有内容均由合作方或网友上传,本站不对文档的完整性、权威性及其观点立场正确性做任何保证或承诺!文档内容仅供研究参考,付费前请自行鉴别。
3、如文档内容存在违规,或者侵犯商业秘密、侵犯著作权等,请点击“违规举报”。

碎片内容

玻璃隔墙工程检验批质量验收记录表

您可能关注的文档

确认删除?
VIP
微信客服
  • 扫码咨询
会员Q群
  • 会员专属群点击这里加入QQ群
客服邮箱
回到顶部