电脑桌面
添加小米粒文库到电脑桌面
安装后可以在桌面快捷访问

钢筋混凝土预制桩检验批质量验收记录VIP免费

钢筋混凝土预制桩检验批质量验收记录_第1页
1/3
钢筋混凝土预制桩检验批质量验收记录_第2页
2/3
钢筋混凝土预制桩检验批质量验收记录_第3页
3/3
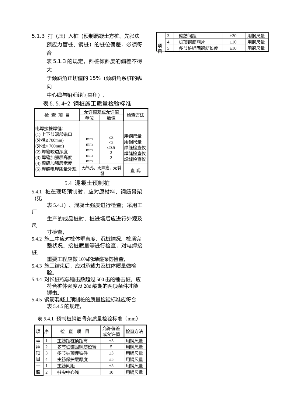
钢筋混凝土预制桩检验批质量验收记录(GB50202-2002)表5.4.5编号:010403□□□工程名称分项工程名称项目经理施工单位验收部位施工执行标准名称及编号专业工长(施工员)分包单位分包项目经理施工班组长质量验收规范的规定施工单位自检记录监理(建设)单位验收记录检查项目质量要求单位数值主控项目桩体质量检验按基桩检测技术规范1桩位允许偏差(mm)盖有基础梁的桩垂直基础梁中心线mm100+0.01H沿基础梁中心线mm150+0.01H桩数为1~3根桩基中的桩mm100桩数为4~16根桩基中的桩1/2桩径或边长桩数大于16根桩基中的桩最外边的桩1/3桩径或边长中间桩1/2桩径或边长注:H为施工现场地面标高与桩顶设计标高的距离。2承载力按基桩检测技术规范一般项目1砂、石、水泥、钢材质量(现场预制时)设计要求2成品桩外形表面平整、颜色均匀,掉角深度<10mm,蜂窝面积<总面积0.5%3成品桩裂缝(收缩或起吊、装运、堆放引起的裂缝)深度<20mm,宽度<0.25mm,横向不超过边长的1/24成品桩尺寸横截面边长mm±5桩顶对角线差mm<10桩尖中心线mm<10桩身弯曲矢高mm<1/1000l桩顶平整度mm<25电焊接桩焊缝质量见规范表5.5.4-2电焊结束后停歇时间min>1.0上下节平面偏差mm<10节点弯曲矢高mm<1/1000l6硫磺胶泥接桩:胶泥浇注时间浇注后停歇时间minmin<2>77桩顶标高mm±508停锤标准设计要求:施工操作依据质量检查记录施工单位检查结果评定项目专业项目专业质量质量检查员:(技术)负责人:年月日监理(建设)单位验收结论专业监理工程师:(建设单位项目专业技术负责人)年月日010403□□□说明强制性条文5.1.3打(压)入桩(预制混凝土方桩、先张法预应力管桩、钢桩)的桩位偏差,必须符合表5.1.3的规定。斜桩倾斜度的偏差不得大于倾斜角正切值的15%(倾斜角系桩的纵向中心线与铅垂线间夹角)。表5.5.4-2钢桩施工质量检验标准检查项目允许偏差或允许值检查方法单位数值电焊接桩焊缝:(1)上下节端部错口(外径≥700mm)(外径<700mm)(2)焊缝咬边深度(3)焊缝加强层高度(4)焊缝加强层宽度(5)焊缝电焊质量外观mmmmmmmmmm≤3≤2≤0.522用钢尺量用钢尺量焊缝检查仪焊缝检查仪焊缝检查仪无气孔,无焊瘤,无裂缝直观5.4混凝土预制桩5.4.1桩在现场预制时,应对原材料、钢筋骨架(见表5.4.1)、混凝土强度进行检查;采用工厂生产的成品桩时,桩进场后应进行外观及尺寸检查。5.4.2施工中应对桩体垂直度、沉桩情况、桩顶完整状况、接桩质量等进行检查,对电焊接桩,重要工程应做10%的焊缝探伤检查。5.4.3施工结束后,应对承载力及桩体质量做检验。5.4.4对长桩或总锤击数超过500击的锤击桩,应符合桩体强度及28d龄期的两项条件才能锤击。5.4.5钢筋混凝土预制桩的质量检验标准应符合表5.4.5的规定。表5.4.1预制桩钢筋骨架质量检验标准(mm)项序检查项目允许偏差或允许值检查方法主控项目1主筋距桩顶距离±5用钢尺量2多节桩锚固钢筋位置5用钢尺量3多节桩预埋铁件±3用钢尺量4主筋保护层厚度±5用钢尺量一般1主筋间距±5用钢尺量2桩尖中心线10用钢尺量项目3箍筋间距±20用钢尺量4桩顶钢筋网片±10用钢尺量5多节桩锚固钢筋长度±10用钢尺量5.4.5钢筋混凝土预制桩的质量检验标准项序检查项目允许偏差或允许值检查方法单位数值主控项目1桩体质量检验按基桩检测技术规范按基桩检测技术规范2桩位偏差见规范表5.1.3用钢尺量3承载力按基桩检测技术规范按基桩检测技术规范一般项目1砂、石、水泥、钢材等原材料(现场预制时)符合设计要求查出厂质保文件或抽样送检2混凝土配合比及强度(现场预制时)符合设计要求检查称量及查试块记录3成品桩外形表面平整,颜色均匀,掉角深度<10mm,蜂窝面积小于总面积0.5%直观4成品桩裂缝(收缩裂缝或起吊、装运、堆放引起的裂缝)深度<20mm,宽度<0.25mm,横向裂缝不超过边长的一半裂缝测定仪,该项在地下水有侵蚀地区及锤击数超过500击的长桩不适用5成品桩尺寸:横截面边长桩顶对角线差桩尖中心线桩身弯曲矢高桩顶平整度mmmmmmmm±5<10<10<11000L<2用钢尺量用钢尺量用钢尺量用钢尺量,L为桩长用水平尺量6电焊接桩:焊缝质量电焊结束后停歇时间上下节平面偏差节点弯曲矢高见规范表5.5.4-2见规范表5.5.4-2秒表测定用钢尺量...

1、当您付费下载文档后,您只拥有了使用权限,并不意味着购买了版权,文档只能用于自身使用,不得用于其他商业用途(如 [转卖]进行直接盈利或[编辑后售卖]进行间接盈利)。
2、本站所有内容均由合作方或网友上传,本站不对文档的完整性、权威性及其观点立场正确性做任何保证或承诺!文档内容仅供研究参考,付费前请自行鉴别。
3、如文档内容存在违规,或者侵犯商业秘密、侵犯著作权等,请点击“违规举报”。

碎片内容

钢筋混凝土预制桩检验批质量验收记录

您可能关注的文档

确认删除?
VIP
微信客服
  • 扫码咨询
会员Q群
  • 会员专属群点击这里加入QQ群
客服邮箱
回到顶部