电脑桌面
添加小米粒文库到电脑桌面
安装后可以在桌面快捷访问

报关单位相关表格VIP免费

报关单位相关表格_第1页
1/39
报关单位相关表格_第2页
2/39
报关单位相关表格_第3页
3/39
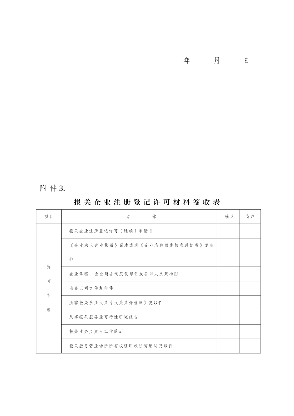
附件1.中华人民共和国黄埔海关报关企业(跨关区分支机构)注册登记许可(变更/延续)审批表申请人:联系人:联系电话:申请事项:()注册登记许可()注册登记许可变更()注册登记许可延续隶属海关审核意见经办关员:签名:年月日主管科长:签名:年月日主管关长:签名:年月日企业管理处审核意见经办关员:主管科长:签名:年月日签名:年月日主管处长:签名:年月日注:作出不予受理决定时,隶属海关经办关员、主管科长两级审批即可。附件2.报关企业注册登记许可(延续)申请书海关:本申请人已具备《中华人民共和国海关对报关单位注册登记管理规定》所列报关企业注册登记许可(延续)条件,并备齐申请材料,承诺所提交的材料真实、有效。现向你关提出报关企业注册登记许可(延续)申请,请予以受理。联系人:联系电话:申请人:(签印)年月日附件3.报关企业注册登记许可材料签收表项目名称确认备注许可申请报关企业注册登记许可(延续)申请书《企业法人营业执照》副本或者《企业名称预先核准通知书》复印件企业章程、企业财务制度复印件及公司人员架构图出资证明文件复印件所聘报关从业人员《报关员资格证》复印件从事报关服务业可行性研究报告报关业务负责人工作简历报关服务营业场所所有权证明或租赁证明复印件许可延续报关企业注册登记许可(延续)申请书《企业法人营业执照》副本复印件(本关区报关企业在黄埔关区内设有分支机构应同时提交各分支机构营业执照副本复印件)报关业务分析、报关差错情况及原因(本关区报关企业在黄埔关区内设有分支机构应在报关业务分析中具体列明各分支机构报关业务情况)《报关单位情况登记表》《报关员情况登记表》《出资者情况登记表》;《报关单位管理人员情况登记表》;《报关企业分支机构备案证书》复印件(限本关区报关企业在黄埔关区内有设立分支机构的提交)《国际货运代理企业备案表》复印件(限国际货运代理企业提交)《分支机构营业执照》副本复印件跨关区分支机构提供所属报关企业的《中华人民共和国海关报关企业报关注册登记证书》复印件分支机构《国际货运代理企业备案表》复印件(限国际货运代理企业提交)许报关企业(跨关区分支机构)注册登记许可变更申请书可变更《中华人民共和国海关报关企业报关注册登记证书》复印件(跨关区分支机构还应提交其所属报关企业的《中华人民共和国海关报关企业报关注册登记证书》复印件)企业变更决议,其中涉及资金变更的须提交验资报告,涉及名称变更的须提交《企业名称变更核准通知书》《企业法人营业执照》副本复印件提交单位:接收海关:(行政许可专用章)提交人:海关经办关员:接收时间:年月日附件4报关企业跨关区分支机构注册登记许可(延续)申请书海关:本申请人已具备《中华人民共和国海关对报关单位注册登记管理规定》所列报关企业跨关区分支机构注册登记许可(延续)条件,并备齐申请材料,承诺所提交的材料真实、有效。现向你关提出报关企业跨关区分支机构注册登记许可(延续)申请,请予以受理。联系人:联系电话:申请人:(签印)年月日附件5报关企业跨关区分支机构关封申请书黄埔海关:我单位拟在关区海关口岸申请设立分支机构,现申请你关开具报关企业跨关区分支机构注册登记许可相关证明材料,并提供以下文件资料:()《关于出具报关企业跨关区分支机构注册登记许可相关证明材料的申请》;()《中华人民共和国海关报关企业报关注册登记证书》复印件;()企业法人营业执照副本复印件;()企业申请报告。特此申请。申请单位:年月日隶属海关审核意见经办关员:签名:年月日主管科长:签名:年月日主管关长:签名:年月日企业管理处审核意见经办关员:签名:年月日主管科长:签名:年月日主管处长:签名:年月日附件6关于出具报关企业跨关区分支机构注册登记许可相关证明材料的申请中华人民共和国海关:本单位已在你关办理了注册登记手续,海关注册登记编码为,最近两年未因走私受过处罚。由于业务需要,拟到关区海关口岸(或海关监管业务集中地)开展代理报关业务。现递交《中华人民共和国海关报关企业注册登记证书》复印件和增资证明材料,特请你关出具报关企...

1、当您付费下载文档后,您只拥有了使用权限,并不意味着购买了版权,文档只能用于自身使用,不得用于其他商业用途(如 [转卖]进行直接盈利或[编辑后售卖]进行间接盈利)。
2、本站所有内容均由合作方或网友上传,本站不对文档的完整性、权威性及其观点立场正确性做任何保证或承诺!文档内容仅供研究参考,付费前请自行鉴别。
3、如文档内容存在违规,或者侵犯商业秘密、侵犯著作权等,请点击“违规举报”。

碎片内容

报关单位相关表格

确认删除?
VIP
微信客服
  • 扫码咨询
会员Q群
  • 会员专属群点击这里加入QQ群
客服邮箱
回到顶部