电脑桌面
添加小米粒文库到电脑桌面
安装后可以在桌面快捷访问

过程质量审核VIP免费

过程质量审核_第1页
1/42
过程质量审核_第2页
2/42
过程质量审核_第3页
3/42
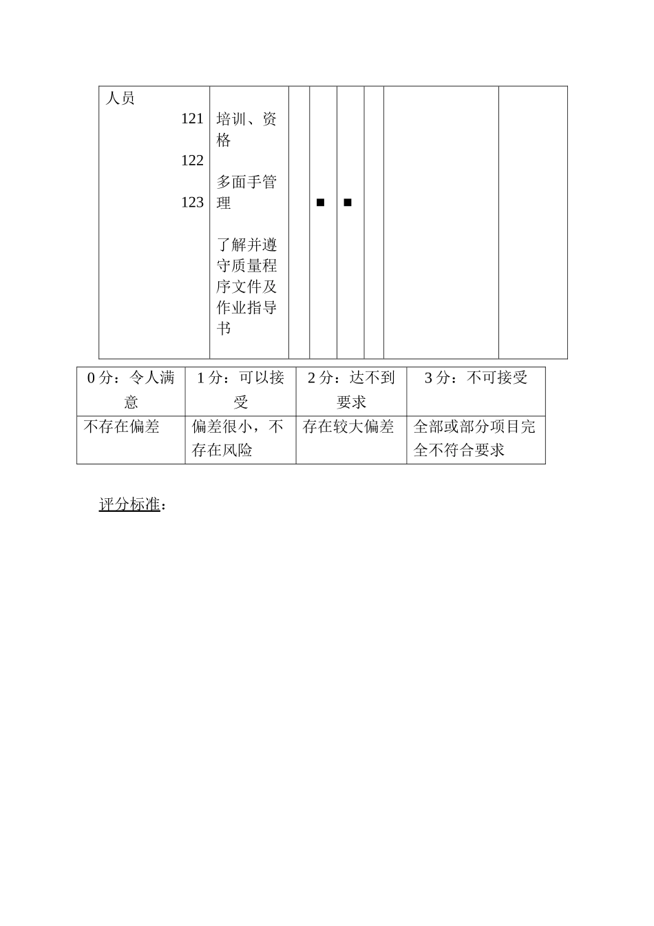
过程质量审核车间1、原材料验收审核员:被审核方:日期:章节:编号:项目:项目名称0123异常状况/备注纠正计划职责/权限组织111112113114115程序文件和作业指导书程序文件,特殊批次(如偏差回用批次)管理指导书程序文件,不合格品管理指导书有效期管理物流管理规则■■人员121122123培训、资格多面手管理了解并遵守质量程序文件及作业指导书■■评分标准:0分:令人满意1分:可以接受2分:达不到要求3分:不可接受不存在偏差偏差很小,不存在风险存在较大偏差全部或部分项目完全不符合要求产品131132133134135标识追溯性包装随附说明文件不合格品标识■■■■资源141142143记录搬运不合格品的隔离■■环境151152环境布局总数18项0分:令人满意1分:可以接受2分:达不到要求3分:不可接受不存在偏差偏差很小,不存在较大偏差全部或部分项目评分标准:过程质量审核车间2、贮存日期:章节:编号:项目:项目名称0123异常状况/备注纠正计划职责/权限存在风险完全不符合要求组织211212213214215216217218程序文件和作业指导书物流管理有效期管理修订部分管理不合格品管理设备的维修,调整和使用程序标识和可追溯性方式替换方式■■■■■■人员221222培训、资格多面手管理0分:令人1分:可以接受2分:达不到3分:不可接受评分标准:满意要求不存在偏差偏差很小,不存在风险存在较大偏差全部或部分项目完全不符合要求223了解并遵守程序文件和作业指导书■■产品231232233标识追溯性包装■■■■资源241标识及储存区域有242243244245246效性搬运资源(设备、人员)的适应性储存资源(设备、人员)的适应性不合格品的隔离资源替换(设备、人员)■■资源的记录与跟踪环境251252环境布局总数22项评分标准:0分:令人满意1分:可以接受2分:达不到要求3分:不可接受不存在偏差偏差很小,不存在风险存在较大偏差全部或部分项目完全不符合要求过程质量审核车间3、生产日期:章节:编号:项目:项目名称0123异常状况/备注纠正计划职责/权限组织31131231程序文件和作业指导书批准生产程序文件设备的使用、维■■■■3314315修、调整及跟踪程序文件工序变更程序文件不合格品管理的程序文件和作业指导收人员321322323培训、资格多面手管理了解并遵守程序文件和作业指导书■■评分标准:0分:令人满意1分:可以接受2分:达不到要求3分:不可接受不存在偏差偏差很小,不存在风险存在较大偏差全部或部分项目完全不符合要求产品331332333334标识可追溯性检验和试验状态合格品与不合格品的标识资源341标识342343344345346347工序能力指数设备的记录与跟踪设备调整、校准及维修防差错系统搬运■■■■348资源替换(设备、人员)不合格品的隔离环境351352环境布局、物流协调性总数22项0分:令人满意1分:可以接受2分:达不到要求3分:不可接受不存在偏差偏差很小,不存在风存在较大偏差全部或部分项目完全不评分标准:过程质量审核车间4、检验和试验日期:章节:编号:项目:项目名称0123异常状况/备注纠正计划职责/权限组织411412检验和试验程序、作业指导书设备与基准器的校准程序文件■■险符合要求413414415分承包程序文件设备使用、维修、调整及踊跃作业指导书记录和存档程序文件不合格品管理程序文件与作业指导书■■■■■■416人员421422培训、资格多面手管理评分标准:0分:令人满意1分:可以接受2分:达不到要求3分:不可接受不存在偏差偏差很小,不存在风险存在较大偏差全部或部分项目完全不符合要求423424了解并遵守程序文件及作业指导书资格■■■■产品431432433434标识可追溯性关键性能合格品与不合格品的标识资源441标识■■442443444445446性能工序能力指数记录方式典型、标准件、参照件不合格品的隔离■■■■环境能451452环境布局、物流协调性总数22项评分标准:过程质量审核车间5、搬运日期:0分:令人满意1分:可以接受2分:达不到要求3分:不可接受不存在偏差偏差很小,不存在风险存在较大偏差全部或部分项目完全不符合要求章节:编号:项目:项目名称0123异常状况/备注纠正计划职责/权限组织511512513程序文件与作业指导书文件修订管理设备调整及维修时使用的程序文件514不合格...

1、当您付费下载文档后,您只拥有了使用权限,并不意味着购买了版权,文档只能用于自身使用,不得用于其他商业用途(如 [转卖]进行直接盈利或[编辑后售卖]进行间接盈利)。
2、本站所有内容均由合作方或网友上传,本站不对文档的完整性、权威性及其观点立场正确性做任何保证或承诺!文档内容仅供研究参考,付费前请自行鉴别。
3、如文档内容存在违规,或者侵犯商业秘密、侵犯著作权等,请点击“违规举报”。

碎片内容

过程质量审核

确认删除?
VIP
微信客服
  • 扫码咨询
会员Q群
  • 会员专属群点击这里加入QQ群
客服邮箱
回到顶部