电脑桌面
添加小米粒文库到电脑桌面
安装后可以在桌面快捷访问

房建轻质隔墙工程施工质量验收记录表VIP免费

房建轻质隔墙工程施工质量验收记录表_第1页
1/7
房建轻质隔墙工程施工质量验收记录表_第2页
2/7
房建轻质隔墙工程施工质量验收记录表_第3页
3/7
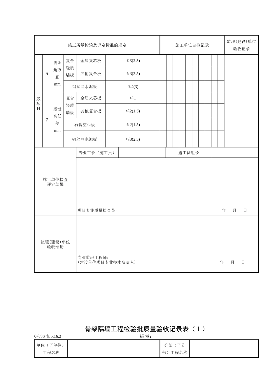
板材隔墙工程检验批质量验收记录表(Ⅰ)Q/CSG表5.16.1编号:单位(子单位)工程名称分部(子分部)工程名称分项工程名称验收部位施工单位项目经理分包单位分包项目经理施工执行标准(或规范)名称及编号施工质量检验及评定标准的规定施工单位自检记录监理(建设)单位验收记录主控项目1材料质量板材品种、规格、性能、颜色应符合设计要求。有隔声、隔热、阻燃、防潮等特殊要求的工程,板材应有相应性能等级的检测报告2预埋件、连接件安装隔墙板材所需预埋件、连接件的位置、数量及连接方法应符合设计要求3安装质量板材安装必须牢固。现制钢丝网水泥隔墙与周边墙体的连接方法应符合设计要求,并应连接牢固4接缝材料品种及方法应符合设计要求一般项目1板材安装应垂直、平整、位置正确,板材不应有裂缝或缺损2表面质量表面应平整光滑、色泽一致、洁净,接缝应均匀、顺直3孔洞、槽、盒质量隔墙上的孔洞、槽、盒应位置正确、套割方正、边缘整齐4立面垂直度复合轻质金属夹芯板≤2(1.5)其他复合板≤3(2.5)石膏空心板≤3(2.5)钢丝网水泥板≤3(2.5)5表面平整度复合轻质金属夹芯板≤2(1.5)其他复合板≤3(2.5)石膏空心板≤3(2.5)钢丝网水泥板≤3(2.5)板材隔墙工程检验批质量验收记录表(Ⅱ)Q/CSG表5.16.1(续)编号:施工质量检验及评定标准的规定施工单位自检记录监理(建设)单位验收记录一般项目6阴阳角方正mm复合轻质墙板金属夹芯板≤3(2.5)其他复合板≤3(2.5)钢丝网水泥板≤4(3)7接缝高低差mm复合轻质墙板金属夹芯板≤1其他复合板≤2(1.5)石膏空心板≤2(1.5)钢丝网水泥板≤3(2.5)施工单位检查评定结果专业工长(施工员)施工班组长项目专业质量检查员:年月日监理(建设)单位验收结论专业监理工程师:(建设单位项目专业技术负责人)年月日骨架隔墙工程检验批质量验收记录表(Ⅰ)Q/CSG表5.16.2编号:单位(子单位)工程名称分部(子分部)工程名称分项工程名称验收部位施工单位项目经理分包单位分包项目经理施工执行标准(或规范)名称及编号施工质量检验及评定标准的规定施工单位自检记录监理(建设)单位验收记录主控项目1防火和防腐处理☆木龙骨及木墙面板的防火和防腐处理必须符合设计要求2材料质量骨架隔墙所用龙骨、配件、墙面板、填充材料及嵌缝材料的品种、规格、性能和木材的含水率应符合设计要求。有隔声、隔热、阻燃、防潮等特殊要求的工程,材料应有相应性能等级的检测报告3龙骨连接骨架隔墙工程边框龙骨必须与基体结构连接牢固,并应平整、垂直、位置正确4龙骨间距和构造连接方法符合设计要求。骨架内设备管线的安装、门窗洞口等部位加强龙骨应安装牢固、位置正确,填充材料的设置应符合设计要求5墙面板安装安装牢固,无脱层、翘曲、折裂及缺损6接缝材料品种及方法应符合设计要求一般项目1表面质量骨架隔墙表面应平整光滑、色泽一致、洁净、无裂缝,接缝应均匀、顺直2孔洞、槽、盒质量骨架隔墙上的孔洞、槽、盒应位置正确、套割吻合、边缘整齐3填充材料应干燥,填充应密实、均匀、无下坠4立面垂直度mm纸面石膏板≤3(2.5)人造木板、水泥纤维板≤4(3)骨架隔墙工程检验批质量验收记录表(Ⅱ)Q/CSG表5.16.2(续)编号:施工质量检验及评定标准的规定施工单位自检记录监理(建设)单位验收记录一般项目5表面平整度mm纸面石膏板≤3(2.5)人造木板、水泥纤维板≤3(2.5)6阴阳角方正mm纸面石膏板≤3(2.5)人造木板、水泥纤维板≤3(2.5)7接缝直线度mm纸面石膏板—人造木板、水泥纤维板≤3(2.5)8压条直线度mm纸面石膏板—人造木板、水泥纤维板≤3(2.5)施工单位检查评定结果专业工长(施工员)施工班组长项目专业质量检查员:年月日监理(建设)单位验收结论专业监理工程师:(建设单位项目专业技术负责人)年月日活动隔墙工程检验批质量验收记录表Q/CSG表5.16.3编号:单位(子单位)工程名称分部(子分部)工程名称分项工程名称验收部位施工单位项目经理分包单位分包项目经理施工执行标准(或规范)名称及编号施工质量检验及评定标准的规定施工单位自检记录监理(建设)单位验收记录主控项目1材料质量墙板、配件等材料的品种、规格、性能和木材的含水率应符合设计要求。有阻燃、防潮等特性要求的工程,材料...

1、当您付费下载文档后,您只拥有了使用权限,并不意味着购买了版权,文档只能用于自身使用,不得用于其他商业用途(如 [转卖]进行直接盈利或[编辑后售卖]进行间接盈利)。
2、本站所有内容均由合作方或网友上传,本站不对文档的完整性、权威性及其观点立场正确性做任何保证或承诺!文档内容仅供研究参考,付费前请自行鉴别。
3、如文档内容存在违规,或者侵犯商业秘密、侵犯著作权等,请点击“违规举报”。

碎片内容

房建轻质隔墙工程施工质量验收记录表

您可能关注的文档

确认删除?
VIP
微信客服
  • 扫码咨询
会员Q群
  • 会员专属群点击这里加入QQ群
客服邮箱
回到顶部