电脑桌面
添加小米粒文库到电脑桌面
安装后可以在桌面快捷访问

GBT50375-XXXX建筑工程施工质量评价标准(全套表格)201741执行VIP免费

GBT50375-XXXX建筑工程施工质量评价标准(全套表格)201741执行_第1页
1/68
GBT50375-XXXX建筑工程施工质量评价标准(全套表格)201741执行_第2页
2/68
GBT50375-XXXX建筑工程施工质量评价标准(全套表格)201741执行_第3页
3/68
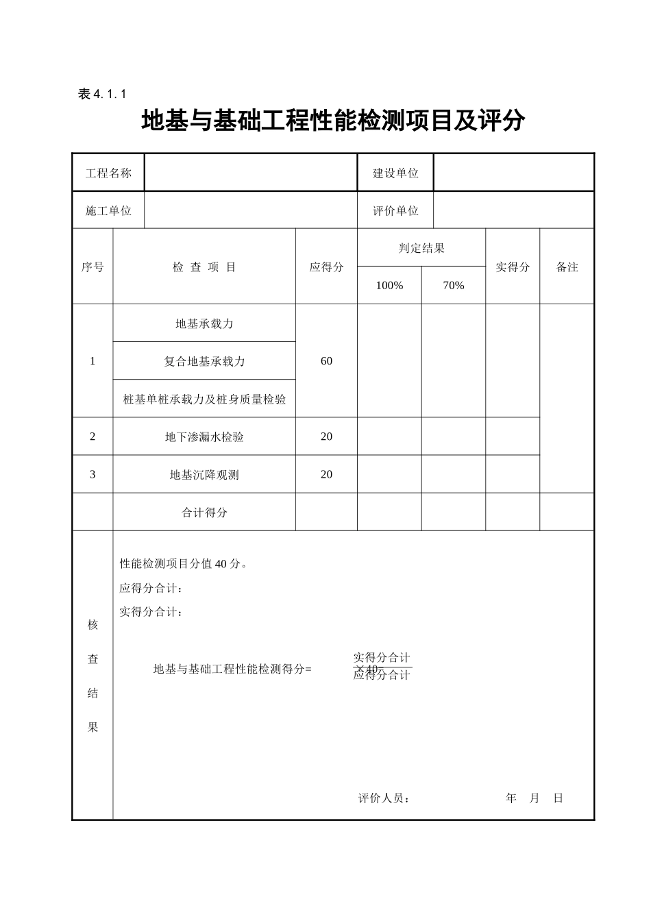
表4.1.1地基与基础工程性能检测项目及评分工程名称建设单位施工单位评价单位序号检查项目应得分判定结果实得分备注100%70%1地基承载力60复合地基承载力桩基单桩承载力及桩身质量检验2地下渗漏水检验203地基沉降观测20合计得分核查结果性能检测项目分值40分。应得分合计:实得分合计:地基与基础工程性能检测得分=×40=评价人员:年月日实得分合计应得分合计表4.2.1地基与基础工程质量记录项目及评分工程名称建设单位施工单位评价单位序号检查项目应得分判定结果实得分备注100%70%1材料合格证、进场验收记录及复试报告钢筋、水泥、外加剂合格证、进场验收记录及复试报告,混凝土进场塌落度测试记录30预制桩合格证及进场验收记录、桩强度试验报告防水材料合格证、进场验收记录及复试报告2施工记录地基处理、验槽、钎探施工记录30预制桩接头施工记录打(压)桩及试桩施工记录灌注桩成孔、钢筋笼、混凝土灌注桩浇筑施工记录防水层施工记录及隐蔽工程验收记录3施工试验有关地基材料配合比试验报告压实系数、桩体及桩间土干密度试验报告40钢筋连接试验报告混凝土试件强度评定报告预制桩龄期及试件强度试验报告防水材料配合比试验报告合计得分核查结果质量记录项目分值40分。应得分合计:实得分合计:地基与基础工程质量记录得分=×40=实得分合计应得分合计评价人员:年月日表4.3.1地基及基础工程允许偏差项目及评分工程名称建设单位施工单位评价单位序号检查项目应得分判定结果实得分备注100%70%1天然地基标高及基槽尺寸偏差80复合地基桩位偏差打(压)桩桩位偏差灌注桩桩位偏差2防水卷材、塑料板搭接宽度偏差20合计得分核查结果允许偏差项目分值10分。应得分合计:实得分合计:地基与基础工程允许偏差得分=×10=评价人员:年月日实得分合计应得分合计表4.4.1地基与基础工程观感质量项目及评分工程名称建设单位施工单位评价单位序号检查项目应得分判定结果实得分备注100%70%1地基、复合地基标高、表面平整、边坡80桩基桩头、桩顶标高、场地平整2地下防水表面质量、细部处理(施工缝、变形缝、穿墙管、预埋件、孔口、坑池等)20合计得分核查结果观感质量项目分值10分。应得分合计:实得分合计:地基与基础工程观感质量得分=×10=评价人员:年月日实得分合计应得分合计表5.1.1混凝土结构工程性能检测项目及评分工程名称建设单位施工单位评价单位序号检查项目应得分判定结果实得分备注100%70%1结构实体混凝土强度402结构实体钢筋保护层厚度403结构实体位置与尺寸偏差20合计得分核查结果性能检测项目分值40分。应得分合计:实得分合计:混凝土结构工程性能检测得分=×40=评价人员:年月日实得分合计应得分合计表5.1.3混凝土结构工程质量记录项目及评分工程名称建设单位施工单位评价单位序号检查项目应得分判定结果实得分备注100%70%1材料合格证、进场验收记录及复试报告钢筋、混凝土拌合物合格证、进场坍落度测试记录、进场验收记录,钢筋复试报告,钢筋连接材料合格证及复试报告30预制构件合格证、出厂检验报告及进场验收记录预应力锚夹具、连接器合格证、出厂检验报告、进场验收记录及复试报告2施工记录预拌混凝土进场工作性能测试记录30混凝土施工记录装配式结构安装施工记录预应力筋安装、张拉及灌浆封锚施工记录隐蔽工程验收记录3施工试验混凝土配合比试验报告、开盘鉴定报告40混凝土试件强度试验报告及强度评定报告钢筋连接试验报告无粘结预应力筋防水检测记录、预应力筋断丝检测记录装配式构件安装连接检验报告合计得分核查结果质量记录项目分值30分。应得分合计:实得分合计:混凝土结构工程质量记录得分=×30=实得分合计应得分合计评价人员:年月日表5.1.5混凝土结构工程允许偏差项目及评分工程名称建设单位施工单位评价单位序号检查项目应得分判定结果实得分备注100%70%1混凝土现浇结构轴线位置墙、柱、梁8mm40标高层高±10mm,全高±30mm全高垂直度H≤300mmH/30000+20mmH>300mmH/10000且≤80mm40表面平整度8mm202装配式结构轴线位置柱、墙8mm40梁、板5mm标高柱、梁、墙板、楼板底面±5mm40构件搁置长度梁、板±10mm20合计得分核查结果允许偏差项目分值20分。应得分合计:实得分合...

1、当您付费下载文档后,您只拥有了使用权限,并不意味着购买了版权,文档只能用于自身使用,不得用于其他商业用途(如 [转卖]进行直接盈利或[编辑后售卖]进行间接盈利)。
2、本站所有内容均由合作方或网友上传,本站不对文档的完整性、权威性及其观点立场正确性做任何保证或承诺!文档内容仅供研究参考,付费前请自行鉴别。
3、如文档内容存在违规,或者侵犯商业秘密、侵犯著作权等,请点击“违规举报”。

碎片内容

GBT50375-XXXX建筑工程施工质量评价标准(全套表格)201741执行

您可能关注的文档

确认删除?
VIP
微信客服
  • 扫码咨询
会员Q群
  • 会员专属群点击这里加入QQ群
客服邮箱
回到顶部