电脑桌面
添加小米粒文库到电脑桌面
安装后可以在桌面快捷访问

APQP产品过程流程图VIP免费

APQP产品过程流程图_第1页
1/3
APQP产品过程流程图_第2页
2/3
APQP产品过程流程图_第3页
3/3
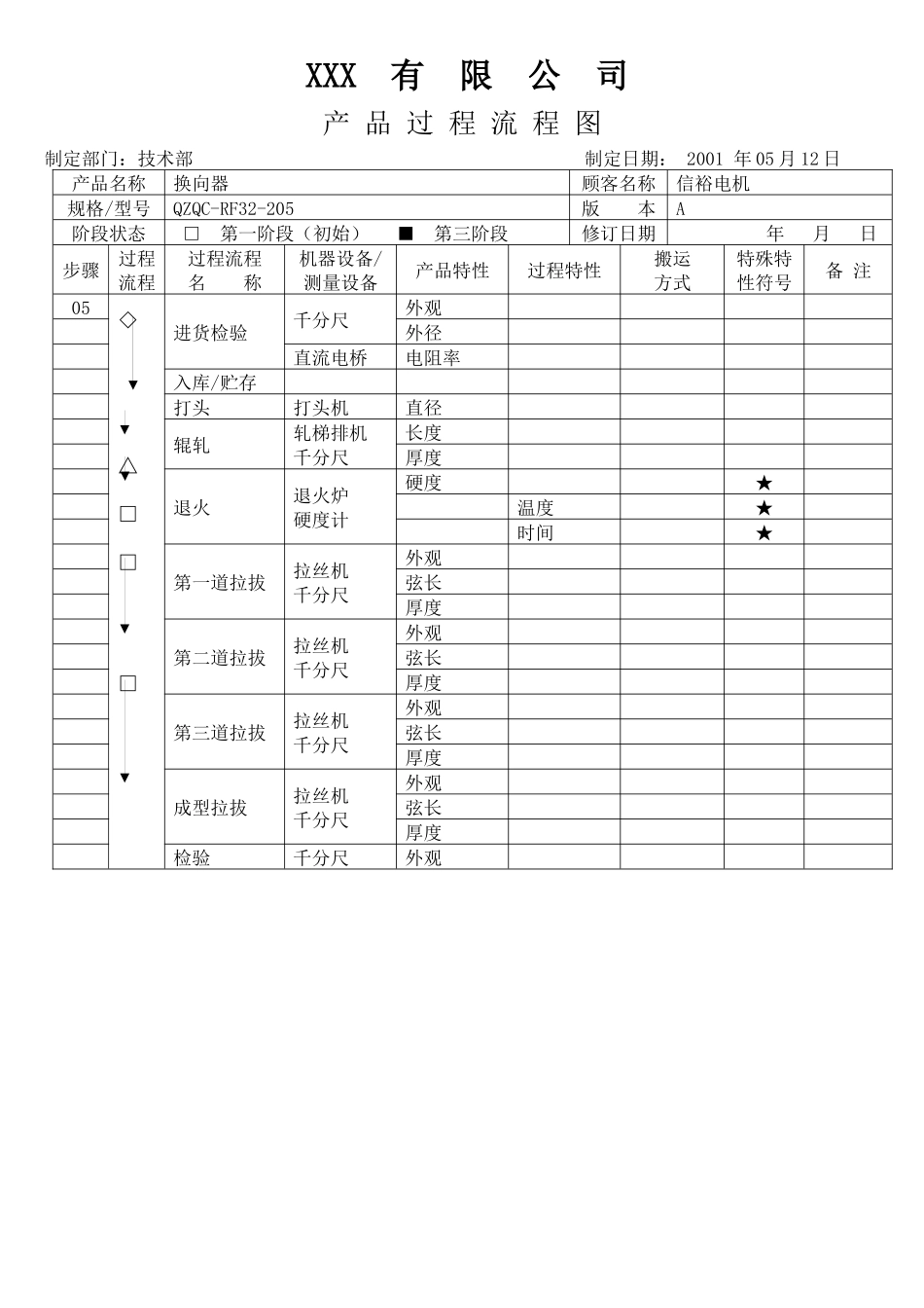
XXX有限公司产品过程流程图制定部门:技术部制定日期:2001年05月12日产品名称换向器顾客名称信裕电机规格/型号QZQC-RF32-205版本A阶段状态□第一阶段(初始)■第三阶段修订日期年月日步骤过程流程过程流程名称机器设备/测量设备产品特性过程特性搬运方式特殊特性符号备注05◇△□□□进货检验千分尺外观外径直流电桥电阻率入库/贮存打头打头机直径辊轧轧梯排机千分尺长度厚度退火退火炉硬度计硬度★温度★时间★第一道拉拔拉丝机千分尺外观弦长厚度第二道拉拔拉丝机千分尺外观弦长厚度第三道拉拔拉丝机千分尺外观弦长厚度成型拉拔拉丝机千分尺外观弦长厚度检验千分尺外观□□□□◇弦长备注1.“◇”表示检验、“□”表示加工、“→”表示搬运、“△”表示贮存、“☆”表示返工/返修2.“★”表示产品与安全有关的特殊特性符号;“☆”表示产品与安全无关的特殊特性符号。核准审查制表第页,共页PPP-2-07A0

1、当您付费下载文档后,您只拥有了使用权限,并不意味着购买了版权,文档只能用于自身使用,不得用于其他商业用途(如 [转卖]进行直接盈利或[编辑后售卖]进行间接盈利)。
2、本站所有内容均由合作方或网友上传,本站不对文档的完整性、权威性及其观点立场正确性做任何保证或承诺!文档内容仅供研究参考,付费前请自行鉴别。
3、如文档内容存在违规,或者侵犯商业秘密、侵犯著作权等,请点击“违规举报”。

碎片内容

APQP产品过程流程图

您可能关注的文档

确认删除?
VIP
微信客服
  • 扫码咨询
会员Q群
  • 会员专属群点击这里加入QQ群
客服邮箱
回到顶部