电脑桌面
添加小米粒文库到电脑桌面
安装后可以在桌面快捷访问

高速土建标质量保证体系概述VIP免费

高速土建标质量保证体系概述_第1页
1/29
高速土建标质量保证体系概述_第2页
2/29
高速土建标质量保证体系概述_第3页
3/29
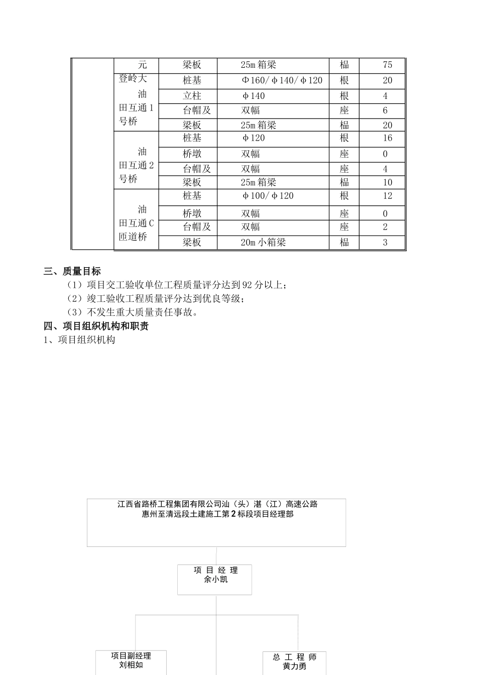
汕湛高速惠清项目TJ2标项目经理部质量管理保证体系及保证措施一、编制依据1)汕(头)湛(江)高速公路惠州至清远段两阶段施工图设计文件第二标段;2)《公路工程技术标准》JTGB01-20143)《公路桥涵施工技术规范》JTJ/TF50-20114)《公路路基施工技术规范》JTGF10-20065)《广东省高速公路建设标准化管理规定》、《广东省高速公路建设标准化管理指南》6)惠清公司《工程质量管理办法》、《工程质量强制性标准》7)国家及相关部委颁布的法律、法规和现行设计规范、施工规范、质量验收标准及其它有关文件资料。8)我国的法律、法规及当地政府有关施工安全、文明施工、劳动保护、土地使用与管理、环境保护等方面的具体规定。二、项目概况1.工程概况汕湛高速惠清项目TJ2标位于惠州市龙门县油田村和锦城村境内,紧邻南昆山省级自然保护区和油田森林公园。本标段起点桩号为K57+470,终点桩号为K61+555,全长4.085Km;在K57+470~K58+900段设油田互通与新改建S355省道衔接。2.主要工程量本标段主要工程量为:桥梁558.4m/5座,其中大桥436.2m/2座(油田河大桥全长205.6m、元登岭大桥全长230.6m),中桥122.2/3座(油田互通1号桥全长55.6m、油田互通2号桥全长30.6m,油田互通C匝道桥全长36m);(2)涵洞14道;(3)路基挖方:132.2万m³,路基填方:133.4万m³;(4)全线砼方量9.72万m3,钢筋数量4158吨,梁板191片。主要工程数量工程名称部位及结构形式单位合同数量路基路基挖方万m3132.2路基填方万m3133.4涵洞道14挡土墙m3边坡防护m4085排水工程m4085桥梁油田河大桥桩基Φ180/φ160根39立柱Φ160/φ140根25台帽及盖梁双幅座18梁板25m箱梁榀83桩基Φ180/φ160/φ120根36立柱φ160/φ140根22台帽及盖梁双幅座17总工程师黄力勇项目副经理刘相如项目经理余小凯江西省路桥工程集团有限公司汕(头)湛(江)高速公路惠州至清远段土建施工第2标段项目经理部元登岭大梁板25m箱梁榀75油田互通1号桥桩基Φ160/φ140/φ120根20立柱φ140根4台帽及盖梁双幅座6梁板25m箱梁榀20油田互通2号桥桩基φ120根16桥墩双幅座0台帽及盖梁双幅座4梁板25m箱梁榀10油田互通C匝道桥桩基φ100/φ120根12桥墩双幅座0台帽及盖梁双幅座2梁板20m小箱梁榀3三、质量目标(1)项目交工验收单位工程质量评分达到92分以上;(2)竣工验收工程质量评分达到优良等级;(3)不发生重大质量责任事故。四、项目组织机构和职责1、项目组织机构图5.1-1项目组织机构图2、岗位职责2.1项目经理职责1)经公司正式授权和任命,代表公司全面履行总承包合同,履行与公司签订的项目经营承包合同和项目经营管理目标责任书,接受公司领导和各部门的指导、监督和检查;2)为项目成本、质量、进度、安全控制第一责任人;3)组织项目部全体员工贯彻执行公司质量、环境和职业健康安全方针;4)组织落实成本、质量、环境、职业健康安全、文明施工等各项管理目标;5)全权负责公司各项规章制度的落实,根据实际组织编制项目管理制度;6)主持策划项目组织机构,协调、安排项目部各类生产要素,保证提供项目部管理体系运行所需的资源;7)主持对“项目管理实施规划”的交底,落实执行责任,保证按公司批准的“项目管理实施规划”科学合理组织施工;8)主持制定施工要素预警与应急方案并组织落实;9)根据需要参加公司管理评审会,组织项目部落实公司管理评审决定。2.2项目总工程师职责1)全面主持项目技术管理和质量管理工作;2)组织贯彻落实国家、行业的有关工程技术与质量等法律法规、标准规范;3)主持制定项目技术管理工作计划并组织实施;4)组织编制、审核、落实项目质量保证计划;5)组织熟悉与审查图纸,主持识别各工序施工涉及的危险源和环境因素,主持编制项目专项施工方案并体现有针对性的安全技术和环保技术措施,审批项目一般施工方案并组织实施;6)领导技术交底(含施工方案中涉及的安全技术和环境技术交底);7)组织做好测量及其核定工作,指导质量检验和试验;8)领导技术学习和对新上岗技术员的培训,组织传、帮、带,交流技术经验;9)主持确定技术攻关、科技创新项目及QC小组课题并组织实施;10)负责引进有实用价值的新工艺、...

1、当您付费下载文档后,您只拥有了使用权限,并不意味着购买了版权,文档只能用于自身使用,不得用于其他商业用途(如 [转卖]进行直接盈利或[编辑后售卖]进行间接盈利)。
2、本站所有内容均由合作方或网友上传,本站不对文档的完整性、权威性及其观点立场正确性做任何保证或承诺!文档内容仅供研究参考,付费前请自行鉴别。
3、如文档内容存在违规,或者侵犯商业秘密、侵犯著作权等,请点击“违规举报”。

碎片内容

高速土建标质量保证体系概述

墨香书阁+ 关注
实名认证
内容提供者

热爱教学事业,对互联网知识分享很感兴趣

确认删除?
VIP
微信客服
  • 扫码咨询
会员Q群
  • 会员专属群点击这里加入QQ群
客服邮箱
回到顶部