电脑桌面
添加小米粒文库到电脑桌面
安装后可以在桌面快捷访问

给水设备安装工程检验批质量验收记录表VIP免费

给水设备安装工程检验批质量验收记录表_第1页
1/2
给水设备安装工程检验批质量验收记录表_第2页
2/2
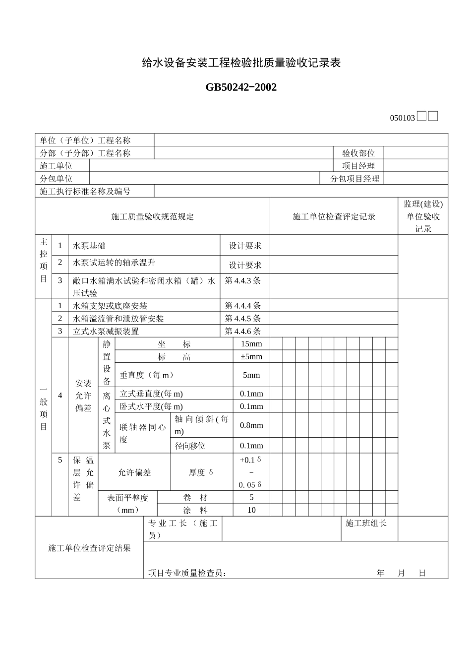
给水设备安装工程检验批质量验收记录表GB50242-2002050103单位(子单位)工程名称分部(子分部)工程名称验收部位施工单位项目经理分包单位分包项目经理施工执行标准名称及编号施工质量验收规范规定施工单位检查评定记录监理(建设)单位验收记录主控项目1水泵基础设计要求2水泵试运转的轴承温升设计要求3敞口水箱满水试验和密闭水箱(罐)水压试验第4.4.3条一般项目1水箱支架或底座安装第4.4.4条2水箱溢流管和泄放管安装第4.4.5条3立式水泵减振装置第4.4.6条4安装允许偏差静置设备坐标15mm标高±5mm垂直度(每m)5mm离心式水泵立式垂直度(每m)0.1mm卧式水平度(每m)0.1mm联轴器同心度轴向倾斜(每m)0.8mm径向移位0.1mm5保温层允许偏差允许偏差厚度δ+0.1δ-0.05δ表面平整度(mm)卷材5涂料10施工单位检查评定结果专业工长(施工员)施工班组长项目专业质量检查员:年月日监理(建设)单位验收结论专业监理工程师:(建设单位项目专业技术负责人)年月日

1、当您付费下载文档后,您只拥有了使用权限,并不意味着购买了版权,文档只能用于自身使用,不得用于其他商业用途(如 [转卖]进行直接盈利或[编辑后售卖]进行间接盈利)。
2、本站所有内容均由合作方或网友上传,本站不对文档的完整性、权威性及其观点立场正确性做任何保证或承诺!文档内容仅供研究参考,付费前请自行鉴别。
3、如文档内容存在违规,或者侵犯商业秘密、侵犯著作权等,请点击“违规举报”。

碎片内容

给水设备安装工程检验批质量验收记录表

您可能关注的文档

确认删除?
VIP
微信客服
  • 扫码咨询
会员Q群
  • 会员专属群点击这里加入QQ群
客服邮箱
回到顶部