电脑桌面
添加小米粒文库到电脑桌面
安装后可以在桌面快捷访问

QCC品质工具VIP免费

QCC品质工具_第1页
1/12
QCC品质工具_第2页
2/12
QCC品质工具_第3页
3/12
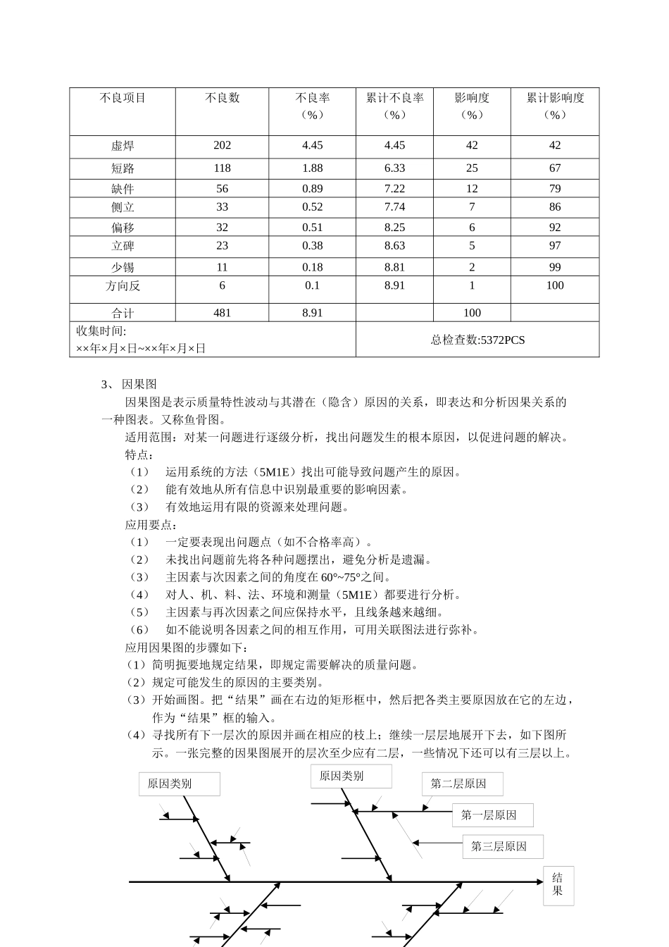
QCC品质工具(一)旧七种工具(部分)1、数据收集(1)数据收集常遇的几个问题①对需处理的问题未能明确定义数据收集的时机和频次。收集方法。量度单位。不良定义。多个不良同时出现时的处理方法。②数据收集过程中存在一定的偏差操作人员的逆反心理或恐慌、焦虑导致与平时有差别。收集方法错误。资料遗漏。(2)如何避免错误样本采用调查表(涉及不同的人员或设备应分开收集)。先用直方图进行展示,看是否有突发事件或不正常的数据。样本的选取一定要有一定的时间段以一定的频次收集。样本的选取应有一定的数量。(3)为了达到预期效果,最好事先制定收集计划:4W1HWHY:确定收集数据的目的,即需解决什么问题。WHERE:在何处收集数据,即问题可能的发生地点。WHAT:收集什么类别的数据,即能解决问题的数据。WHO:即由何人负责收集数据。HOW:如何收集数据(频次、抽样方法、数量)。2、调查表调查表(Data-collectionForm)又叫检查表、核对表、统计分析表。它是用来系统地收集资料和积累数据,确认事实并对数据进行粗略整理和分析的统计的图表。应用调查表的步骤:(1)明确收集资料的目的。(2)确定为达到目的所需收集的资料(这里强调问题)。(3)确定对资料的分析方法(如运用哪种统计方法)和负责人。(4)根据不同目的,设计用于记录资料的调查表格式,其内容应包括:调查者、调查的时间、地点和方式等栏目。(5)对收集和记录的部分资料进行先检查,目的是审查表格设计的合理性。(6)如有必要,应评审和修改该调查表格式。举例:产品质量问题统计××产品质量问题统计结果原因类别原因类别第三层原因第一层原因第二层原因不良项目不良数不良率(%)累计不良率(%)影响度(%)累计影响度(%)虚焊2024.454.454242短路1181.886.332567缺件560.897.221279侧立330.527.74786偏移320.518.25692立碑230.388.63597少锡110.188.81299方向反60.18.911100合计4818.91100收集时间:××年×月×日~××年×月×日总检查数:5372PCS3、因果图因果图是表示质量特性波动与其潜在(隐含)原因的关系,即表达和分析因果关系的一种图表。又称鱼骨图。适用范围:对某一问题进行逐级分析,找出问题发生的根本原因,以促进问题的解决。特点:(1)运用系统的方法(5M1E)找出可能导致问题产生的原因。(2)能有效地从所有信息中识别最重要的影响因素。(3)有效地运用有限的资源来处理问题。应用要点:(1)一定要表现出问题点(如不合格率高)。(2)未找出问题前先将各种问题摆出,避免分析是遗漏。(3)主因素与次因素之间的角度在60°~75°之间。(4)对人、机、料、法、环境和测量(5M1E)都要进行分析。(5)主因素与再次因素之间应保持水平,且线条越来越细。(6)如不能说明各因素之间的相互作用,可用关联图法进行弥补。应用因果图的步骤如下:(1)简明扼要地规定结果,即规定需要解决的质量问题。(2)规定可能发生的原因的主要类别。(3)开始画图。把“结果”画在右边的矩形框中,然后把各类主要原因放在它的左边,作为“结果”框的输入。(4)寻找所有下一层次的原因并画在相应的枝上;继续一层层地展开下去,如下图所示。一张完整的因果图展开的层次至少应有二层,一些情况下还可以有三层以上。画因果图应注意一下事项:(1)画因果图时必须开“诸葛亮会”,充分发扬民主。(2)确定要分析的主要质量问题(特性)不能笼统,一个主要质量问题只能画一张因果图。(3)因果图的层次要分明,最高层次的原因应寻求到可以直接采取对策为止。(4)对分析出来的所有末端原因,都应到现场进行观察、测量、实验等,加以确认。4、排列图排列图(ParetoDiagram)又叫柏拉图。它是将质量改进项目从最重要到最次要顺序排列而采用的一种图表。适用范围:对问题进行分析,找出关键因素,或对问题的原因进行分析。应用要点:(1)排列图的应用的原理就是经济学中的20/80原则。(2)排列图应与调查表联合使用,应注意数据收集的时间、收集人,工序名称等,另外还需注明需要控制的要素等。(3)排列图及调查表中的发生的频数或频率应从大到小排列。(4)问题的项目不应过少,也不应过多,一般...

1、当您付费下载文档后,您只拥有了使用权限,并不意味着购买了版权,文档只能用于自身使用,不得用于其他商业用途(如 [转卖]进行直接盈利或[编辑后售卖]进行间接盈利)。
2、本站所有内容均由合作方或网友上传,本站不对文档的完整性、权威性及其观点立场正确性做任何保证或承诺!文档内容仅供研究参考,付费前请自行鉴别。
3、如文档内容存在违规,或者侵犯商业秘密、侵犯著作权等,请点击“违规举报”。

碎片内容

您可能关注的文档

确认删除?
VIP
微信客服
  • 扫码咨询
会员Q群
  • 会员专属群点击这里加入QQ群
客服邮箱
回到顶部