电脑桌面
添加小米粒文库到电脑桌面
安装后可以在桌面快捷访问

TMT质量分析报告(1)VIP免费

TMT质量分析报告(1)_第1页
1/9
TMT质量分析报告(1)_第2页
2/9
TMT质量分析报告(1)_第3页
3/9
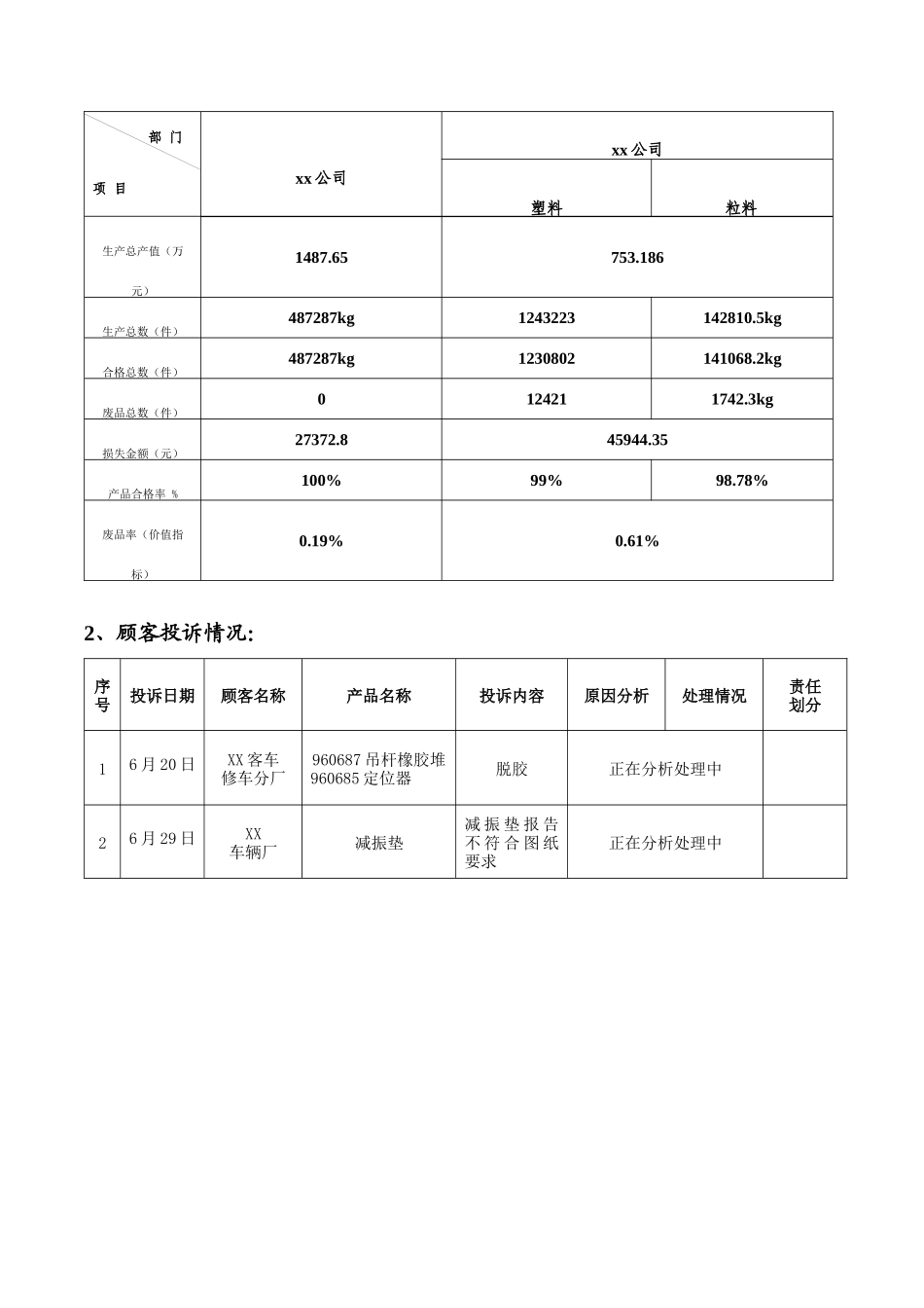
二○○五年六月TMT质量分析报告质量部2005.7.122005年6月质量分析报告一、6月份质量概况:1、产品质量情况:⑴批生产成品一次交检合格率:⑵质量趋势:⑶各业务单元生产情况:部门项目xx事业部xx事业部xx事业部1类产品2类产品1类产品2类产品生产总产值(万元)66873.416425.99180.46生产总数(件)66114571672121102281合格总数(件)64868521671121101465废品总数(件)994510816损失金额(元)7.38万5555.00193.2403.22万产品合格率%98.12%91.23%99.94%100%99.2%废品率(价值指标)1.1%0.76%0.03%01.78%部门项目xx公司xx公司塑料粒料生产总产值(万元)1487.65753.186生产总数(件)487287kg1243223142810.5kg合格总数(件)487287kg1230802141068.2kg废品总数(件)0124211742.3kg损失金额(元)27372.845944.35产品合格率%100%99%98.78%废品率(价值指标)0.19%0.61%2、顾客投诉情况:序号投诉日期顾客名称产品名称投诉内容原因分析处理情况责任划分16月20日XX客车修车分厂960687吊杆橡胶堆960685定位器脱胶正在分析处理中26月29日XX车辆厂减振垫减振垫报告不符合图纸要求正在分析处理中二、质量状况分析:①6月份废品缺陷图:②6月份废品原因图:三、各事业部具体质量情况分析:①、XX事业部:一、质量概况:6月份生产产品总数66114件,合格数为64868件,废品数为994件,合格率98.1%。其中批生产52166件,合格51403件,一次交检合格率为98.5%,较上月上升了1.63个百分点,本月废品损失共计7.39万元。二、产品质量情况如下:A、按报废类型(产品报废的主要缺陷):报废类型粘合不牢缺胶气泡出模损坏夹杂铁件压坏报废数量(件)264251134822825损失金额(元)16258199811149655179631580占损失金额比例%2227.115.67.01.32.0占废品总数比例%26.625.313.58.22.83.0B、按产品报废数量:产品名称产品1产品2产品3产品4产品5报废数量(件)8971684034主要缺陷缺胶,出模损坏粘合不牢粘合不牢气泡粘合不牢气泡气泡缺胶粘合不牢气泡损失金额(元)1560.23840.44464.214002921.2占损失金额比例%2.115.206.051.93.96占废品总数比例%8.957.146.844.024.02C、按产品废品率高低:产品名称产品1产品2产品3产品4C、按产品废品率高低:D、按产品报废损失金额的高低:(损失在3500元以上的产品已列出)产品名称产品1产品2产品3产品4产品5产品6损失金额81205618.15413.64464.24077.33840.4二、胶料生产情况:塑炼胶共交检123批次,经检合格120批次,合格率97.57%;混炼胶共交检401批次,经检合格366批次,合格率91.27%。三、采购质量情况:采购铁件213168件,经检合格206928件,合格率97.07%。四、主要废品原因分析:A.工艺原因主要废品分析:本月因工艺原因报废463个产品,主要有下列几种产品:序号产品名称废品总数主要缺陷因工艺原因报废数量因工艺原因损失占产品总废品的比例1产品168粘合不牢气泡624070.3元91.17%2产品271粘合不牢气泡372001.33元52.11%3产品340粘合不牢气泡302190.9元75.00%4产品440气泡缺胶28980元70%5产品538缺胶夹杂22392.92元57.89%B.操作原因主要废品分析:A、本月因操作不当造成1783个产品报废,主要有下列几种产品:序号产品名称废品总数主要人为缺陷人为报废数量人为损失占产品废品的比例生产数量(件)45532011227报废数量(件)2061789废品率(%)44.4411.328.467.25主要缺陷缺胶,流痕粘合不牢缺胶、气泡粘合不牢、缺胶1产品189缺胶,出模损坏粘合不牢641121.92元71.91%2产品220缺胶,流痕18364.5元90.00%3产品316缺胶,出模损坏16512元100.00%4产品420缺胶,气泡143789.52元70.00%C.因其他原因共报废56个,其中突出的是:产品6因其他原因废34个,损失金额为1839.06元;产品7推力杆球铰因其他原因废7个,损失金额为350元;D.因模具原因共报废7个.四、质量目标统计数据:序号项目统计数据目标值实际值1系统部件产品生产一次交检合格率,%产品数量(件)一次合格数量(件)≥98%100%1211212采购产品一次交检合格率,%进货总数一次交检合格数≥95%95.60%32596317473合同评审率,%合同总数量评审合同数量100.00%100.00%23234产品交付及时率,%计划完成总产值按时完成有效产值...

1、当您付费下载文档后,您只拥有了使用权限,并不意味着购买了版权,文档只能用于自身使用,不得用于其他商业用途(如 [转卖]进行直接盈利或[编辑后售卖]进行间接盈利)。
2、本站所有内容均由合作方或网友上传,本站不对文档的完整性、权威性及其观点立场正确性做任何保证或承诺!文档内容仅供研究参考,付费前请自行鉴别。
3、如文档内容存在违规,或者侵犯商业秘密、侵犯著作权等,请点击“违规举报”。

碎片内容

TMT质量分析报告(1)

您可能关注的文档

墨香书阁+ 关注
实名认证
内容提供者

热爱教学事业,对互联网知识分享很感兴趣

确认删除?
VIP
微信客服
  • 扫码咨询
会员Q群
  • 会员专属群点击这里加入QQ群
客服邮箱
回到顶部