电脑桌面
添加小米粒文库到电脑桌面
安装后可以在桌面快捷访问

QC工程图SIP02VIP免费

QC工程图SIP02_第1页
1/3
QC工程图SIP02_第2页
2/3
QC工程图SIP02_第3页
3/3
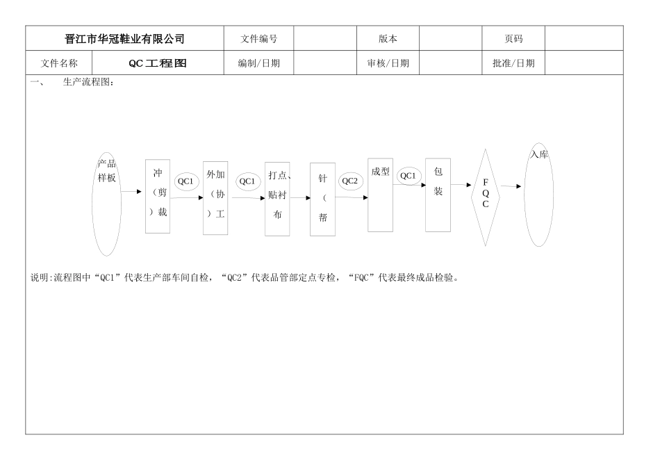
晋江市华冠鞋业有限公司文件编号版本页码文件名称QC工程图编制/日期审核/日期批准/日期一、生产流程图:说明:流程图中“QC1”代表生产部车间自检,“QC2”代表品管部定点专检,“FQC”代表最终成品检验。成型包装FQCQC1冲(剪)裁产品样板外加(协)工打点、贴衬布针(帮面QC1QC2QC1入库晋江市华冠鞋业有限公司文件编号版本页码文件名称QC工程图编制/日期审核/日期批准/日期二、流程说明№工序名称主要设备作业依据控制重点检验频率责任人/单位质量记录1产品开发全套设备产品开发控制程序适当市场的需求样品全检开发课产品开发记录2冲裁冲床冲裁车间作业指导书材料、模具、裁片外观首末件确认操作员生产日报表3外加工高频、印刷生产过程控制程序颜色、图案全检作业员进料检验记录表4打点、贴衬布画线板冲裁车间作业指导书画线板、画线位置全检作业员生产日报表5、针车针车帮面车间作业指导书半成品质量标准边距、针距、外观全检作业员生产日报表品检员帮面检验记录表6成型流水线设备成型作业指导书成型质量标准过程参数、外观全检作业员生产日报表过程确认记录表7包装打包机包装作业指导书标识、数量、包装方式全检作业员8最终检验目视成品质量标准外观全检品检员成品检验记录表9入库推车数量、标识、包装方式全检仓管员

1、当您付费下载文档后,您只拥有了使用权限,并不意味着购买了版权,文档只能用于自身使用,不得用于其他商业用途(如 [转卖]进行直接盈利或[编辑后售卖]进行间接盈利)。
2、本站所有内容均由合作方或网友上传,本站不对文档的完整性、权威性及其观点立场正确性做任何保证或承诺!文档内容仅供研究参考,付费前请自行鉴别。
3、如文档内容存在违规,或者侵犯商业秘密、侵犯著作权等,请点击“违规举报”。

碎片内容

QC工程图SIP02

您可能关注的文档

确认删除?
VIP
微信客服
  • 扫码咨询
会员Q群
  • 会员专属群点击这里加入QQ群
客服邮箱
回到顶部