电脑桌面
添加小米粒文库到电脑桌面
安装后可以在桌面快捷访问

分项工程质量检验评定表VIP免费

分项工程质量检验评定表_第1页
1/102
分项工程质量检验评定表_第2页
2/102
分项工程质量检验评定表_第3页
3/102
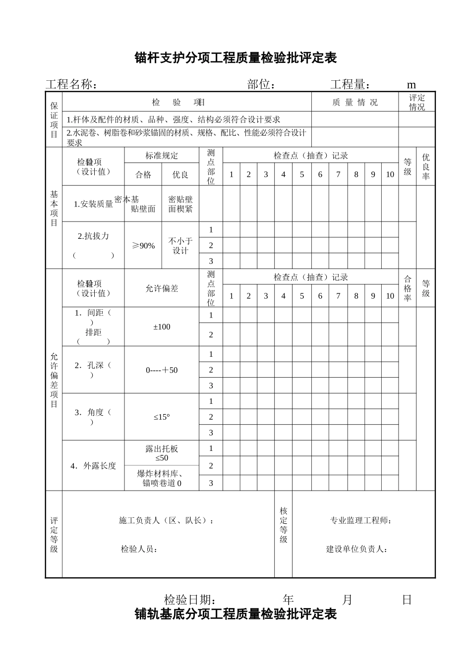
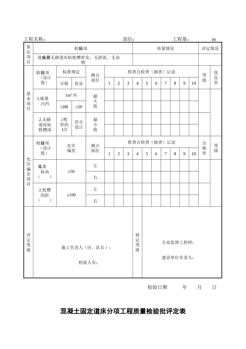
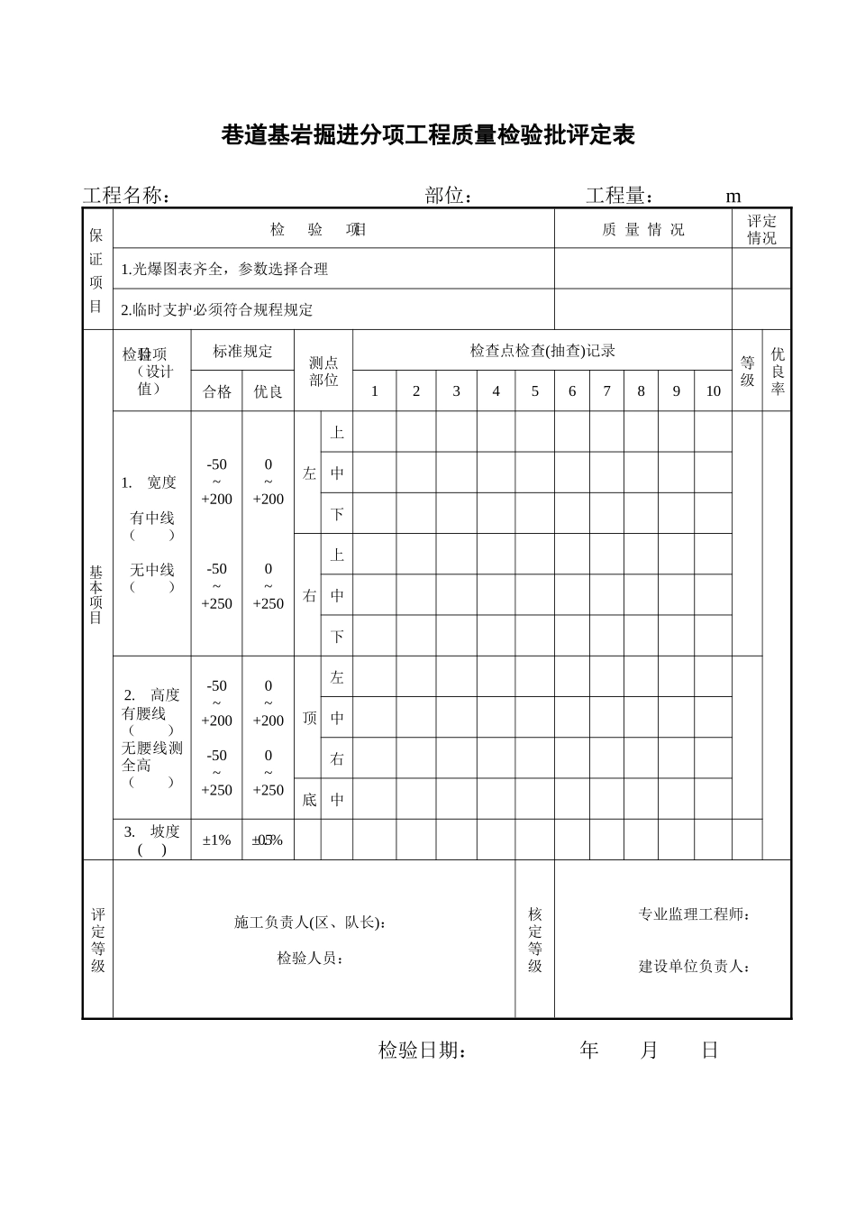
巷道基岩掘进分项工程质量检验批评定表工程名称:部位:工程量:m保证项目检验项目质量情况评定情况1.光爆图表齐全,参数选择合理2.临时支护必须符合规程规定基本项目检验项目(设计值)标准规定测点部位检查点检查(抽查)记录等级优良率合格优良123456789101.宽度有中线()无中线()-50~+200-50~+2500~+2000~+250左上中下右上中下2.高度有腰线()无腰线测全高()-50~+200-50~+2500~+2000~+250顶左中右底中3.坡度()±1%±0.5%评定等级施工负责人(区、队长):检验人员:核定等级专业监理工程师:建设单位负责人:检验日期:年月日锚杆支护分项工程质量检验批评定表工程名称:部位:工程量:m保证项目检验项目质量情况评定情况1.杆体及配件的材质、品种、强度、结构必须符合设计要求2.水泥卷、树脂卷和砂浆锚固的材质、规格、配比、性能必须符合设计要求基本项目检验项目(设计值)标准规定测点部位检查点(抽查)记录等级优良率合格优良123456789101.安装质量基本密贴壁面密贴壁面楔紧2.抗拔力()≥90%不小于设计123允许偏差项目检验项目(设计值)允许偏差测点部位检查点(抽查)记录合格率等级123456789101.间距()排距()±100122.孔深()0----+501233.角度()≤15°1234.外露长度露出托板≤5012爆炸材料库、锚喷巷道03评定等级施工负责人(区、队长):检验人员:核定等级专业监理工程师:建设单位负责人:检验日期:年月日铺轨基底分项工程质量检验批评定表工程名称:部位:工程量:m保证项目检验项目质量情况评定情况道床基底和无碴道床轨枕槽密实,无淤泥、无杂物基本项目检验项目(设计值)标准规定测点部位检查点检查(抽查)记录等级优良率合格优良123456789101.基底凸凹1m2内最大值≤100≤502.无碴道床轨枕槽深≥枕厚的1/2符合设计最小值允许偏差项目检验项目(设计值)允许偏差测点部位检查点检查(抽查)记录合格率等级123456789101.基底标高()±50左右2.枕槽间距()±100左右评定等级施工负责人(区、队长):检验人员:核定等级专业监理工程师:建设单位负责人:检验日期年月日混凝土固定道床分项工程质量检验批评定表工程名称:部位:工程量:m保证项目检验项目质量情况评定情况原材料的质量、配比、搅拌、养护及强度符合设计要求基本项目检验项目(设计值)标准规定测点部位检查点检查(抽查)记录等级优良率合格优良12345678910床面质量无明显脱皮、麻面、干缩绞无脱皮、麻面、干缩绞检查点前1m允许偏差项目检验项目(设计值)允许偏差测点部位检查点检查(抽查)记录合格率等级123456789101.中心位置主要运输线路≤50一般运输线路≤1002.厚度()±20左右3.宽度()±50左右4.表面标高()±20左右5.表面平整度2m内≤10最大值评定等级施工负责人(区、队长):检验人员:核定等级专业监理工程师:建设单位负责人:检验日期:年月日道碴道床分项工程质量检验批评定表工程名称:部位:工程量:m保证质量检验项目质量情况评定情况道碴材料的品种、材质、粒度、强度必须符合设计要求基本项目检验项目(设计值)标准规定测点部位检查点检查(抽查)记录等级优良率合格优良123456789101.上宽()≥-50≥-30左右2.厚度()≥-50≥-30左右允许偏差项目检验项目(设计值)允许偏差测点部位检查点检查(抽查)记录合格率等级12345678910中心位置()主要线路≤50一般线路≤100评定等级施工负责人(区、队长):检验人员:核定等级专业监理工程师:建设单位负责人:检验日期:年月日轨枕、岔枕分项工程质量检验批评定表工程名称:部位:工程量:m保证项目检验项目质量情况评定情况1.轨枕、岔枕的材质、规格、强度必须符合设计要求和规范的规定2.木轨枕、钢轨枕防腐符合设计要求,主要线路和道岔的木轨枕必须加垫板和预钻钉孔,混凝土轨枕和钢轨枕必须加胶垫3.不同类型、材质的轨枕不得混用、不同轨枕的分界钢轨接头前后应铺设不少于5根同类轨枕基本项目检验项目(设计值)标准规定测点部位检查点检查(抽查)记录等级优良率合格优良12345678910轨枕岔枕埋深()枕厚的1/2~2/31左右22kg/m及以下2左≥100≥120右30kg/m及以上3左≥100≥150右允许偏差项目...

1、当您付费下载文档后,您只拥有了使用权限,并不意味着购买了版权,文档只能用于自身使用,不得用于其他商业用途(如 [转卖]进行直接盈利或[编辑后售卖]进行间接盈利)。
2、本站所有内容均由合作方或网友上传,本站不对文档的完整性、权威性及其观点立场正确性做任何保证或承诺!文档内容仅供研究参考,付费前请自行鉴别。
3、如文档内容存在违规,或者侵犯商业秘密、侵犯著作权等,请点击“违规举报”。

碎片内容

分项工程质量检验评定表

墨香书阁+ 关注
实名认证
内容提供者

热爱教学事业,对互联网知识分享很感兴趣

确认删除?
VIP
微信客服
  • 扫码咨询
会员Q群
  • 会员专属群点击这里加入QQ群
客服邮箱
回到顶部