电脑桌面
添加小米粒文库到电脑桌面
安装后可以在桌面快捷访问

定量包装商品净含量计量检验抽样单VIP免费

定量包装商品净含量计量检验抽样单_第1页
1/11
定量包装商品净含量计量检验抽样单_第2页
2/11
定量包装商品净含量计量检验抽样单_第3页
3/11
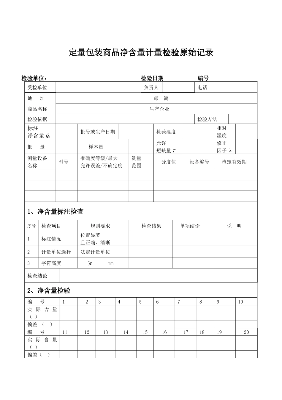
定量包装商品净含量计量检验抽样单编号:被抽查单位企业代码地址法人代表邮政编码联系人联系电话任务来源检验类别抽样时间检验地点□现场□承检机构实验室样品送达时间和地点样品送达方式□企业送达□企业委托抽样人员带回序号商品名称商标(品牌)标注净含量单价生产企业名称123序号检验批量抽样数量抽样地点抽样方法封样方式商品批号或生产日期123抽样单位(公章):地址:联系人:电话:抽样人(签名):被抽查单位(公章):被抽查单位经手人(签名):说明:1、此抽样单一式三份,分别留存承检机构、被抽查单位和任务下达部门。2、检测类别分为:监督检验(定期、不定期、复查)、仲裁检验、委托检验。定量包装商品净含量计量检验原始记录检验单位:检验日期编号受检单位负责人电话地址邮编商品名称生产企业检验依据检验方法标注净含量Qn批号或生产日期检验温度相对湿度批量样本量允许短缺量T修正因子λ测量设备名称型号准确度等级/最大允许误差/不确定度测量范围分度值设备编号检定有效期1、净含量标注检查序号检查项目规则要求检查结果单项结论说明1标注情况位置显著且正确、清晰2计量单位选择法定计量单位3字符高度≥mm检查结论2、净含量检验编号12345678910实际含量()偏差()编号11121314151617181920实际含量()偏差()编号21222324252627282930实际含量()偏差()编号31323334353637383940实际含量()偏差()编号41424344454647484950实际含量()偏差()样本平均实际含量q标准偏差s样本平均实际含量修正值(λs)序号判定项目规则要求检查结果单项结论1修正后的平均实际含量(q+λs)(q+λs)≥(q+λs)=2T1类短缺量的件数T1≤3T2类短缺量的件数T2≤0检验结论3、总体结论:检验人(签字)核验人员(签字):日期:日期:注:1、样本的编号可以根据实际需要进行删减。2、当样本单位具有负偏差时,商品发生短缺。检验结果判定时,应将商品负偏差取绝对值后方可与商品允许短缺量进行比较判断。定量包装商品净含量计量检验原始记录检验单位:检验日期:编号:受检单位负责人电话地址邮编商品名称生产企业检验依据检验方法标注净含量Qn批号或生产日期检验温度相对湿度批量样本量允许短缺量T修正因子λ测量设备名称型号准确度等级/最大允许误差/不确定度测量范围分度值设备编号检定有效期1、净含量标注检查序号检查项目规则要求检查结果单项结论说明1标注情况位置显著且正确、清晰2计量单位选择法定计量单位3字符高度≥mm检查结论2、净含量检验密度皮重抽样数平均皮重编号12345678910总重()实际含量()偏差()编号11121314151617181920总重()实际含量()偏差()编号21222324252627282930总重()实际含量()偏差()编号31323334353637383940总重()实际含量()偏差()编号41424344454647484950总重()实际含量()偏差()样本平均实际含量q标准偏差s样本平均实际含量修正值(λs)序号判定项目规则要求检查结果单项结论1修正后的平均实际含量(q+λs)(q+λs)≥(q+λs)=2T1类短缺量的件数T1≤3T2类短缺量的件数T2≤0检验结论3、总体结论:检验人(签字)核验人员(签字):日期:日期:注:1、样本的编号可以根据实际需要进行删减。2、当样本单位具有负偏差时,商品发生短缺。检验结果判定时,应将商品负偏差取绝对值后方可与商品允许短缺量进行比较判断。定量包装商品净含量计量检验报告报告编号:商品名称_______________________型号规格_______________________受检单位_______________________生产单位_______________________检验类别_______________________检验单位(印章)_______________声明1、本单位定量包装商品计量检验项目经考核授权,授权证书编号为。2、本单位用于定量包装商品检验的计量器具其量值溯源到国家计量基准。3、本报告无检验单位的检验专用章或公章无效。4、本报告无主检人、审核人、批准人签名无效。5、本报告涂改无效。6、复制本报告未重新加盖检验单位的检验专用章或公章无效。7、对检验报告若有异议,应于收到报告之日起十五日内向出具报告单位提出,逾期视为认可检验结果。8、此报告仅对本检验批负责。检验单位联系...

1、当您付费下载文档后,您只拥有了使用权限,并不意味着购买了版权,文档只能用于自身使用,不得用于其他商业用途(如 [转卖]进行直接盈利或[编辑后售卖]进行间接盈利)。
2、本站所有内容均由合作方或网友上传,本站不对文档的完整性、权威性及其观点立场正确性做任何保证或承诺!文档内容仅供研究参考,付费前请自行鉴别。
3、如文档内容存在违规,或者侵犯商业秘密、侵犯著作权等,请点击“违规举报”。

碎片内容

定量包装商品净含量计量检验抽样单

墨香书阁+ 关注
实名认证
内容提供者

热爱教学事业,对互联网知识分享很感兴趣

确认删除?
VIP
微信客服
  • 扫码咨询
会员Q群
  • 会员专属群点击这里加入QQ群
客服邮箱
回到顶部