电脑桌面
添加小米粒文库到电脑桌面
安装后可以在桌面快捷访问

船舶建造质量标准(DOC89页)VIP免费

船舶建造质量标准(DOC89页)_第1页
1/87
船舶建造质量标准(DOC89页)_第2页
2/87
船舶建造质量标准(DOC89页)_第3页
3/87
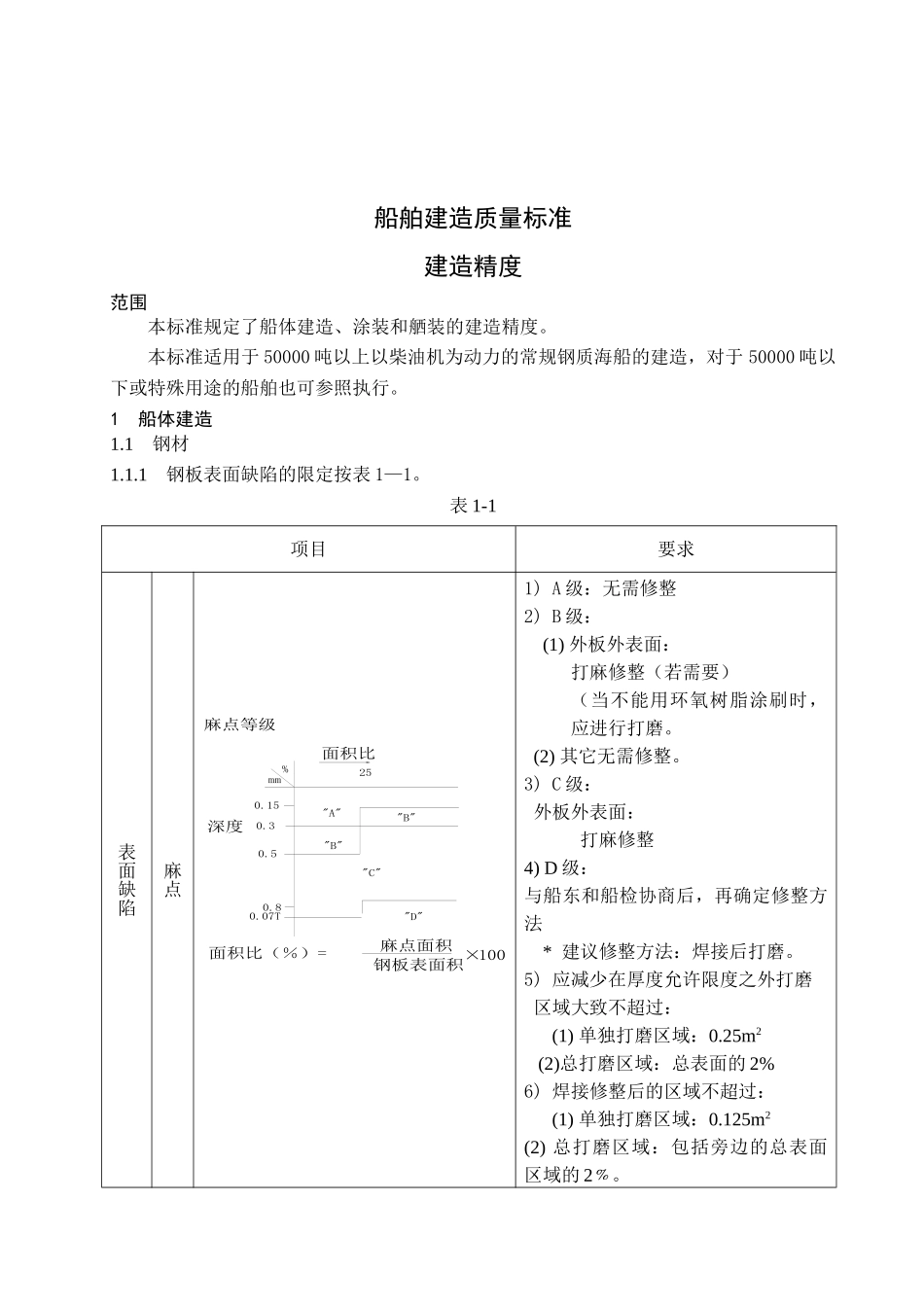
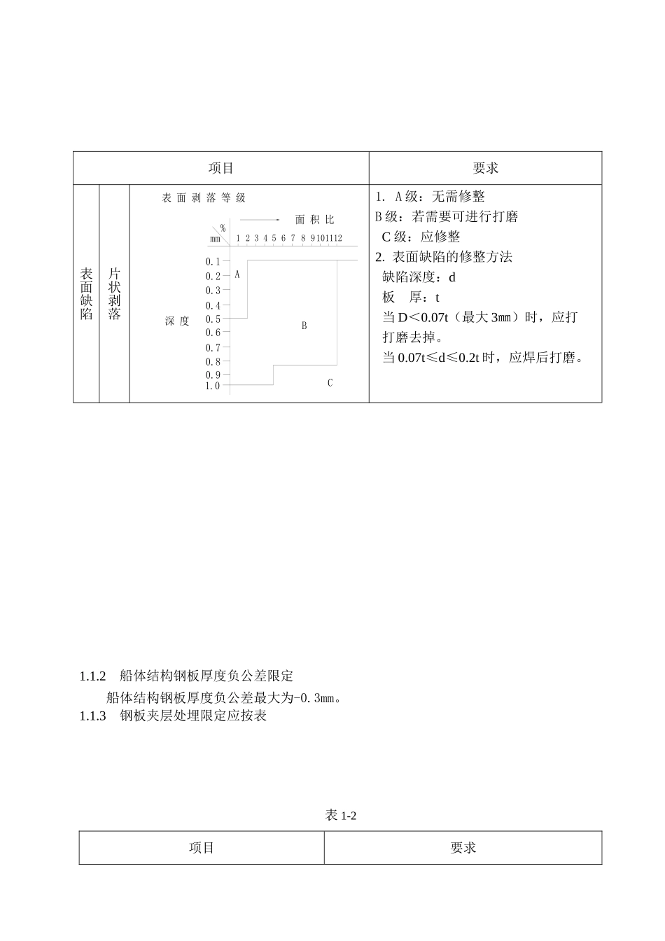
船舶建造质量标准建造精度范围本标准规定了船体建造、涂装和舾装的建造精度。本标准适用于50000吨以上以柴油机为动力的常规钢质海船的建造,对于50000吨以下或特殊用途的船舶也可参照执行。1船体建造1.1钢材1.1.1钢板表面缺陷的限定按表1—1。表1-1项目要求表面缺陷麻点麻点面积钢板表面积面积比"B""A"mm0.07T深度0.80.30.50.15%100×"D""C""B"25麻点等级面积比(%)=1)A级:无需修整2)B级:(1)外板外表面:打麻修整(若需要)(当不能用环氧树脂涂刷时,应进行打磨。(2)其它无需修整。3)C级:外板外表面:打麻修整4)D级:与船东和船检协商后,再确定修整方法*建议修整方法:焊接后打磨。5)应减少在厚度允许限度之外打磨区域大致不超过:(1)单独打磨区域:0.25m2(2)总打磨区域:总表面的2%6)焊接修整后的区域不超过:(1)单独打磨区域:0.125m2(2)总打磨区域:包括旁边的总表面区域的2﹪。1-2。表1-1(续)1.1.2船体结构钢板厚度负公差限定船体结构钢板厚度负公差最大为-0.3mm。1.1.3钢板夹层处埋限定应按表表1-2项目要求项目要求表面缺陷片状剥落100.21.00.60.70.80.90.30.40.5B3%0.1mmA12546789C1211表面剥落等级深度面积比1.A级:无需修整B级:若需要可进行打磨C级:应修整2.表面缺陷的修整方法缺陷深度:d板厚:t当D<0.07t(最大3㎜)时,应打打磨去掉。当0.07t≤d≤0.2t时,应焊后打磨。局部夹层(a)(b)(1)夹层的范围比较小,可批除后再补焊,如(a)所示。夹层的范围比较小,且接近钢材表面,则批除后进行焊补,如(b)所示。(2)在夹层情况比较严重的情况下,必须仔细检验,采取相应方法修正。(3)如果夹层焊补长度超过钢板边缘长度20%则需无损探伤检查焊补质量。严重夹层(1)(1)如果夹层范围相当广泛,则可更换一张钢板的一部份。(2)(2)标准规格的钢板需更换的最小宽度或长度:外板和强力甲板:在舯0.6L区域内为1600mm;在舯0.6L区域外为800mm;其他结构件为300mm或板厚的10倍,取其大者。在个别情况下,可减到50mm+4t;t为钢板厚度,mm。(3)如果夹层程度非常严重,且范围相当广泛,则整张钢板应更换。1.1.4铸钢表面缺陷处理限定按表1-3。表1-3项目要求缺陷深度为厚度的20%或深度为25mm以上及长度为150mm以上者。若发现空泡,裂纹或其它损伤缺陷,在除去缺陷后,应进行磁性探伤或超声波检验,并采取相应的修整方法。气孔、裂纹及其他有害缺陷。1.2划线1.2.1零部件线条的位置偏差限定按表1-4。表1-4mm项目标准范围允许极限备注中心线、理论线、对合线、检查线、安装位置线的偏差2.03.01.2.2零部件划线尺寸偏差限定按表1—5。表1-5mm项目标准范围允许极限备注长度±2.0±3.0宽度±1.5±2.5对角线±2.0±3.0指矩形板曲线外形±1.5±2.5直线度L≤4m≤1.0≤1.2指零部件的直线边缘4m<L≤8m≤1.2≤1.5L﹥8m≤2.0≤2.5角度±1.5±2.0以每米计开孔、切口≤1.5≤2.0过渡坡口Ldl=4d±1/2dL=4d±d如果D<3㎜,不需要过渡坡口1.2.3分段划线尺寸偏差限定按表1-6。表1-6mm项目标准范围允许极限备注平面分段划线与图样尺寸的偏差±2.5±3.5分段上构件划线位置与图样标注位置的偏差1.3切割1.3.1气割1.3.1.1气割表面粗糙度限定按表1-7。表1-7mm项目标准范围允许极限备注构件自由边重要构件自动、半自动气割0.100.20(1)型钢的机械切割按手工气割。(2)除去自由边毛刺。手工气割0.150.30非重要构件自动、半自动气割0.100.20手工气割0.501.00焊接接缝边重要构件自动、半自动气割0.100.20手工气割0.400.80非重要构件自动、半自动气割0.100.20手工气割0.801.501.3.1.2气割缺口限定按表1-8。表1-8mm项目标准范围允许极限备注构件自由边在舯0.6L区域内舷顶列板的上缘,强力甲板以及外板上所有开口的边缘,主要的纵向强力构件及悬臂梁。—无缺口(1)“缺口”是指大于该表面粗糙度3倍的凹口。(2)修补方法:a)用砂轮磨平;b)必要时可采用堆焊法修补,但必须避免短焊缝。重要的纵横强力构件<1.0其他<3.0焊接接缝边对接焊缝舯0.6L区域内的外板、强力甲板<2.0用砂轮、焊补修整缺口。L为船长其他<3.0角焊缝1.3.1.3气割尺寸偏差限定按表1-9。表1-9mm项目标准范围允许极限备注板边缘直线度自动焊缝≤0.4≤0.5半自动焊...

1、当您付费下载文档后,您只拥有了使用权限,并不意味着购买了版权,文档只能用于自身使用,不得用于其他商业用途(如 [转卖]进行直接盈利或[编辑后售卖]进行间接盈利)。
2、本站所有内容均由合作方或网友上传,本站不对文档的完整性、权威性及其观点立场正确性做任何保证或承诺!文档内容仅供研究参考,付费前请自行鉴别。
3、如文档内容存在违规,或者侵犯商业秘密、侵犯著作权等,请点击“违规举报”。

碎片内容

船舶建造质量标准(DOC89页)

您可能关注的文档

确认删除?
VIP
微信客服
  • 扫码咨询
会员Q群
  • 会员专属群点击这里加入QQ群
客服邮箱
回到顶部