电脑桌面
添加小米粒文库到电脑桌面
安装后可以在桌面快捷访问

HFJ---8DHFJ---8B射频毫伏表使用说明VIP免费

HFJ---8DHFJ---8B射频毫伏表使用说明_第1页
1/6
HFJ---8DHFJ---8B射频毫伏表使用说明_第2页
2/6
HFJ---8DHFJ---8B射频毫伏表使用说明_第3页
3/6
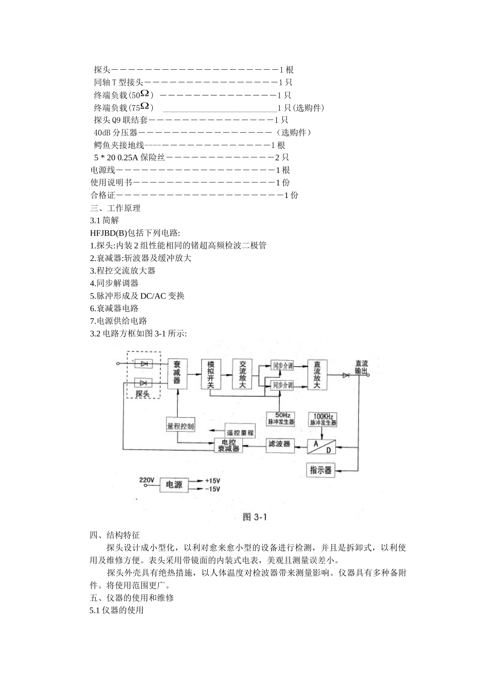
HFJ---8D/HFJ---8B射频毫伏表使用说明一、概述HFJ-8D,HFJ-8B射频毫伏表系采用双二极管检波,低噪声深负反馈放大电路的刻度线性化新型超高频电压测量仪器。测量电压范围为1mV~10V,频率范围宽达20Hz-1000MH。具有测量范围宽,刻度线性好及工作环境适应性强的特长。探头尺寸小型化,更适合于微型化电子设备的检测。HFJ-8D轻触式量程开关,无旋钮错位和打滑之忧,更具耐用性。它还具有量程遥控功能(选购件)。综上所述,HFJ-8D,HFJ-8B是一种较为理想的高频测量仪器,是有关工厂、学校、科研单位必不可少的测试设备。二.工作特性2.1被测电压频率范围:1kHz~1000MHz。用低频探头(选购件)可至20Hz。2.2电压测量范围:1mV~l0V分八档;如使用40dB分压器(选购件)扩展到1000V。满度值为3mV,10mV,30mV,100mV,300mV,1V,3V,10V2.3电平测量范围:50Ω系统:-48~+33Bm(0dBm=0.224V)75Ω系统:-50~+31dBm(0dBm=0.274V)2.4电压测量固有误差:3mV:5%;其余各档为:3%2.5固有频率影响误差:(以100KHz为基准)100kHz~50MHz:士3%10kHz~100kHz,、50MHz~600MHz:士10%1kHZ~10kHz,600MHz~1000MHz:+20%-10%2.6工作误差:3mV档:士5%,+3%(读数值)其余各档:士3%、+2%(读数值)2.7工作条件下频率影响误差:(以100KHz为基准)100kHz~50MHz:士5%l0kHz~l00kHz,50MHz~600MHz:士15%1kHz~l0kHz,600MHz~1000MHz:+30%、-10%2.8输入阻抗:输入阻抗:《15KΩ(30mv档),输入电容:<2.5pF2.9输出直流电压:100mV:士5%输出阻抗约1kS22.10正常工作条件:环境温度:0~400C相对湿度:,<90%40℃大气压力:750士30mmHg电源电压:220V士10%;50Hz士5%电源功耗:<10VA2.11仪器外型尺寸及重量:210*140*245mm、4Kg2.12仪器成套及设备附件:HFJ---8D(B)射频毫伏表――――――――――――――1台探头――――――――――――――――――――1根同轴T型接头――――――――――――――――1只终端负载(50Ω)――――――――――――――1只终端负载(75Ω)___________________________1只(选购件)探头Q9联结套――――――――――――――-1只40dB分压器――――――――――――――――(选购件)鳄鱼夹接地线----―――――――――――――1根5*200.25A保险丝―――――――――――――2只电源线―――――――――――――――――――1根使用说明书―――――――――――――――――1份合格证――――――――――――――――――――1份三、工作原理3.1简解HFJBD(B)包括下列电路:1.探头:内装2组性能相同的锗超高频检波二极管2.衰减器:斩波器及缓冲放大3.程控交流放大器4.同步解调器5.脉冲形成及DC/AC变换6.衰减器电路7.电源供给电路3.2电路方框如图3-1所示:四、结构特征探头设计成小型化,以利对愈来愈小型的设备进行检测,并且是拆卸式,以利使用及维修方便。表头采用带镜面的内装式电表,美观且测量误差小。探头外壳具有绝热措施,以人体温度对检波器带来测量影响。仪器具有多种备附件。将使用范围更广。五、仪器的使用和维修5.1仪器的使用5.1.1仪器前面板功能如图5-1(1)电表读数指示:黑刻度为电压V或mV;分别对应于0~1及0~3满刻度指示。红刻度为dBm读数;对应于50Ω及70Ω。BAL调节区为平衡区;在3mV档时调节。(2)电表机械调零:(用起子拨动圆盘调零位)(3)电源开关:按下时为电源接通。(4)探头插座插入探头作测量用。(插拔探头插头时,要往后拉动插头外圈后方能插拔,否则插头是锁住的)(5)BAL调节:在10mV以下时有作用。使用时在3mV调节,使指针指BAL区后,10mV,30mV不用调节,直接测量。(6)量程选择开关。5.1.2仪器后面板安排如图5-2(1)电源插座:配以三芯电源插入220V电源。(2)DC直流电压输出端:(红为正,黑为负)(3)保险丝座5.1.3测量准备3测量准备(1)调整电表机械零点(2)把探头接到探头插座上(3)接通电源(4)置量程为3mV档(5)用尽量短的接地线把探头头子与外壳短接。最好是采用本仪器提供的T型接头及终端负载。(6)调节BAL(平衡)旋钮使表针指示在BAL区。(7)切换合适量程对相应的被测电压进行测量。5.1.4操作注意事项(1)探头应尽量是离开发热体,以免引起探头升温(2)平衡调节只能在3mV...

1、当您付费下载文档后,您只拥有了使用权限,并不意味着购买了版权,文档只能用于自身使用,不得用于其他商业用途(如 [转卖]进行直接盈利或[编辑后售卖]进行间接盈利)。
2、本站所有内容均由合作方或网友上传,本站不对文档的完整性、权威性及其观点立场正确性做任何保证或承诺!文档内容仅供研究参考,付费前请自行鉴别。
3、如文档内容存在违规,或者侵犯商业秘密、侵犯著作权等,请点击“违规举报”。

碎片内容

HFJ---8DHFJ---8B射频毫伏表使用说明

您可能关注的文档

确认删除?
VIP
微信客服
  • 扫码咨询
会员Q群
  • 会员专属群点击这里加入QQ群
客服邮箱
回到顶部