电脑桌面
添加小米粒文库到电脑桌面
安装后可以在桌面快捷访问

西门子plc通信及其网络技术VIP免费

西门子plc通信及其网络技术_第1页
1/6
西门子plc通信及其网络技术_第2页
2/6
西门子plc通信及其网络技术_第3页
3/6
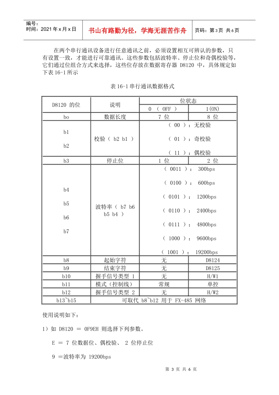
第1页共6页编号:时间:2021年x月x日书山有路勤为径,学海无涯苦作舟页码:第1页共6页PLC通讯及网络技术1.PLC与计算机通讯为了适应PLC网络化要求,扩大联网功能,几乎所有的PLC为了适应可编程控制器网络化的要求,扩大联网功能,几乎所有的可编程控制器厂家,都为可编程控制器开发了与上位机通讯的接口或专用通讯模块。一般在小型可编程控制器上都设有RS422通讯接口或RS232C通讯接口;在中大型可编程控制器上都设有专用的通讯模块。如:三菱F、F1、F2系列都设有标准的RS422接口,FX系列设有FX-232AW接口、RS232C用通讯适配器FX-232ADP等。可编程控制器与计算机之间的通讯正是通过可编程控制器上的RS422或RS232C接口和计算机上的RS232C接口进行的。可编程控制器与计算机之间的信息交换方式,一般采用字符串、双工或半、异步、串行通信方式。因此可以这样说,凡具有RS232C口并能输入输出字符串的计算机都可以用于和可编程控制器的通讯。运用RS232C和RS422通道,可容易配置一个与外部计算机进行通讯的系统。该系统中可编程控制器接受控制系统中的各种控制信息,分析处理后转化为可编程控制器中软元件的状态和数据;可编程控制器又将所有软元件的数据和状态送入计算机,由计算机采集这些数据,进行分析及运行状态监测,用计算机可改变可编程控制器的初始值和设定值,从而实现计算机对可编程控制器的直接控制。(1)通讯方式面对众多生产厂家的各种类型PLC,它们各有优缺点,能够满足用户的各种需求,但在形态、组成、功能、编程等方面各不相同,没有一个统一的标准,各厂家制订的通信协议也千差万别。目前,人们主要采用以下三种方式实现PLC与PC的互联通信:1)通过使用PLC开发商提供的系统协议和网络适配器,来实现PLC与PC机的互联通信。但是由于其通信协议是不公开的,因此互联通信必须使用PLC开发商提供的上位机组态软件,并采用支持相应协议的外设。可以说这种方式是PLC开发商为自己的产品量身定作的,因此难以满足不同用户的需求。2)使用目前通用的上位机组态软件,如组态王、InTouch、WinCC、力控等,来实现PLC与PC机的互连通信。组态软件以其功能强大、界面友好、开发简洁等优点目前在PC监控领域已经得到了广泛的应用,但是一般价格比较昂贵。组态软件本身并不具备直接访问PLC寄存器或其它智能仪表的能力,必须借助I/O驱动程序来实现。也就是说,I/O驱动程序是组态软件与PLC或其它智能仪表等设备交互信息的桥梁,负责从设备采第2页共6页第1页共6页编号:时间:2021年x月x日书山有路勤为径,学海无涯苦作舟页码:第2页共6页集实时数据并将操作命令下达给设备,它的可靠性将直接影响组态软件的性能。但是在大多数情况下,I/O驱动程序是与设备相关的,即针对某种PLC的驱动程序不能驱动其它种类的PLC,因此组态软件的灵活性也受到了一定的限制。3)(3)利用PLC厂商所提供的标准通信端口和由用户自定义的自由口通信方式来实现PLC与PC机的互连通信。这种方式由用户定义通信协议,不需要增加投资,灵活性好,特别适合于小规模的控制系统。通过上述分析不难得出,掌握如何利用PLC厂商提供的标准通信端口和自由口通信方式以及大家所熟悉的编程语言来实现PC与PLC之间的实时通信是非常必要的。(2)采用RS232实现三菱FX系列PLC与PC之间的通讯三菱FX系列PLC提供了4种通讯方式:N网络通讯、无协议串口通讯、平行网络通讯、程序口通讯。如果传输的数据量少,大多数PLC与计算机之间通信均可采用串行通信,通信接口均为PLC与工业控制计算机上的RS232接口。由于RS232采用非平衡方式传输数据,传输距离近,对于大功率、长距离,且单机监测信息量多,控制要求复杂的PLC通讯,直接采用RS232方式不能满足传输距离要求。因此,可采用RS485方式。因为RS485采用平衡差动式进行数据传输,适合于远距离传输,并具有较强抗干扰能力。图1是采用RS232/RS485通信转换器实现运距离通讯的示意图。(3)PLC与PC通讯应用实例1)通讯系统的连接图中是采用FX-232ADP接口单元,将一台通用计算机与一台FX2系列plc连接进行通讯的示意图。2)通讯操作FX2系列plc与通讯设备间的数据交换,由特殊寄存器D8120的内容指定,交换数据...

1、当您付费下载文档后,您只拥有了使用权限,并不意味着购买了版权,文档只能用于自身使用,不得用于其他商业用途(如 [转卖]进行直接盈利或[编辑后售卖]进行间接盈利)。
2、本站所有内容均由合作方或网友上传,本站不对文档的完整性、权威性及其观点立场正确性做任何保证或承诺!文档内容仅供研究参考,付费前请自行鉴别。
3、如文档内容存在违规,或者侵犯商业秘密、侵犯著作权等,请点击“违规举报”。

碎片内容

西门子plc通信及其网络技术

确认删除?
VIP
微信客服
  • 扫码咨询
会员Q群
  • 会员专属群点击这里加入QQ群
客服邮箱
回到顶部