电脑桌面
添加小米粒文库到电脑桌面
安装后可以在桌面快捷访问

采矿权转让申请书doc-采矿权延续申清登记书VIP免费

采矿权转让申请书doc-采矿权延续申清登记书_第1页
1/5
采矿权转让申请书doc-采矿权延续申清登记书_第2页
2/5
采矿权转让申请书doc-采矿权延续申清登记书_第3页
3/5
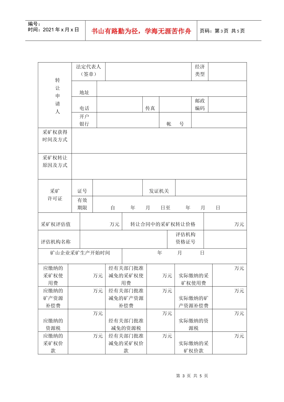
第1页共5页编号:时间:2021年x月x日书山有路勤为径,学海无涯苦作舟页码:第1页共5页审批通知书文号:()采转[]号采矿权转让申请书矿山名称:转让申请人:(印章)受让人:(印章)填表时间:年月第2页共5页第1页共5页编号:时间:2021年x月x日书山有路勤为径,学海无涯苦作舟页码:第2页共5页一、填表说明1、本申请书一式四份,要求字迹清晰、工整。不收复印件。2、“转让申清人”即采矿权人。转让申请人或受让人为法人的,填法人名称;为自然人的,填自然人名称。3、“矿山名称”即采矿许可证上登记的矿山名称。4、“法定代表人”由法定代表人填写并盖印章。5、“经济类型”是指国有、集体、私营、个体、联营、股份制、外商投资、港澳台投资经济等。6、“采矿权获得时间及方式”指转让申请人获得该采矿权的时间及方式。“方式”指从国家直接获得、转让获得及有偿、无偿等情况。7、“采矿权转让原因和方式”中,“转让方式”可填出售、作价出资等。8、“采矿权评估值”是指经国务院地质矿产主管部门确认的评估结果。“评估机构名称”是指由国务院地质矿产主管部门会同国务院国有资产管理部门认定的评估机构名称。“评估机构资格证号”指由探矿权、采矿权评估机构管理机关颁发的资格证书上的资格证号码。如为非国家出资勘查形成的采矿权,以上三项内容可不填写。9、“采矿权价款缴纳方式”可填一次性缴纳、分期缴纳、作价出资或其他方式。10、申请人若无上级主管部门,“转让申请人上级主管部门意见”栏可不填写。二、转让申请所必须附具的材料(一)转让申请人1、采矿许可证复印件。2、由采矿登记机关出具的转让申请人按规定缴纳采矿权使用费及采矿权价款的证明材料。3、由矿产资源补偿费征收管理机关出具的有关矿产资源补偿费缴纳情况的证明材料。4、由资源税征收管理部门出具的资源税缴纳情况的证明材料。5、由有关地质矿产主管部门出具的采矿权无争议的证明材料。6、转让申请人和受让人签订的采矿权转让合同。7、矿区范围图以及地理位置示意图,后者图幅大小要求为A4(210mm×297mm)。8、矿产资源开发利用情况报告。9、评估报告和评估结果确认文件。若为非国家出资勘查形成的采矿权,可不附具。10、申请转让的采矿权为再次转让的,应附具原转让审批文件复印件。(二)受让人1、矿山企业法人证明复印件。2、能满足该项采矿投入的资信证明。3、受让人资质条件的证明材料。4、受让人资质条件的其他证明材料。以上材料除特别注明者外,均为原件。第3页共5页第2页共5页编号:时间:2021年x月x日书山有路勤为径,学海无涯苦作舟页码:第3页共5页转让申请人法定代表人(签章)经济类型地址电话传真邮政编码开户银行帐号采矿权获得时间及方式采矿权转让原因及方式采矿许可证证号发证机关有效期限自年月日至年月日采矿权评估值万元转让合同中的采矿权转让价格万元评估机构名称评估机构资格证号矿山企业采矿生产开始时间年月日应缴纳的采矿权使用费万元经有关部门批准减免的采矿权使用费万元实际缴纳的采矿权使用费万元应缴纳的矿产资源补偿费万元经有关部门批准减免的矿产资源补偿费万元实际缴纳的矿产资源补偿费万元应缴纳的资源税万元经有关部门批准减免的资源税万元实际缴纳的资源税万元应缴纳的采矿权价款万元经有关部门批准减免的采矿权价款万元实际缴纳的采矿权价款万元第4页共5页第3页共5页编号:时间:2021年x月x日书山有路勤为径,学海无涯苦作舟页码:第4页共5页采矿权属有无争议采矿权价款缴纳方式矿区面积平方公里地理位置受让人法定代表人(签章)经济类型地址电话传真邮政编码开户银行帐号准备投资规模万元预期建矿时间预期开采规模受让人的资质条件资金条件技术条件设备条件转让申请人上级主管部门意见(印章)年月日第5页共5页第4页共5页编号:时间:2021年x月x日书山有路勤为径,学海无涯苦作舟页码:第5页共5页审批机关意见(印章)年月日

1、当您付费下载文档后,您只拥有了使用权限,并不意味着购买了版权,文档只能用于自身使用,不得用于其他商业用途(如 [转卖]进行直接盈利或[编辑后售卖]进行间接盈利)。
2、本站所有内容均由合作方或网友上传,本站不对文档的完整性、权威性及其观点立场正确性做任何保证或承诺!文档内容仅供研究参考,付费前请自行鉴别。
3、如文档内容存在违规,或者侵犯商业秘密、侵犯著作权等,请点击“违规举报”。

碎片内容

采矿权转让申请书doc-采矿权延续申清登记书

您可能关注的文档

确认删除?
VIP
微信客服
  • 扫码咨询
会员Q群
  • 会员专属群点击这里加入QQ群
客服邮箱
回到顶部