电脑桌面
添加小米粒文库到电脑桌面
安装后可以在桌面快捷访问

选矿工艺土建及机电设备安装工程技术质量策划书VIP专享VIP免费

选矿工艺土建及机电设备安装工程技术质量策划书_第1页
1/42
选矿工艺土建及机电设备安装工程技术质量策划书_第2页
2/42
选矿工艺土建及机电设备安装工程技术质量策划书_第3页
3/42
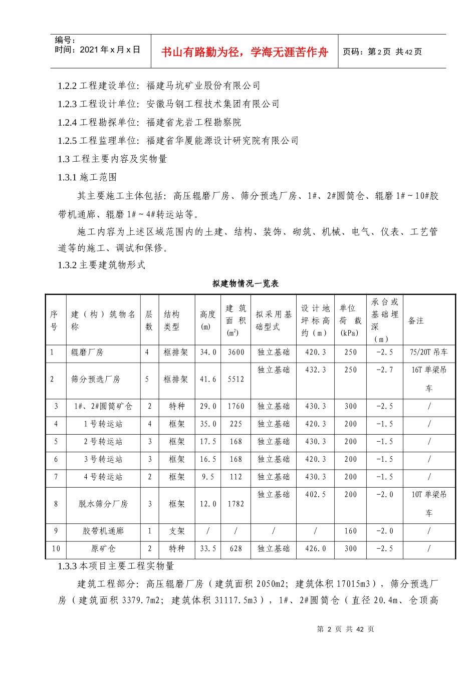
第1页共42页编号:时间:2021年x月x日书山有路勤为径,学海无涯苦作舟页码:第1页共42页1工程概况福建马坑矿业股份有限公司500万t/a采选高压辊磨及磁选抛尾选矿工程位于福建省龙岩市马坑。合同开工日期2016年03月20日(具体以开工报告为准),竣工日期:2017年04月30日,合同工期总日历天数:396日历天。1.1地质情况整个区域地貌单元为丘陵地形,区域高程差异较大,施工区域地形狭窄,临近山体边坡,山体主要堆积物为风化岩石层,下图为区域地质条件截面图:1.2、气象及水文条件龙岩市属亚热带海洋性季风气候。年平均气温18.7℃~21.0℃,平均降水量1031毫米~1369毫米,日照时数1804小时~2060小时。全年气候温和,无霜期长,雨量充沛,亚热带作物和林木生长茂盛。1.3、气候状况:1.3.1、气温:年平均气温18.7℃~21.0℃;1.3.2、雨:年平均降水为1031毫米~1369毫米;1.3.3、风:东南风为主导风向;1.2工程建设各方名称1.2.1工程名称:500万t/a采选高压辊磨及磁选抛尾选矿工艺土建及机电设备安装工程第2页共42页第1页共42页编号:时间:2021年x月x日书山有路勤为径,学海无涯苦作舟页码:第2页共42页1.2.2工程建设单位:福建马坑矿业股份有限公司1.2.3工程设计单位:安徽马钢工程技术集团有限公司1.2.4工程勘探单位:福建省龙岩工程勘察院1.2.5工程监理单位:福建省华厦能源设计研究院有限公司1.3工程主要内容及实物量1.3.1施工范围其主要施工主体包括:高压辊磨厂房、筛分预选厂房、1#、2#圆筒仓、辊磨1#~10#胶带机通廊、辊磨1#~4#转运站等。施工内容为上述区域范围内的土建、结构、装饰、砌筑、机械、电气、仪表、工艺管道等的施工、调试和保修。1.3.2主要建筑物形式拟建物情况一览表序号建(构)筑物名称层数结构类型高度(m)建筑面积(m2)拟采用基础型式设计地坪标高约(m)单位荷载(kPa)承台或基础埋深(m)备注1辊磨厂房4框排架34.03600独立基础420.3250-2.575/20T吊车2筛分预选厂房5框排架41.65512独立基础432.3250-2.716T单梁吊车31#、2#圆筒矿仓2特种29.01760独立基础430.3300-2.5/41号转运站4框架35.0225独立基础420.3200-1.5/52号转运站3框架17.5168独立基础430.3200-1.5/63号转运站3框架16.5168独立基础420.3200-1.5/74号转运站2框架9.5112独立基础430.3200-1.5/8脱水筛分厂房3框架12.01782独立基础402.5200-2.010T单梁吊车9胶带机通廊1支架////160-2.0/10原矿仓2特种33.5628独立基础426.0300-2.5/1.3.3本项目主要工程实物量建筑工程部分:高压辊磨厂房(建筑面积2050m2;建筑体积17015m3),筛分预选厂房(建筑面积3379.7m2;建筑体积31117.5m3),1#、2#圆筒仓(直径20.4m、仓顶高第3页共42页第2页共42页编号:时间:2021年x月x日书山有路勤为径,学海无涯苦作舟页码:第3页共42页29m、屋面高36.8m),辊磨1#~10#胶带机通廊(建筑总面积2824m2),辊磨1#~4#转运站(建筑总面积814.72m2;建筑总体积4940.47m3),粗矿仓(不含网架部分)。由于本工程非工程量清单计价形式招标,各项分部分项工程量清单工程量尚未明确。1.4工程的重点和难点1.4.1本工程占地区域狭小,地形复杂,为丘陵地形,整个区域高程差异较大,必须先搞好场地平整和道路的硬化工作。对施工资源的调配有一定的难度。1.4.2本工程施工子项工程多,各子项工程中,有的以土建工程为主,有的又以结构安装为主,造成施工重点不断转移,在施工过程中,要严格根据施工进度计划,灵活调配人力、物力,方能保证各子项工程全面按期竣工,从而保证总工期。1.4.3预制柱、薄腹梁、钢屋架梁长而重,安装位置高,施工场地狭小,预制及吊装难度大,安全隐患多。1.4.4本工程厂房柱基承台和设备基础体积大,高压辊磨厂房球辊磨、1#、2#圆筒仓、1#~4#转运站基础,现浇砼很容易产生温度裂缝,施工时要严格按照大体积砼的施工方法施工。1.4.5本工程预埋螺栓、预留螺栓孔较多,部分预埋件较重,为保证设备安装位置精确,施工时要精确控制预埋螺栓、螺栓预留孔、预埋件中心和标高。2图纸自审本工程施工图纸已基本到位,项目部已及时下发施工单位,要求认真做好图纸自审,按照过程控制程序文件要求进行自审,汇总意见并形成记录...

1、当您付费下载文档后,您只拥有了使用权限,并不意味着购买了版权,文档只能用于自身使用,不得用于其他商业用途(如 [转卖]进行直接盈利或[编辑后售卖]进行间接盈利)。
2、本站所有内容均由合作方或网友上传,本站不对文档的完整性、权威性及其观点立场正确性做任何保证或承诺!文档内容仅供研究参考,付费前请自行鉴别。
3、如文档内容存在违规,或者侵犯商业秘密、侵犯著作权等,请点击“违规举报”。

碎片内容

选矿工艺土建及机电设备安装工程技术质量策划书

确认删除?
VIP
微信客服
  • 扫码咨询
会员Q群
  • 会员专属群点击这里加入QQ群
客服邮箱
回到顶部