电脑桌面
添加小米粒文库到电脑桌面
安装后可以在桌面快捷访问

药品经营企业信用信息档案建档及信用评审申办事项须知VIP免费

药品经营企业信用信息档案建档及信用评审申办事项须知_第1页
1/4
药品经营企业信用信息档案建档及信用评审申办事项须知_第2页
2/4
药品经营企业信用信息档案建档及信用评审申办事项须知_第3页
3/4
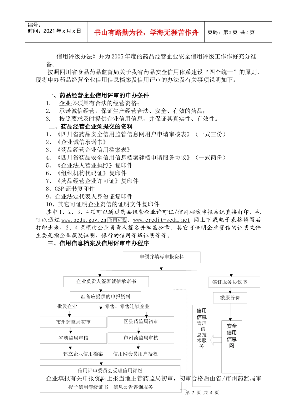
第1页共4页编号:时间:2021年x月x日书山有路勤为径,学海无涯苦作舟页码:第1页共4页四川省药品安全信用监督管理信息网药品经营企业信用信息档案建档及信用评审申办事项须知加快社会信用体系建设是党中央、国务院十分关注的一个问题,党的十六大报告提出“整顿和规范市场经济秩序,健全现代市场经济的社会信用体系”,吴仪副总理指出:“建设社会信用体系是利国利民的大事,食品药品行业要结合实施食品药品放心工程先行一步”。按照国家食品药品监督管理局“以监督为中心,监、帮、促相结合”的工作方针,为全面、规范、科学、深入贯彻实施《药品安全信用分类管理暂行规定》(国食药监市[2004]454号),推动药品市场信用体系建设的健康发展,形成规范有序的药品经营秩序,切实提高药品质量安全水平,保证人民群众用药安全有效。四川省作为国家食品药品监督管理局药品安全信用分类管理的重点试点单位之一,根据“四川省食品药品监督管理局关于开通试运行《四川省药品安全信用监督管理信息网》的通知”(川食药监局[2004]58号),四川省食品药品监督管理局开通了“四川省药品安全信用监督管理信息网”并启动2005年全省药品经营企业信用信息档案建档和信用评审申报工作。“四川省药品安全信用监督管理信息网”是为有关部门依法对企业进行信用档案管理、信用等级评定和信用记录信息查询及分类管理方面的行政服务、为企业经营提供合格企业资格资质身份认证、咨询和指导服务的专网。为了加强和推动四川省药品安全信用体系建设,充分保证全省药品安全信用分类管理工作健康有序地开展,合理利用资源,建立科学管理和技术支持体系,四川省食品药品监督管理局于2005年5月下发了《关于加强四川省药品安全信用体系建设工作的指导意见》(川食药监市[2005]16号)。指导意见明确了:1、必须坚持“四个统一”的原则,即:统一全省的药品企业信用信息档案数据中心;统一全省的药品安全信用评价体系;统一全省的药品安全信用信息发布和服务的网站系统;统一全省的药品安全信用奖惩分类管理制度的原则。2、坚持以国家关于信用体系建设的“政府推动、部门联动、市场化运作、全社会参与”的长效机制为指导思想。3、以“四川省药品安全信用监督管理信息网”作为对外公示与服务的专网。4、完成省政府2005年下达省局的药品安全信用体系建设的目标与任务,在本年度内完成药品经营企业的安全信用评审建档工作。同时,为进一步深入贯彻执行国家食品药品监督管理局《药品安全信用分类管理暂行规定》,积极建立符合四川省药品安全信用体系的基本框架和运行机制,确保完成省政府下达的2005年度信用建档率任务目标,顺利开展2005年度药品经营企业安全信用评级,四川省食品药品监督管理局于2005年10月下发了“关于《四川省药品经营企业药品安全信用评级办法》征求意见的通知”。通知要求:1、各市(州)食品药品监督管理部门应加大力度,确保完成省政府下达的2005年度信用建档率任务目标。2、将药品安全信用评级评审工作与GSP认证相结合。3、安排各市(州)食品药品监督管理局组织讨论《四川省药品经营企业药品安全第2页共4页第1页共4页批发企业零售、零售连锁企业申领并填写申报资料缴服务费签订服务协议书建立企业信用档案信用网会员用户授权信用评审委员会受理信用评级授予信用等级证书信息公告咨询服务区县药监局初审市州药监局审核准备应提供的申报资料企业负责人签署诚信承诺书信用信息管理信息技术服务安全信用信息网市州药监局初审省药监局审核编号:时间:2021年x月x日书山有路勤为径,学海无涯苦作舟页码:第2页共4页信用评级办法》并为2005年度的药品经营企业安全信用评级工作作好充分准备。按照四川省食品药品监督局关于我省药品安全信用体系建设“四个统一”的原则,现将申办药品经营企业信用信息档案及信用评审的办法及有关事项说明如下:一、药品经营企业信用评审的申办条件1.企业必须具有合法的经营资格;2.承诺诚信经营,保证生产经营合法、安全、有效的药品;3.按照要求及时提供企业信用信息,并保证其真实性、有效性。二、药品经营企业须提交的资料1、《四川省药品安全信用监管信息网用户申请审...

1、当您付费下载文档后,您只拥有了使用权限,并不意味着购买了版权,文档只能用于自身使用,不得用于其他商业用途(如 [转卖]进行直接盈利或[编辑后售卖]进行间接盈利)。
2、本站所有内容均由合作方或网友上传,本站不对文档的完整性、权威性及其观点立场正确性做任何保证或承诺!文档内容仅供研究参考,付费前请自行鉴别。
3、如文档内容存在违规,或者侵犯商业秘密、侵犯著作权等,请点击“违规举报”。

碎片内容

药品经营企业信用信息档案建档及信用评审申办事项须知

您可能关注的文档

精品中小学资料+ 关注
实名认证
内容提供者

精品文档

确认删除?
VIP
微信客服
  • 扫码咨询
会员Q群
  • 会员专属群点击这里加入QQ群
客服邮箱
回到顶部