电脑桌面
添加小米粒文库到电脑桌面
安装后可以在桌面快捷访问

风电场工程施工基础知识_secretVIP免费

风电场工程施工基础知识_secret_第1页
1/39
风电场工程施工基础知识_secret_第2页
2/39
风电场工程施工基础知识_secret_第3页
3/39
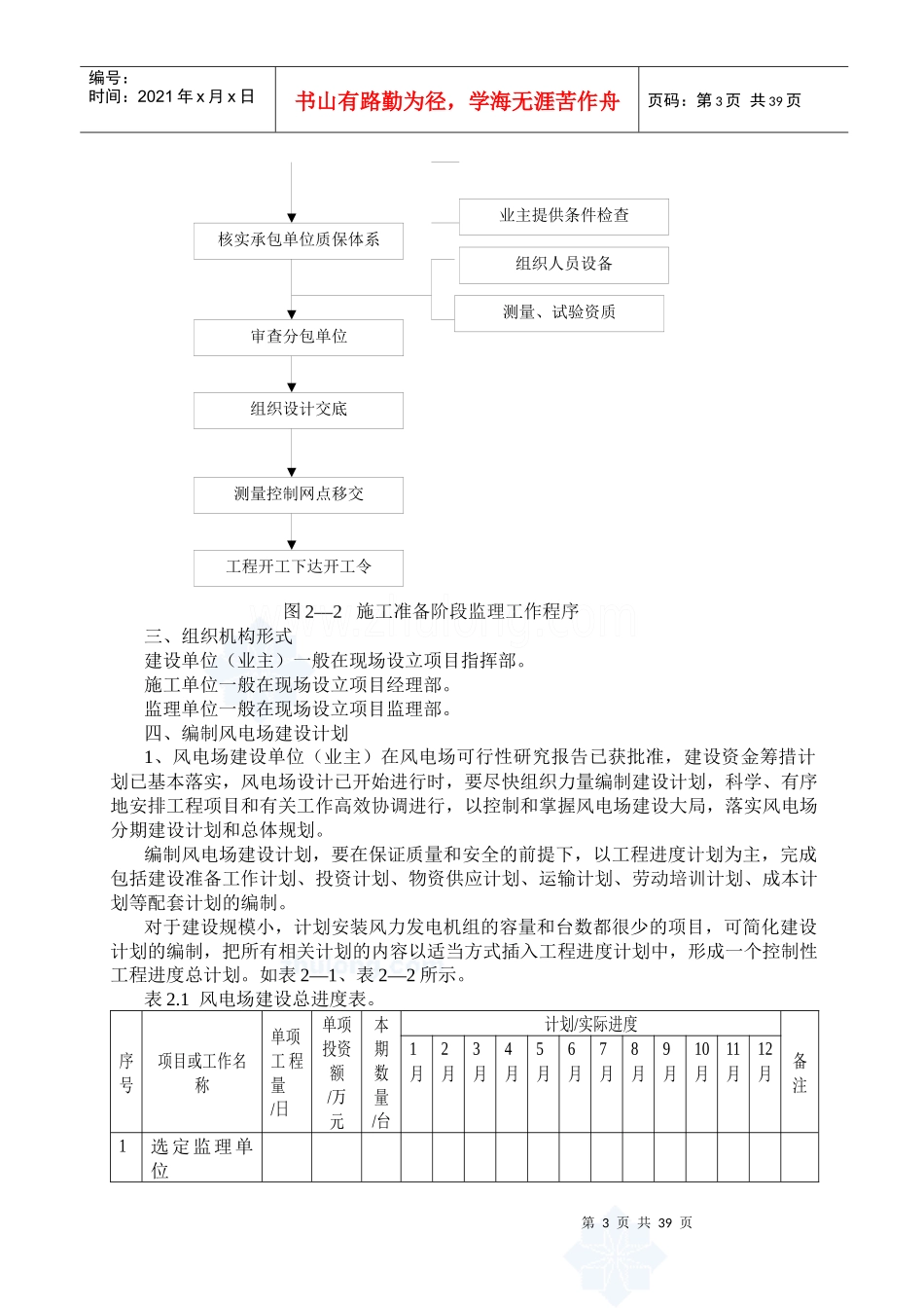
第1页共39页编号:时间:2021年x月x日书山有路勤为径,学海无涯苦作舟页码:第1页共39页风电场工程施工第一章风电场的施工前期准备施工准备是保证建设项目具备开工和连续施工的基本条件,施工准备工作充分与否,直接影响到项目的建设能否从预期的工期目标,较好的工程质量和较低的投资费用进行和完成。施工准备工作根据时间不同、可分为建设前期的施工准备、工程开工前的施工准备、施工期间的经常性施工准备及特殊性的施工准备。施工准备工作根据内容不同,又可分为施工组织准备,施工技术准备,施工物资准备及施工现场准备等。第一节施工组织准备施工组织准备工作涉及项目建设的三方,即业主单位、施工单位及监理单位。因此业主单位在风电场可行性研究报告已获批准后,要马上确定施工单位和监理单位。根据我国《建筑法》和《招标投标法》的规定精神,风电场建设的施工单位必须通过招标投标来确定。一、施工单位的确定施工单位是通过项目施工招标后确定的。因此,项目施工招标也是建设单位对自愿参加风电场建设项目的施工单位进行审查、评估和选定的过程。一般情况下,建设单位(业主)根据已批准的风电场项目的建设地点,投资额度、装机容量、质量标准和工程进度等,通过发布广告或邀请函的形式使自愿参与工程施工的施工单位,按业主的要求投标。建设单位(业主)根据投标报价高低、技术水平、施工能力、工程经验、员工素质、企业管理水平、财务状况和企业信誉程度等对其进行全面分析、综合评价、择优选定中标单位发出中标通知书,并与其签订施工合同的全过程。但也有通过邀请招标确定施工单位的。招标开标、评标、决标的程序同公开招标大体相同,不同点是没有办理公开招标的广告和资格预审环节,增加了发投标邀请函的环节。发送投标邀请函的对象,是建设单位(业主)认为有能力承担本工程的施工单位。一般不少于三家。二、建设监理的委托风电场建设涉及到风力发电、输变电、建筑、道路等工程,是一项多专业多学科的系统工程,建设单位要依靠自身的力量管理好风电场建设是比较艰巨和吃力的,而且多数风电场的建设单位(业主)还不具备完全依靠自身力量管理好风电场建设的能力和条件。委托有相应资质、满足专业需求的监理单位,代表建设单位(业主),依据国家有关法律法规和工程建设监理合同,工程建设的各有关合同,对风电场工程项目实施监理是解决上述问题的最佳选择。风电场建设实行建设监理制、符合我国建筑法和其他相关法规的要求,是风电场建设走向规范化管理的重要措施,建立“小业主大监理”的管理模式,使建设单位仅需派少量人员参与项目建设管理,从宏观角度进行控制,而具体的项目实施过程由监理单位派出专业对口的人员对第三方(设备供应商、施工单位)履行合同义务的工作加以监督、控制和管理,从而保证项目建设达到预定目标。建设监理的职责是:在建设施工前期,协助业主编制工程建设计划,协助进行施工招投标,采购招投标,协助签订施工合同和设备材料采购合同。在建设实施阶段控制建设的投资、工期、工程质量,进行工程建设合同管理,监督施工安全与环境保护,协调第2页共39页第1页共39页编号:时间:2021年x月x日书山有路勤为径,学海无涯苦作舟页码:第2页共39页有关单位间的关系,工程建设监理工作程序见图2—1,施工准备阶段监理工作程序见图2—2。图2—1工程建设监理工作总程序接受监理任务施工招标阶段施工阶段保修阶段选派拟任总监理工程师提前介入确认或委派项目总监理工程师成立项目监理组收集有关基础资料按合同编制监理规划及实施细则监理交底施工招标阶段施工阶段保修阶段监理结束、总结、建档审查施工组织设计检查落实施工条件开工项目的设计图纸提供进场材料的质量检验进场施工设备的检验按合同实施监理工作第3页共39页第2页共39页编号:时间:2021年x月x日书山有路勤为径,学海无涯苦作舟页码:第3页共39页图2—2施工准备阶段监理工作程序三、组织机构形式建设单位(业主)一般在现场设立项目指挥部。施工单位一般在现场设立项目经理部。监理单位一般在现场设立项目监理部。四、编制风电场建设计划1、风电场建设单位(业主)在风电场可行性研究报告已...

1、当您付费下载文档后,您只拥有了使用权限,并不意味着购买了版权,文档只能用于自身使用,不得用于其他商业用途(如 [转卖]进行直接盈利或[编辑后售卖]进行间接盈利)。
2、本站所有内容均由合作方或网友上传,本站不对文档的完整性、权威性及其观点立场正确性做任何保证或承诺!文档内容仅供研究参考,付费前请自行鉴别。
3、如文档内容存在违规,或者侵犯商业秘密、侵犯著作权等,请点击“违规举报”。

碎片内容

风电场工程施工基础知识_secret

您可能关注的文档

确认删除?
VIP
微信客服
  • 扫码咨询
会员Q群
  • 会员专属群点击这里加入QQ群
客服邮箱
回到顶部