电脑桌面
添加小米粒文库到电脑桌面
安装后可以在桌面快捷访问

电气控制与PLC理论考试试卷10VIP免费

电气控制与PLC理论考试试卷10_第1页
1/8
电气控制与PLC理论考试试卷10_第2页
2/8
电气控制与PLC理论考试试卷10_第3页
3/8
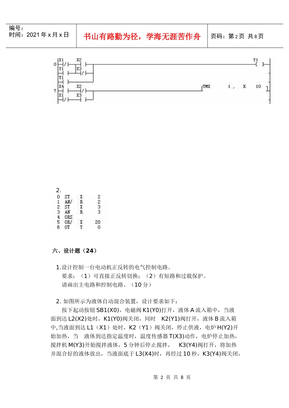
第1页共8页编号:时间:2021年x月x日书山有路勤为径,学海无涯苦作舟页码:第1页共8页电气控制与PLC理论考试试卷(10)注意事项四、改错题。指出下列电路有何错误?应如何改进?(每题8分,共16分)1.2.五、写出下面梯形图的指令表或将指令表转换成梯形图。(每题5分,共10分)1.第2页共8页第1页共8页编号:时间:2021年x月x日书山有路勤为径,学海无涯苦作舟页码:第2页共8页2.六、设计题(24)1.设计控制一台电动机正反转的电气控制电路。要求:(1)可直接正反转切换;(2)有短路和过载保护。请画出主电路和控制电路。(10分)2.如图所示为液体自动混合装置,设计要求如下:按下起动按钮SB1(X0),电磁阀K1(Y0)打开,液体A流入箱中,当液面到达L2(X2)处时,K1(Y0)阀关闭,同时K2(Y1)阀打开,液体B流入箱中,当液面到达L1(X1)处时,K2(Y1)阀关闭,停止供液,电炉H(Y2)开始加热,当液体到达指定温度时,温度传感器T(X3)动作,电炉停止加热,搅拌机M(Y3)开始搅拌液体,5分钟后停止搅拌,K3(Y4)阀打开,将加热并混合好的液体放出,当液面底于L3(X4)时,再经过10秒,K3(Y4)阀关闭,第3页共8页第2页共8页编号:时间:2021年x月x日书山有路勤为径,学海无涯苦作舟页码:第3页共8页此时箱内液体已放空。此时,电磁阀K1(Y0)打开,液体A流入箱中,开始下一周期循环。按下停止按钮SB2(X5),系统停止操作(停在初始状态上)。液体自动混合装置示意图试画出该控制系统的SFC功能图,并将其转换成梯形图。(14分)试题(十)答案第十套题一、填空题(每空1分,共20分)1、笼型异步电动机降压起动控制方式有星-三角形,串电阻和自耦变压器降压起动。2、热继电器是对电动机进行过载保护的电器;熔断器是用于供电线第4页共8页第3页共8页编号:时间:2021年x月x日书山有路勤为径,学海无涯苦作舟页码:第4页共8页路和电气设备的短路保护的电器。3、笼型异步电动机常用的制动方式有:电气制动和机械制动。4、电气控制图一般分为主电路和控制电路两部分。5、按国标规定,“停止”按钮必须是红色,“启动”按钮必须是绿色。6、FP1指令系统可分为基本指令和高级指令两大类。7、R901C是1秒时钟特殊辅助继电器。8、说明下列指令意义:ST初始加载指令OT输出指令AN/与非指令KP保持指令SET置位指令RST复位指令二、选择题(每题2分,共20分)1、由于电弧的存在,将导致(A)A电路分断时间加长B电路分断时间缩短C电路分断时间不变D分断能力提高2、熔断器的额定电流与熔体的额定电流(B)A是一回事B不是一回事C不确定3、甲乙两个接触器,欲实现互锁控制,则应(C)A在甲接触器的线圈电路中串入乙接触器的动断触点B在乙接触器的线圈电路中串入甲接触器的动断触点C在两接触器的线圈电路中互串对方的动断触点D在两接触器的线圈电路中互串对方的动合触点4、断电延时型时间继电器它的延时动合触点为(D)A延时闭合的动合触点B瞬动动合触点C瞬时闭合延时断开的动合触点D瞬时断开延时闭合的动合触点5、电压继电器与电流继电器的线圈相比,具有的特点是(B)A电压继电器的线圈与被測电路串联B电压继电器的线圈匝数多,导线细,电阻大C电压继电器的线圈匝数少,导线粗,电阻小D电压继电器的线圈匝数少,导线粗,电阻大6、同一电器的各个部件在图中可以不画在一起的图是(A)A电气原理图B电器布置图C电气按装接线图D电气系统图第5页共8页第4页共8页编号:时间:2021年x月x日书山有路勤为径,学海无涯苦作舟页码:第5页共8页7、下列电器中不能实现短路保护的是(B)A熔断器B热继电器C过电流继电器D空气开关8、在延时精度要求不高,电源电压波动较大的场合应选用(A)A空气阻尼式时间继电器B晶体管式时间继电器C电动式时间继电器D上述三种都不合适9、CJ20-160型交流接触器在380V时的额定电流是(A)A160AB20AC100AD80A10、按钮,行程开关,万能转换开关按用途或控制对象分属于下列哪一类(C)A低压保护电器B低压控制电器C低压主令电器D低压执行电器三、判断题(每题1分,共10分)1、接触器不具有欠压保护的功能。(×)2、三相笼型异步电动机的电气控制线路,如果使用热继电器作过载保护,就不必再装设熔断器作短路...

1、当您付费下载文档后,您只拥有了使用权限,并不意味着购买了版权,文档只能用于自身使用,不得用于其他商业用途(如 [转卖]进行直接盈利或[编辑后售卖]进行间接盈利)。
2、本站所有内容均由合作方或网友上传,本站不对文档的完整性、权威性及其观点立场正确性做任何保证或承诺!文档内容仅供研究参考,付费前请自行鉴别。
3、如文档内容存在违规,或者侵犯商业秘密、侵犯著作权等,请点击“违规举报”。

碎片内容

电气控制与PLC理论考试试卷10

精品中小学资料+ 关注
实名认证
内容提供者

精品文档

确认删除?
VIP
微信客服
  • 扫码咨询
会员Q群
  • 会员专属群点击这里加入QQ群
客服邮箱
回到顶部