电脑桌面
添加小米粒文库到电脑桌面
安装后可以在桌面快捷访问

简易机械手PLC控制VIP免费

简易机械手PLC控制_第1页
1/4
简易机械手PLC控制_第2页
2/4
简易机械手PLC控制_第3页
3/4
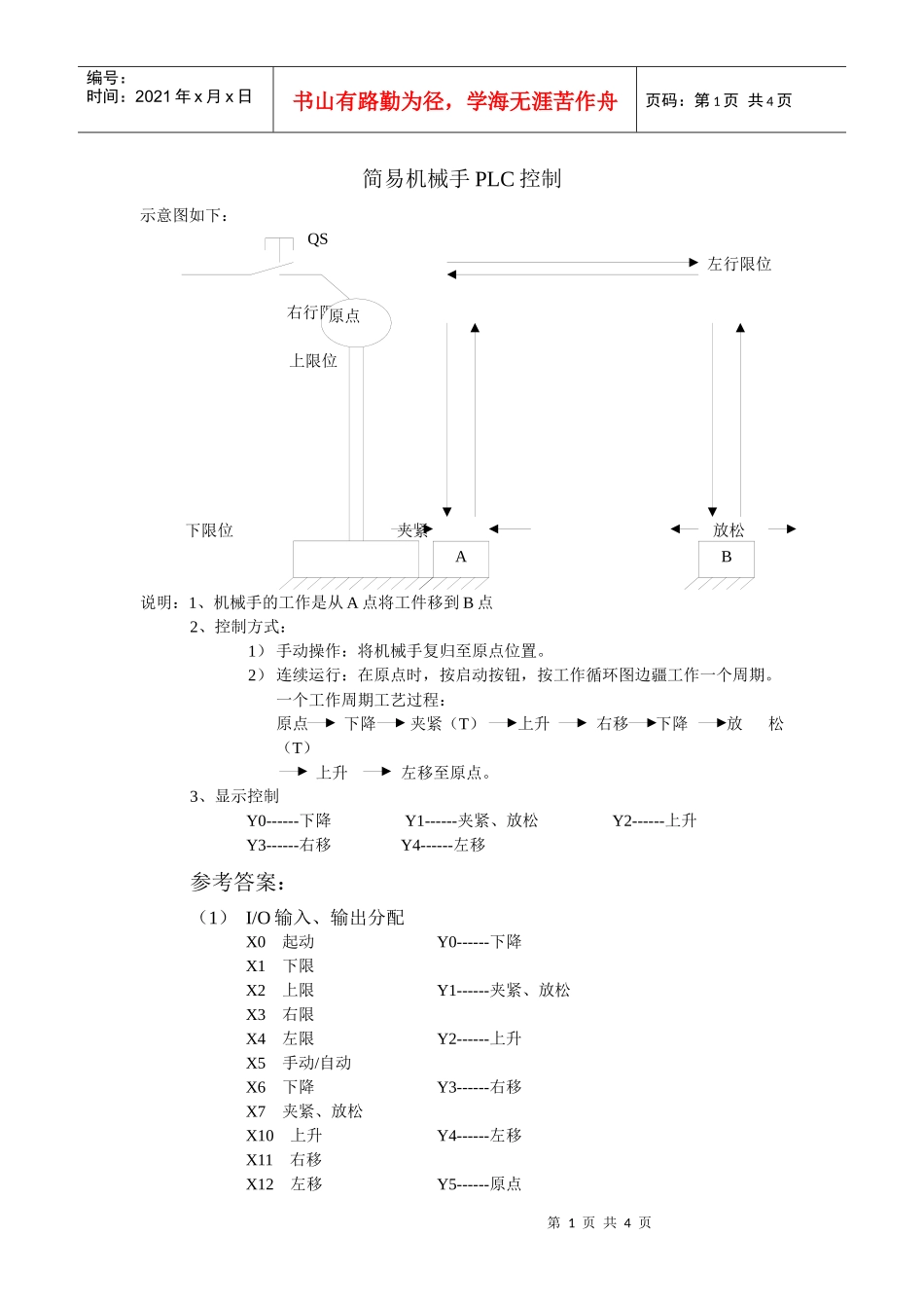
第1页共4页编号:时间:2021年x月x日书山有路勤为径,学海无涯苦作舟页码:第1页共4页简易机械手PLC控制示意图如下:QS左行限位右行限位上限位下限位夹紧放松说明:1、机械手的工作是从A点将工件移到B点2、控制方式:1)手动操作:将机械手复归至原点位置。2)连续运行:在原点时,按启动按钮,按工作循环图边疆工作一个周期。一个工作周期工艺过程:原点下降夹紧(T)上升右移下降放松(T)上升左移至原点。3、显示控制Y0------下降Y1------夹紧、放松Y2------上升Y3------右移Y4------左移参考答案:(1)I/O输入、输出分配X0起动Y0------下降X1下限X2上限Y1------夹紧、放松X3右限X4左限Y2------上升X5手动/自动X6下降Y3------右移X7夹紧、放松X10上升Y4------左移X11右移X12左移Y5------原点原点AB第2页共4页第1页共4页编号:时间:2021年x月x日书山有路勤为径,学海无涯苦作舟页码:第2页共4页X13原点X14急停/复位(2)PLC输入、输出图+—12VX0Y0X1X2Y1X3X4Y2X5X6Y3X7X10Y4X11X12Y5X13X14COM1/2COM第3页共4页第2页共4页编号:时间:2021年x月x日书山有路勤为径,学海无涯苦作舟页码:第3页共4页(3)状态流程图(4)步进状态图X5CJP0X6M8000Y0X14ZRSTS20S28X7Y1ZRSTY0Y5X10X2Y2X4X11SETY1Y3Y5X12X0Y4Y0FENDP0X1自动程序RSTY1RETT0K20ENDT0Y2X2Y3X3Y0X1SETY1T1K20T1Y2X2Y4X4S20S0S20S21S22S23S24S25S26S27S28S20S0S0S20S0S0S20S0S0S20S0S0S20S0S0S20S0S0S20S0S0S20S0S0S20S0S0第4页共4页第3页共4页编号:时间:2021年x月x日书山有路勤为径,学海无涯苦作舟页码:第4页共4页(5)编写程序LDX5SETS22CJP0STLS22LDX6RSTY1OUTY0OUTT0K20LDX7LDT0OUTY1SETS23LDX10STLS23OUTY2OUTY2LDX11LDX2OUTY3SETS24LDX12STLS24OUTY4OUTY3LDX13LDX3OUTY5SETS25FENDSTLS25P0OUTY0LDM8000LDX1SETS0SETS26STLS0STLS26LDX14SETY1ZRSTS20S28OUTT1K20ZRSTY0Y5LDT1LDX2SETS27ANDX4STLS27SETS20OUTY2STLS20LDX2SETY1SETS28OUTY5STLS28LDX0OUTY4SETS21LDX4STLS21OUTS20OUTY0RETLDX1END

1、当您付费下载文档后,您只拥有了使用权限,并不意味着购买了版权,文档只能用于自身使用,不得用于其他商业用途(如 [转卖]进行直接盈利或[编辑后售卖]进行间接盈利)。
2、本站所有内容均由合作方或网友上传,本站不对文档的完整性、权威性及其观点立场正确性做任何保证或承诺!文档内容仅供研究参考,付费前请自行鉴别。
3、如文档内容存在违规,或者侵犯商业秘密、侵犯著作权等,请点击“违规举报”。

碎片内容

简易机械手PLC控制

确认删除?
VIP
微信客服
  • 扫码咨询
会员Q群
  • 会员专属群点击这里加入QQ群
客服邮箱
回到顶部