电脑桌面
添加小米粒文库到电脑桌面
安装后可以在桌面快捷访问

第03章施工组织与管理(DOC8页)VIP免费

第03章施工组织与管理(DOC8页)_第1页
1/8
第03章施工组织与管理(DOC8页)_第2页
2/8
第03章施工组织与管理(DOC8页)_第3页
3/8
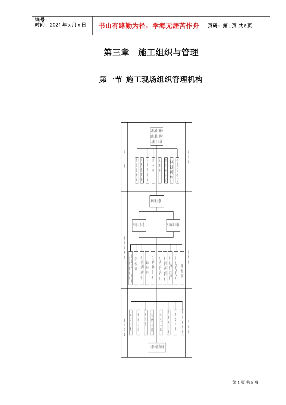
第1页共8页编号:时间:2021年x月x日书山有路勤为径,学海无涯苦作舟页码:第1页共8页第三章施工组织与管理第一节施工现场组织管理机构第2页共8页编号:时间:2021年x月x日书山有路勤为径,学海无涯苦作舟页码:第2页共8页第二节第三节组织机构职能分工一、项目管理部门岗位职责工程技术部职责1、负责项目施工调度管理工作,检查组织落实情况,及时掌握工程进度,物资、机械、运输、劳动力情况及存在问题及时处理解决;2、认真参加并执行经理部生产计划的编制和安排,下达班组旬日作业计划;3、确保施工过程按照质量体系文件要求进行;4、负责工程施工、工程质量和现场文明施工的控制;5、负责对工人进行技能、安全、质量的教育和培训;6、负责对被列为过程和关键工序的过程实施施工全过程的监控;7、负责编制项目指导性施工组织设计,施工方案和施工质量、安全措施及要求,了解施工及履约中的主要问题及时提出改进措施;8、负责管理施工文件及工程变更设计处理工作,督促、检查、指导有关人员及时编制竣工文件,组织编写各项工程总结,负责科技档案的积累整理、归档工作;9、参加质量事故调查和分析,制定有关纠正和预防措施并跟踪实施验正;10、负责质量记录的收集、整理、标识、归档、保管和移交工作。质量、安全部职责1、贯彻执行国家有关安全生产、工程质量、劳动保护、环境保护的方针、政策,并监督执行;2、参加施工调查,检查施工准备工作和技术交底并审核施工组织设计中有关安全、质量技术措施;3、根据设计文件和施工组织设计要求检查施工方法、技术操作方法,对违反操作规程和危害工程质量现象坚决制止并令其返修;4、负责施工过程的检查、验收和质量评定,并按将质量检查结果上报公司工程部;第3页共8页编号:时间:2021年x月x日书山有路勤为径,学海无涯苦作舟页码:第3页共8页5、负责现场施工安全教育、安全检查并做好记录;6、负责组织安全事故、工程质量事故及其它较大事故的调查分析,按上级要求呈报调查处理报告,并办理违章事故的经济罚款;7、参加隐蔽工程检查和工程竣工预算及验收交接工作。测量放线部职责1、配合工程技术部做好进场时的桩位、轴线复核及移交工作;2、负责工程控制桩点、轴线控制、标高、放线、垂直偏差观测及沉降观测等工作,同时做好各项技术数据的记录、整理、备档;3、提供准确的预留洞、预埋件位置,并监督、检查、落实。材料设备部职责1、贯彻执行有关物资管理的方针、政策、法令,负责制定与健全各项规章制度及实施办法;2、建立物资信息网,掌握市场行情,做好钢材、水泥等材料的采购工作,解决生产急需;3、编制物资采购申请计划,负责项目分管物资的采购工作;4、负责进场物资的验收、搬运、贮存、标识、保管保养、发放工作;5、负责贮存物资检验和试验状态的标识工作;6、负责物资验证的各种质量证明文件的收集,分类整理和移交;7、搞好部门间协作,做好低值易耗品、劳动保护用品的使用管理工作;8、及时向有关部门提报物资报表;9、参与施工调查,编制工程机械化施工方案,并根据施工组织,编制机械配备、使用计划;10、负责机械设备的选型、安装、调试和使用的全过程管理,确保机械设备处于良好技术状态;11、掌握项目机械设备的数量、质量、性能、用途和生产能力,解决机械设备的管、第4页共8页编号:时间:2021年x月x日书山有路勤为径,学海无涯苦作舟页码:第4页共8页用、养、修的技术问题;12、组织对各种机械事故的调查、分析和处理。定额预算部职责1、严格执行国家经济政策和有关文件、法令、法规。制定项目内施工预算细则,并组织实施。2、负责项目的验工计价工作,向建设、监理单位申报各类验收工报表,编制月工计价表和季度验收工及年度验工;3、依据施工进展情况和设计变更内容,及时编制补充预算;4、配合公司工程部做好工程变更或其它特殊情况而影响合同执行时的合同评审工作。核算财务部职责1、加强成本管理的监督和检查工作,组织贯彻各项经营经费法规和财务制度;2、编制流动资金收支计划,负责组织工程价款的结算工作;3、负责外部和内部制定的原始凭证的审核,负责有关费用计划的控制工作和会计凭证的复核工...

1、当您付费下载文档后,您只拥有了使用权限,并不意味着购买了版权,文档只能用于自身使用,不得用于其他商业用途(如 [转卖]进行直接盈利或[编辑后售卖]进行间接盈利)。
2、本站所有内容均由合作方或网友上传,本站不对文档的完整性、权威性及其观点立场正确性做任何保证或承诺!文档内容仅供研究参考,付费前请自行鉴别。
3、如文档内容存在违规,或者侵犯商业秘密、侵犯著作权等,请点击“违规举报”。

碎片内容

第03章施工组织与管理(DOC8页)

确认删除?
VIP
微信客服
  • 扫码咨询
会员Q群
  • 会员专属群点击这里加入QQ群
客服邮箱
回到顶部