电脑桌面
添加小米粒文库到电脑桌面
安装后可以在桌面快捷访问

鲁JJ—124 钢筋原材料检验批质量验收记录表2VIP免费

鲁JJ—124 钢筋原材料检验批质量验收记录表2_第1页
1/19
鲁JJ—124 钢筋原材料检验批质量验收记录表2_第2页
2/19
鲁JJ—124 钢筋原材料检验批质量验收记录表2_第3页
3/19
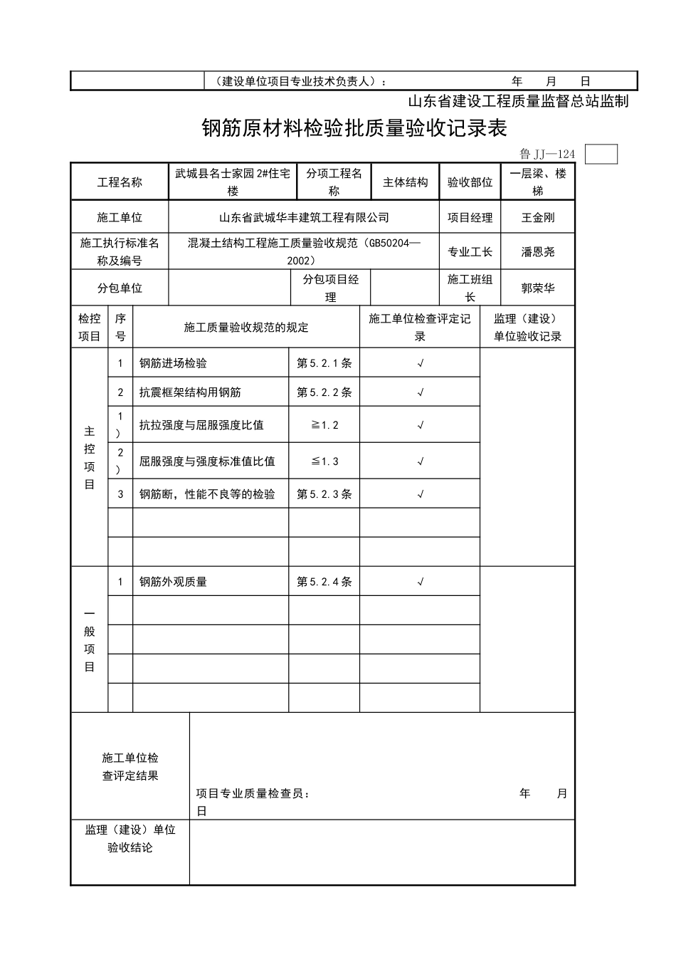
钢筋原材料检验批质量验收记录表鲁JJ—124工程名称武城县名士家园2#住宅楼分项工程名称主体结构验收部位一层柱施工单位山东省武城华丰建筑工程有限公司项目经理王金刚施工执行标准名称及编号混凝土结构工程施工质量验收规范(GB50204—2002)专业工长潘恩尧分包单位分包项目经理施工班组长郭荣华检控项目序号施工质量验收规范的规定施工单位检查评定记录监理(建设)单位验收记录主控项目1钢筋进场检验第5.2.1条√2抗震框架结构用钢筋第5.2.2条√1)抗拉强度与屈服强度比值≧1.2√2)屈服强度与强度标准值比值≦1.3√3钢筋断,性能不良等的检验第5.2.3条√一般项目1钢筋外观质量第5.2.4条√施工单位检查评定结果项目专业质量检查员:年月日监理(建设)单位验收结论监理工程师:(建设单位项目专业技术负责人):年月日山东省建设工程质量监督总站监制钢筋原材料检验批质量验收记录表鲁JJ—124工程名称武城县名士家园2#住宅楼分项工程名称主体结构验收部位一层梁、楼梯施工单位山东省武城华丰建筑工程有限公司项目经理王金刚施工执行标准名称及编号混凝土结构工程施工质量验收规范(GB50204—2002)专业工长潘恩尧分包单位分包项目经理施工班组长郭荣华检控项目序号施工质量验收规范的规定施工单位检查评定记录监理(建设)单位验收记录主控项目1钢筋进场检验第5.2.1条√2抗震框架结构用钢筋第5.2.2条√1)抗拉强度与屈服强度比值≧1.2√2)屈服强度与强度标准值比值≦1.3√3钢筋断,性能不良等的检验第5.2.3条√一般项目1钢筋外观质量第5.2.4条√施工单位检查评定结果项目专业质量检查员:年月日监理(建设)单位验收结论监理工程师:(建设单位项目专业技术负责人):年月日山东省建设工程质量监督总站监制钢筋原材料检验批质量验收记录表鲁JJ—124工程名称武城县名士家园2#住宅楼分项工程名称主体结构验收部位一层现浇板施工单位山东省武城华丰建筑工程有限公司项目经理王金刚施工执行标准名称及编号混凝土结构工程施工质量验收规范(GB50204—2002)专业工长潘恩尧分包单位分包项目经理施工班组长郭荣华检控项目序号施工质量验收规范的规定施工单位检查评定记录监理(建设)单位验收记录主控项目1钢筋进场检验第5.2.1条√2抗震框架结构用钢筋第5.2.2条√1)抗拉强度与屈服强度比值≧1.2√2)屈服强度与强度标准值比值≦1.3√3钢筋断,性能不良等的检验第5.2.3条√一般项目1钢筋外观质量第5.2.4条√施工单位检查评定结果项目专业质量检查员:年月日监理(建设)单位验收结论监理工程师:(建设单位项目专业技术负责人):年月日山东省建设工程质量监督总站监制钢筋原材料检验批质量验收记录表鲁JJ—124工程名称武城县名士家园2#住宅楼分项工程名称主体结构验收部位二层柱施工单位山东省武城华丰建筑工程有限公司项目经理王金刚施工执行标准名称及编号混凝土结构工程施工质量验收规范(GB50204—2002)专业工长潘恩尧分包单位分包项目经理施工班组长郭荣华检控项目序号施工质量验收规范的规定施工单位检查评定记录监理(建设)单位验收记录主控项目1钢筋进场检验第5.2.1条√2抗震框架结构用钢筋第5.2.2条√1)抗拉强度与屈服强度比值≧1.2√2)屈服强度与强度标准值比值≦1.3√3钢筋断,性能不良等的检验第5.2.3条√一般项目1钢筋外观质量第5.2.4条√施工单位检查评定结果项目专业质量检查员:年月日监理(建设)单位验收结论监理工程师:(建设单位项目专业技术负责人):年月日山东省建设工程质量监督总站监制钢筋原材料检验批质量验收记录表鲁JJ—124工程名称武城县名士家园2#住宅楼分项工程名称主体结构验收部位二层梁、楼梯施工单位山东省武城华丰建筑工程有限公司项目经理王金刚施工执行标准名称及编号混凝土结构工程施工质量验收规范(GB50204—2002)专业工长潘恩尧分包单位分包项目经理施工班组长郭荣华检控项目序号施工质量验收规范的规定施工单位检查评定记录监理(建设)单位验收记录主控项目1钢筋进场检验第5.2.1条√2抗震框架结构用钢筋第5.2.2条√1)抗拉强度与屈服强度比值≧1.2√2)屈服强度与强度标准值比值≦1.3√3钢筋断,性能不良等的检验第5.2.3条√一般项...

1、当您付费下载文档后,您只拥有了使用权限,并不意味着购买了版权,文档只能用于自身使用,不得用于其他商业用途(如 [转卖]进行直接盈利或[编辑后售卖]进行间接盈利)。
2、本站所有内容均由合作方或网友上传,本站不对文档的完整性、权威性及其观点立场正确性做任何保证或承诺!文档内容仅供研究参考,付费前请自行鉴别。
3、如文档内容存在违规,或者侵犯商业秘密、侵犯著作权等,请点击“违规举报”。

碎片内容

鲁JJ—124 钢筋原材料检验批质量验收记录表2

您可能关注的文档

确认删除?
VIP
微信客服
  • 扫码咨询
会员Q群
  • 会员专属群点击这里加入QQ群
客服邮箱
回到顶部