电脑桌面
添加小米粒文库到电脑桌面
安装后可以在桌面快捷访问

汽车发动机构造与维修教学大纲VIP免费

汽车发动机构造与维修教学大纲_第1页
1/6
汽车发动机构造与维修教学大纲_第2页
2/6
汽车发动机构造与维修教学大纲_第3页
3/6
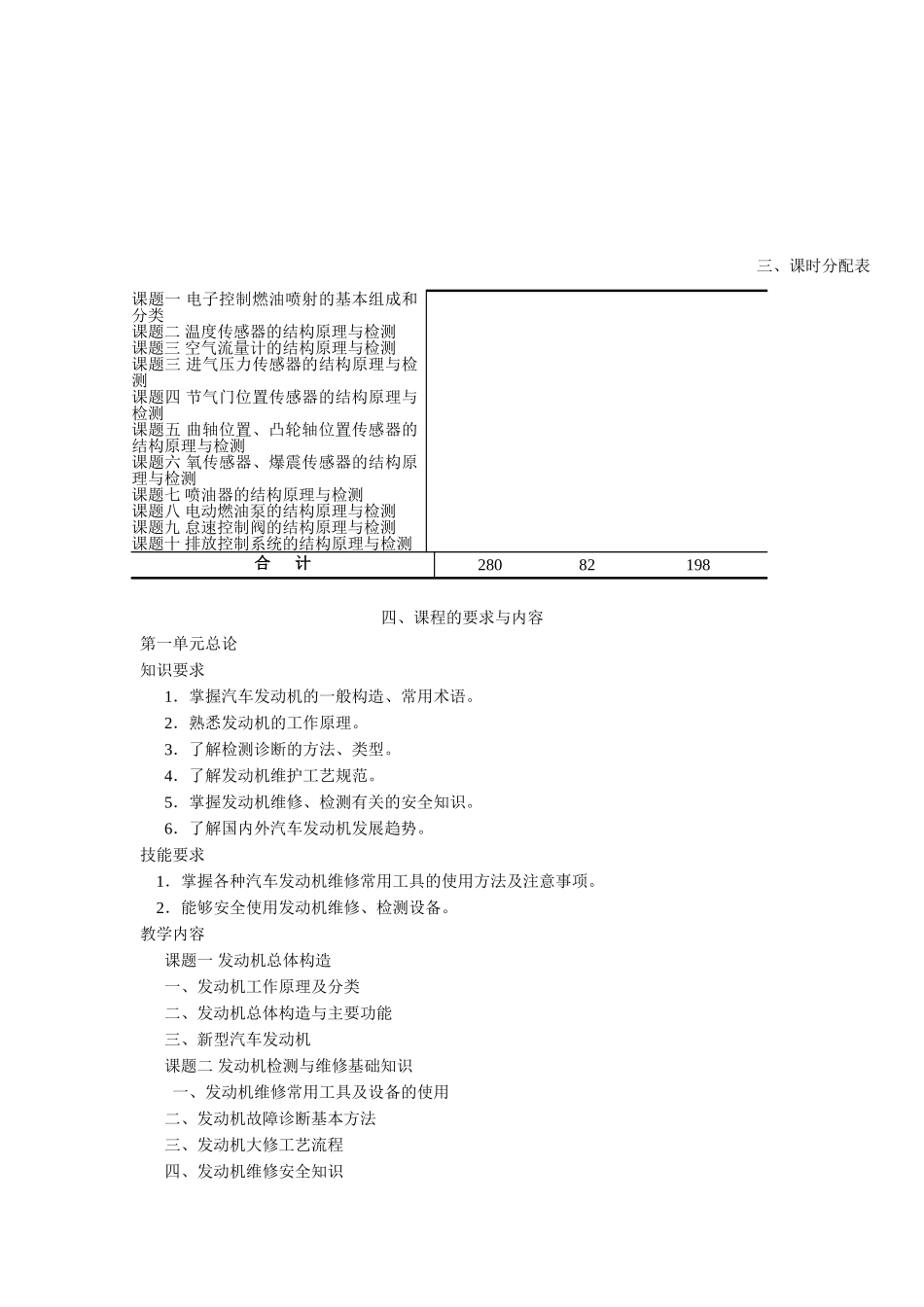
汽车发动机构造与维修教学大纲一、课程的任务通过本课程的学习,掌握汽车发动机维修的基础理论知识、基本操作技能;掌握汽车检测技术在发动机维修过程中的具体运用;掌握发动机维护的作业内容和作业方法;熟悉发动机主要零部件的修复方法;能运用正确的方法熟练排除汽车发动机常见故障。二、课程的基本要求1.熟悉发动机主要机构总成的基本构造、工作原理、主要功能和相互间的连接关系。2.掌握发动机维护的基本技能,熟悉发动机各总成、零部件的拆装工艺、技术要求、调整内容、调整部位及有关注意事项。3.掌握发动机检测技术必备的基础知识,熟悉发动机主要性能的检测方法和技术要求。4.掌握发动机各种常见故障的现象、原因、判断及排除方法。5.熟悉发动机主要零部件的修复方法、技术要求。6.遵守安全技术操作规程,培养学生良好的安全文明生产习惯。课时分配表单元顺序及名称总课时授课技能训练第一单元总论课题一发动机总体构造课题二发动机检测与维修基础知识16844844第二单元曲柄连杆机构课题一机体组课题二活塞连杆组课题三曲轴飞轮组课题四内燃机的支撑课题五综合故障诊断与排除4313343123068826第三单元配气机构课题一气门组课题二气门传动组课题三配气相位课题四综合故障诊断与排除2151112163346第四单元柴油机燃料供给系课题一柴油机燃油供给系统课题二进排气系统课题三新型柴油机60181044422688第五单元润滑系、冷却系课题一润滑系课题二冷却系28844201010第六单元发动机总装及检测课题一发动机总成装配及竣工验收课题二发动机的检测与诊断28642221012第七单元电子控制燃油喷射课题一电子控制燃油喷射的基本组成和分类课题二温度传感器的结构原理与检测课题三空气流量计的结构原理与检测课题三进气压力传感器的结构原理与检测课题四节气门位置传感器的结构原理与检测课题五曲轴位置、凸轮轴位置传感器的结构原理与检测课题六氧传感器、爆震传感器的结构原理与检测课题七喷油器的结构原理与检测课题八电动燃油泵的结构原理与检测课题九怠速控制阀的结构原理与检测课题十排放控制系统的结构原理与检测合计28082198四、课程的要求与内容第一单元总论知识要求1.掌握汽车发动机的一般构造、常用术语。2.熟悉发动机的工作原理。3.了解检测诊断的方法、类型。4.了解发动机维护工艺规范。5.掌握发动机维修、检测有关的安全知识。6.了解国内外汽车发动机发展趋势。技能要求1.掌握各种汽车发动机维修常用工具的使用方法及注意事项。2.能够安全使用发动机维修、检测设备。教学内容课题一发动机总体构造一、发动机工作原理及分类二、发动机总体构造与主要功能三、新型汽车发动机课题二发动机检测与维修基础知识一、发动机维修常用工具及设备的使用二、发动机故障诊断基本方法三、发动机大修工艺流程四、发动机维修安全知识三、课时分配表第二单元曲柄连杆机构知识要求1.掌握发动机曲柄连杆机构的结构、工作原理、主要作用,以及各部件的主要技术参数。2.掌握发动机曲柄连杆机构维护作业内容、作业方法、主要技术要求及安全操作规程。3.掌握曲柄连杆机构常见故障现象、原因分析。4.了解曲柄连杆机构的检测、诊断技术。5.熟悉曲柄连杆机构主要零配件的修复方法。技能要求1.能按要求完成发动机曲柄连杆机构各组件、机构的拆装,掌握缸体、缸盖平面度检验及修理方法,掌握气缸修理尺寸、连杆大头轴承与曲轴主轴承修理尺寸的确定方法,掌握连杆小头活塞销衬套的更换和修配方法及技术要求。2.能按规定完成发动机曲柄连杆机构有组件和机构的维护工作。3.能按规定对发动机曲柄连杆机构进检测、诊断和故障排除。教学内容理论部分课题一机体组一、机体组的基本组成二、机体组拆装三、机体组维修课题二活塞连杆组一、活塞连杆组的构造二、活塞连杆组拆装三、活塞连杆组维修四、活塞连杆组故障诊断与排除课题三曲轴飞轮组一、曲轴飞轮组的构造二、曲轴飞轮组拆装三、曲轴飞轮组检修课题四内燃机的支撑课题五综合故障诊断与排除操作部分1、缸盖拆装检修2、活塞连杆组拆装检修3、曲轴飞轮组拆装与检修4、量缸、量轴第三单元配气机构知识要求1.机构的结构、工作原理、主要作用...

1、当您付费下载文档后,您只拥有了使用权限,并不意味着购买了版权,文档只能用于自身使用,不得用于其他商业用途(如 [转卖]进行直接盈利或[编辑后售卖]进行间接盈利)。
2、本站所有内容均由合作方或网友上传,本站不对文档的完整性、权威性及其观点立场正确性做任何保证或承诺!文档内容仅供研究参考,付费前请自行鉴别。
3、如文档内容存在违规,或者侵犯商业秘密、侵犯著作权等,请点击“违规举报”。

碎片内容

汽车发动机构造与维修教学大纲

海纳百川+ 关注
实名认证
内容提供者

热爱教学事业,对互联网知识分享很感兴趣

确认删除?
VIP
微信客服
  • 扫码咨询
会员Q群
  • 会员专属群点击这里加入QQ群
客服邮箱
回到顶部