电脑桌面
添加小米粒文库到电脑桌面
安装后可以在桌面快捷访问

基于现代造船模式的船体零件编码研究和应用_上海造船2006(4)VIP免费

基于现代造船模式的船体零件编码研究和应用_上海造船2006(4)_第1页
1/7
基于现代造船模式的船体零件编码研究和应用_上海造船2006(4)_第2页
2/7
基于现代造船模式的船体零件编码研究和应用_上海造船2006(4)_第3页
3/7
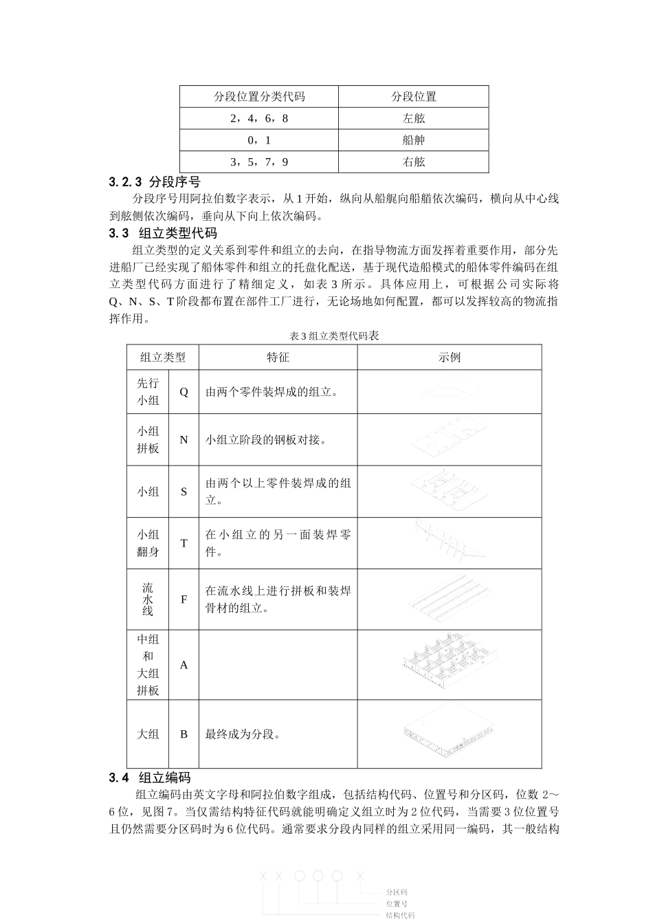
基于现代造船模式的船体零件编码研究和应用王世利1刘建峰2金烨1孙嘉钧21上海交通大学工程硕士2上海外高桥造船有限公司【摘要】:基于对现代造船模式下船体分段建造作业的分析,应用编码技术,结合先进设计软件的编码功能,根据船体分段零部件特点,本文主要研究了:工程编码、分段编码、组立类型代码、组立编码、零件分类代码、零件号和零件加工代码的设置问题;组立流向、编码级数和编码完整性问题;编码体系与TRIBON设计软件的匹配问题。通过综合研究,本文建立了一套基于现代造船模式的船体零件编码体系。【关键词】:零件,编码,组立,流程,建模,适用性1前言随着现代造船模式的深入发展,部分先进船厂初步建立了切割中心、部件工场、平直中心、曲面中心、模块中心和外场大组平台为主体的分段分道建造模式,这种分段建造模式可以显著的提高生产效率,但是物流管理难度很大,相应的也就要求生产设计将分段建造过程细致分解。基于现代造船模式的船体零件编码致力于应用编码技术和设计软件,将经过产品导向型工程分解和分道组合的各类中间产品,按现代造船模式形成的生产作业体系进行电子化模拟造船,且使设计、物资、生产、管理的信息共享,信息快速传递,在促进船体零部件物流方面发挥着突出的作用2船体零件编码构思2.1船体建造分解船体建造过程传统上分为小组立、中组立、大组立、总组和搭载。零件拼装成中小组立,中小组立拼装成分段,分段总组为总段,大量分段和总段组装出一条整船,这样的作业分解比较粗犷,难以满足精细管理的需要。船体分道作业法的工程分解从中间产品的角度出发,将船体结构分解成零件装配、组立装配、分段装配等阶段后,按照成组技术相似性原理将其分类成组,以组为单位安排人员、设备和场地,组建成分道生产线。通常设有钢材预处理线、T型材生产线、内部零件生产线、部件生产线、平面分段生产线、曲面分段制作区、上层建筑分段制作区等船体生产线。中间产品分解的方法,实际上是一种划细生产作业单元的方法。设计阶段的船体作业中间产品分解,即装焊作业定义越精细越好,生产阶段可根据场地、设备、人力等客观条件进行相匹配的组合。这是基于现代造船模式的船体零件编码所关注的重点,即以中间产品为导向,贯彻工程分解与组合的精细化,通过编码做到图1所示的精细程度,而非传统的小组、中组和大组。图1船体作业流程分解2.2船体编码体系创建原则船体零件编码体系的创建,必须遵循一定的原则,通常要具有识别功能、分类功能和排列功能。编码要能够被计算机识别;要具备适应组织变动、工艺改善、设计革新等变化的灵活性;编码完整性与编码级数和位数的平衡必须重点考虑。3船体零件编码体系基于现代造船模式的船体零件编码包含了工程编码、分段编码、组立类型代码、组立编码、零件分类代码、零件号和加工代码信息,其中工程编码4位,分段编码3位,组立类型代码1位,组立编码6位,零件分类代码1位,零件号3位,加工代码1位,编码位数共19位。编码结构方面,为避免编码级数过多,进行了适当的合并,其中组立阶段代码和组立编码并为一级,简称组立编码;零件分类代码、零件号和加工代码并为一级,简称零件号。由多级组立过程导致的编码级数过多问题,利用组立类型代码的衔接功能来解决,在编码结构中仅表示该零件所属的上一级组立编码。总体上该编码体系为四级编码结构,其一般结构形式见图2。图2基于现代造船模式船体零件编码3.1工程编码工程编码由四位阿拉伯数字组成,第一位数字表示船舶分类,第二位数字表示船舶分组,第三位和第四位数字表示船舶序号,其一般结构形式见图3。图3工程编码图4分段编码3.2分段编码分段编码,一种是英文字母和阿拉伯数字,另外一种是三位数字,均包括分段区域、位置和序号。其中纯数字定义较为科学,信息处理方便,其一般结构形式见图4。3.2.1分段区域代码船体结构通常划分为艉部、机舱、上层建筑、货舱双层底、货舱舷侧、货舱横舱壁、货舱纵舱壁、货舱甲板和艏部。据此,分段区域代码定义见表1。表1分段区域代码表代码分段区域代码分段区域1艉机舱、艉部6货舱舷侧2货舱双层底7货舱纵舱壁3备用部分8艏机舱、艏部4货舱横舱壁...

1、当您付费下载文档后,您只拥有了使用权限,并不意味着购买了版权,文档只能用于自身使用,不得用于其他商业用途(如 [转卖]进行直接盈利或[编辑后售卖]进行间接盈利)。
2、本站所有内容均由合作方或网友上传,本站不对文档的完整性、权威性及其观点立场正确性做任何保证或承诺!文档内容仅供研究参考,付费前请自行鉴别。
3、如文档内容存在违规,或者侵犯商业秘密、侵犯著作权等,请点击“违规举报”。

碎片内容

基于现代造船模式的船体零件编码研究和应用_上海造船2006(4)

您可能关注的文档

确认删除?
VIP
微信客服
  • 扫码咨询
会员Q群
  • 会员专属群点击这里加入QQ群
客服邮箱
回到顶部