电脑桌面
添加小米粒文库到电脑桌面
安装后可以在桌面快捷访问

莫桑比克矿产资源开发与投资趋势VIP免费

莫桑比克矿产资源开发与投资趋势_第1页
1/9
莫桑比克矿产资源开发与投资趋势_第2页
2/9
莫桑比克矿产资源开发与投资趋势_第3页
3/9
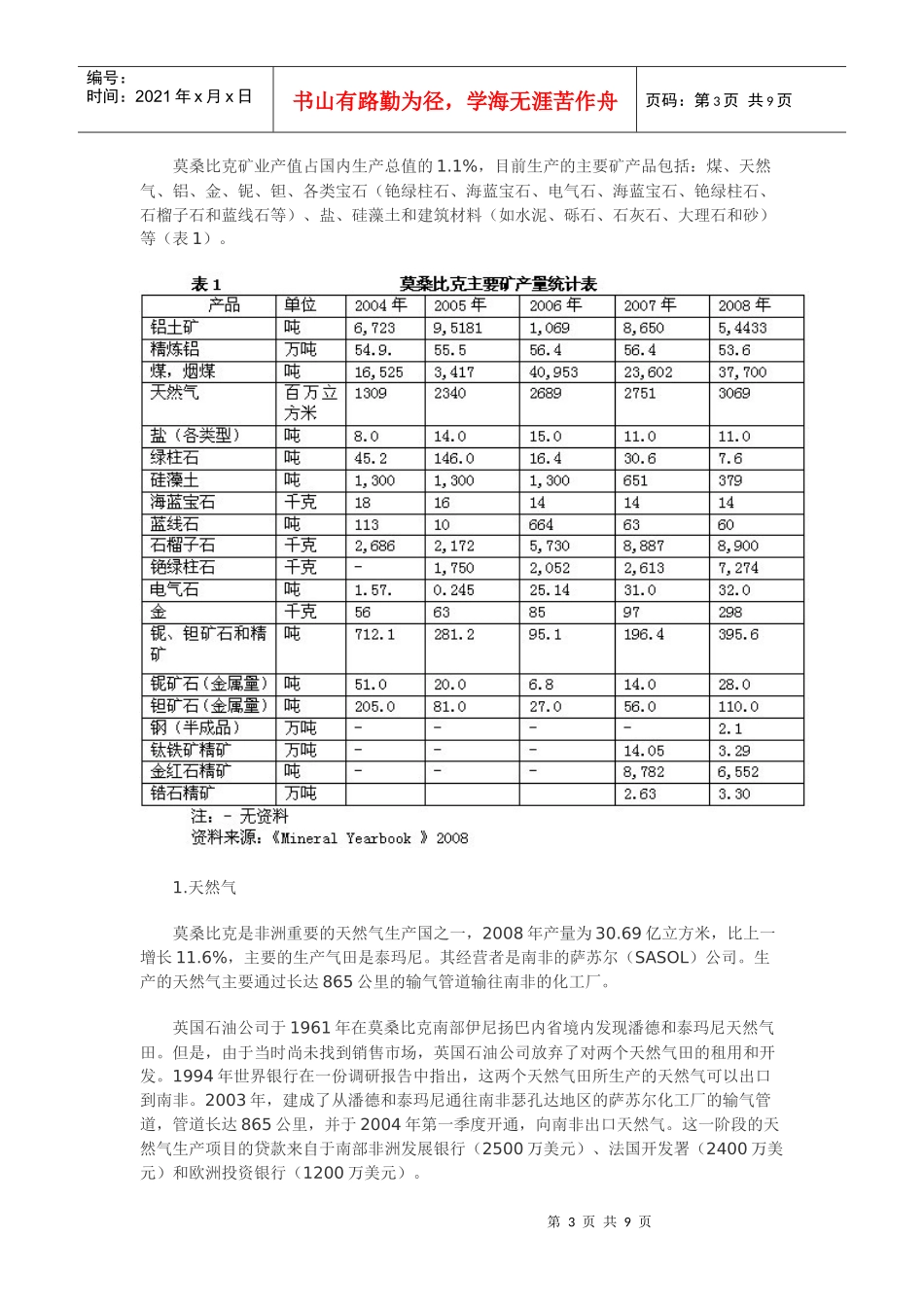
第1页共9页编号:时间:2021年x月x日书山有路勤为径,学海无涯苦作舟页码:第1页共9页莫桑比克矿产资源开发与投资趋势莫桑比克共和国位于非洲东南部,是联合国宣布的世界最不发达国家和重债穷国。但该国拥有丰富的矿产资源,其中钛资源在世界上占有重要地位。该国独立后因受连年内战、自然灾害等因素的影响,经济长期困难。1992年实现和平以来,政府大力调整经济结构,改善投资环境,引进外资,加快基础设施建设,经济恢复性增长较快,年均增长率接近10%。近几年来,莫政府通过加大基础设施投入,改善投资环境,鼓励开发能源、矿产、农林渔业等资源,特别是油气、煤炭和金属等矿产资源,保持了经济平稳增长。2009年国内生产总值103亿美元,比上一增长率6.0%。人均国内生产总值为881美元。一、地质简况莫桑比克境内三分之二为前寒武纪地层覆盖,三分之一是显生宙地层。寒武纪地层主要为太古代到上元古代火成岩和变质岩;显生宙地层包括卡罗超群(Karoo)、侏罗纪、白垩纪、第三纪和第四纪沉积岩和相关火成岩。总体上,老岩层分布在北部和西部,侏罗纪和更新世岩层分布在赞比西(Zambezi)峡谷以南和东北部。莫桑比克的前寒武纪地区可分红三大构造单元。①太古代和早中元古代地层出露在津巴布韦边界四周,是津巴布韦绿岩带、津巴布韦花岗片麻岩克拉通地盾和Barue花岗岩类、片麻岩类和混合岩杂岩的延伸部分。②前寒武纪地层,可细分为两个带,一为Irumide带,另一为莫桑比克带。中元古代(1800~950Ma)的Irumide带位于莫桑比克的西北部。年轻的莫桑比克带(1100~850Ma)广泛分布在全国各地。③泛非构造带(800~410Ma),以卡丹(Katanguian)造山运动的岩石为代表,并有花岗岩和伟晶岩侵入。显生宙地层代表石炭纪-晚侏罗世时期的裂谷作用,伴有沉积岩和广泛的火成岩活动。在三个主要沉积盆地中,克拉通内的盆地发育有卡罗超群(Karoo)和后卡罗超群(Post-Karoo)的陆相沉积和火山岩;在海岸盆地中发育有中新生代陆相沉积和海洋沉积。卡罗岩系则以发育含煤沉积为代表。二、矿产资源储量与分布莫桑比克的重要矿产有:金、钛、钽、铌、铝、铜、铁、金刚石、各类宝石(海蓝宝石、蓝线石、电气石、石榴子石和铯绿柱石等)、硅藻土、盐、石墨、煤、天然气、石油和铀等。1.金莫桑比克的金矿资源主要产在太古代和早元古代绿岩带中,产在太古代绿岩带中的金主要分布在和津巴布韦交界的地区,其中马尼卡省较为集中,估计金储量超过53吨;产在早元古代绿岩带中的金主要分布在西北部的尼亚萨省。2.钛铁矿和金红石第2页共9页第1页共9页编号:时间:2021年x月x日书山有路勤为径,学海无涯苦作舟页码:第2页共9页2008年钛铁矿储量(TiO2)为1600万吨(储量基础2100万吨),占世界总量的2.4%,列世界第8位。金红石储量48万吨(储量基础57万吨),占世界总量的1.1%。钛矿主要分布在东部沿海地区的赞比西亚省和楠普拉省,最重要的矿床之一是楠普拉省的莫马矿床,估计钛铁矿的矿石总储量超过6亿吨。3.铌、钽莫桑比克是世界上重要的铌钽资源国之一,钽铁矿储量约750万吨,主要分布在赞比西亚省。钽铌产在与伟晶岩有关的地质体中,具很好矿物分带的伟晶岩常含有钽和少量的铌。4.铁铁矿资源主要颁分布在中西部的太特省和中东部的楠普拉省。太特省的2个磁铁矿-钛铁矿区(Singore和GrupoMassamba)铁矿资源量估计超过5亿吨。2006年进行的一项地质研究表明,莫桑比克中东部的楠普省埃拉蒂拥有储量6000万吨的铁矿,并被认为是具有工业开采价值的。5.金刚石金刚石主要分布在加扎省的Mapai-Massingir地区和太特省的Doa地区,已经发现的矿床主要为砂矿,此外,在该国北部的Maniamba盆地以及南部的马普托和加扎省有迹象显示原生金伯利岩的存在。6.石油和天然气莫桑比克天然气资源丰富,2008年天然气剩余可采储量为1274.27亿立方米,在非洲居第6位。主要分布在东部省份及沿海地区。陆上天然气主要分布在三个油气田中,潘德(Pande)气田的储量估计超过2.1万亿立方英尺(约合594.3亿立方米),泰玛尼(Temane)气田约有储量1.0万亿立方英尺(约合283亿立方米),Buzi气田的可采储量在100亿立方英尺水平范围内...

1、当您付费下载文档后,您只拥有了使用权限,并不意味着购买了版权,文档只能用于自身使用,不得用于其他商业用途(如 [转卖]进行直接盈利或[编辑后售卖]进行间接盈利)。
2、本站所有内容均由合作方或网友上传,本站不对文档的完整性、权威性及其观点立场正确性做任何保证或承诺!文档内容仅供研究参考,付费前请自行鉴别。
3、如文档内容存在违规,或者侵犯商业秘密、侵犯著作权等,请点击“违规举报”。

碎片内容

莫桑比克矿产资源开发与投资趋势

您可能关注的文档

确认删除?
VIP
微信客服
  • 扫码咨询
会员Q群
  • 会员专属群点击这里加入QQ群
客服邮箱
回到顶部