电脑桌面
添加小米粒文库到电脑桌面
安装后可以在桌面快捷访问

进口废五金电器、废电线电缆和废电机定点加工利用企业环保验收考核VIP免费

进口废五金电器、废电线电缆和废电机定点加工利用企业环保验收考核_第1页
1/12
进口废五金电器、废电线电缆和废电机定点加工利用企业环保验收考核_第2页
2/12
进口废五金电器、废电线电缆和废电机定点加工利用企业环保验收考核_第3页
3/12
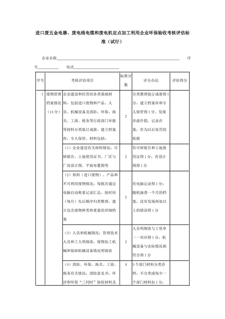
进口废五金电器、废电线电缆和废电机定点加工利用企业环保验收考核评估标准(试行)企业名称序号电话序号考核评估项目标准分数评分办法评估得分1废物管理档案情况(14分)企业建设和经营的各类基础材料,包括进口废物和产品、人员、机械设备及消防、环保、海关、工商、税务等行政部门审批等材料分类装订成册,建立档案库,专人保管。材料包括:2分类整理装订成册得1分,建立档案库和专人保管得1分。发现弄虚作假,记录在案,作为以后处罚的依据(1)企业建设有关材料情况:可研报告、土地使用证书、厂区与厂房设计图、平面布置图等2有可研报告和土地使用证得1分,有设计图得1分(2)原料(进口废物)、产品和不可利用废物情况:每批次通过电脑自动称重记录汇总,按时间(每月)先后顺序归类整理,建立包含废物种类和重量的详细档案2有电脑记录得1分;随机抽查一个月的档案,没有发现两处以上的错误得1分(3)人员和机械情况:管理技术人员和工人明细表,废物加工机械和装卸机械设备情况明细表2人员明细表与工资单一一对应得1分,机械设备与实际情况相符合得1分(4)消防、环保、海关、工商、税务有关情况:消防意见书,环评和环保“三同时”验收材料及45个部门材料分类存档,不分类或每少一个部门材料扣1分,不可利用废物的流向合同和每次记录,海关税单、报关单及国家环保总局核发的海关检核销登记记录,有效的工商登记证、组织机构代码及税务登记证正本与副本。扣完为止(5)企业与国外供货商签定的进口废物合同一览表2有合法合同得2分2现场检查进口废物的原料、产品与不可利用废物有关情况(23分)。1、每批(次)废物由检验检疫部门出具的进口废物检验合格证明2证明材料不齐扣1分,无证明材料扣2分2、现场检查进口废物,没有发现危险废物、生活垃圾及不允许进口的电子电器2发现有意进口其中之一的任何一种不得分3、现场库存原料、产品和不可利用废物重量之和不低于申请批文的批准数量3%4发现废物和产品总量少于批准数量1%或工厂生产不正常,必须扣完4分,并记录在案4、露天堆放的原料必须有塑料薄膜覆盖,不可利用废物进仓库堆放2不符合要求不得分,原料不露天堆放加1分5、进口废物原料整齐分类堆放,有清晰标示牌2不符合要求不得分6、必须配备量程30吨以上的电子地磅,并与电脑联网,每批次进口废物进出厂房必须详细记录,并打印8有与电脑联网的电子地磅得3分,记录不清楚扣4分7、每批次产品和不可利用废物通2有称重得1分,有合过称重,自动打印,并有详细的记录,其去向必须与合法单位签定合同同得1分8、废物拆解工作不得露天进行1发现露天拆解不得分3生产厂区情况(18分)1、厂址经环评论证,选址合理2未经过环境影响评价,报批验收不通过,并记录在案,不得分2、厂区布局合理,厂容厂貌整洁,整齐有序;厂办公楼必须是永久建筑,不得为临时建筑。厂房为4米以上的钢架或混凝土结构或砖木结构,厂房面积不少于厂区面积25%3发现为临时建筑扣2分,厂房面积少于厂区面积25%扣1分3、各车间必须有平面布置图,图纸必须是电脑制图,不是草图1不符合要求不得分4、厂门口必须悬挂规范的厂牌,所有车间分为原料车间、加工车间、成品或半成品车间、不可利用废物车间,各车间必须有规范标示牌2有厂牌和标示牌的得1分,有分区(车间)得1分5、所有车间必须防风、防雨、防火,经消防部门验收,达到有关标准2不符合要求不得分6、厂区面积与进口量相适应,面积在8000平方米以上;厂区面积为围墙内实测面积,国土证标明的面积可作参考6低于8000平方米的扣6分,少于6000平方米验收不通过7、厂区空地可满足货柜车掉头和1不符合要求不得分装卸货物8、拆解场地硬底化,无明显破损现象;围墙完好,围墙周边无明显污染迹象1有部分拆解场地未硬底化或围墙未全部围住分别扣0.5分4管理人员和工人基本情况(9分)1、技术工人必须有劳动等部门培训的上岗证或本单位的培训计划(时间、地点、培训内容、教材等)2有上岗证得1分,有培训计划得1分2、计算每个熟练工人每天拆解某种特定废物最大量,作为核定批文批准数量的参考依据,批准量每万吨废五金的操作和管理人员不得少于60人4核查工资单等记录,每万吨...

1、当您付费下载文档后,您只拥有了使用权限,并不意味着购买了版权,文档只能用于自身使用,不得用于其他商业用途(如 [转卖]进行直接盈利或[编辑后售卖]进行间接盈利)。
2、本站所有内容均由合作方或网友上传,本站不对文档的完整性、权威性及其观点立场正确性做任何保证或承诺!文档内容仅供研究参考,付费前请自行鉴别。
3、如文档内容存在违规,或者侵犯商业秘密、侵犯著作权等,请点击“违规举报”。

碎片内容

进口废五金电器、废电线电缆和废电机定点加工利用企业环保验收考核

精品中小学资料+ 关注
实名认证
内容提供者

精品文档

确认删除?
VIP
微信客服
  • 扫码咨询
会员Q群
  • 会员专属群点击这里加入QQ群
客服邮箱
回到顶部