电脑桌面
添加小米粒文库到电脑桌面
安装后可以在桌面快捷访问

用CPLD和Flash实现FPGA配置VIP免费

用CPLD和Flash实现FPGA配置_第1页
1/6
用CPLD和Flash实现FPGA配置_第2页
2/6
用CPLD和Flash实现FPGA配置_第3页
3/6
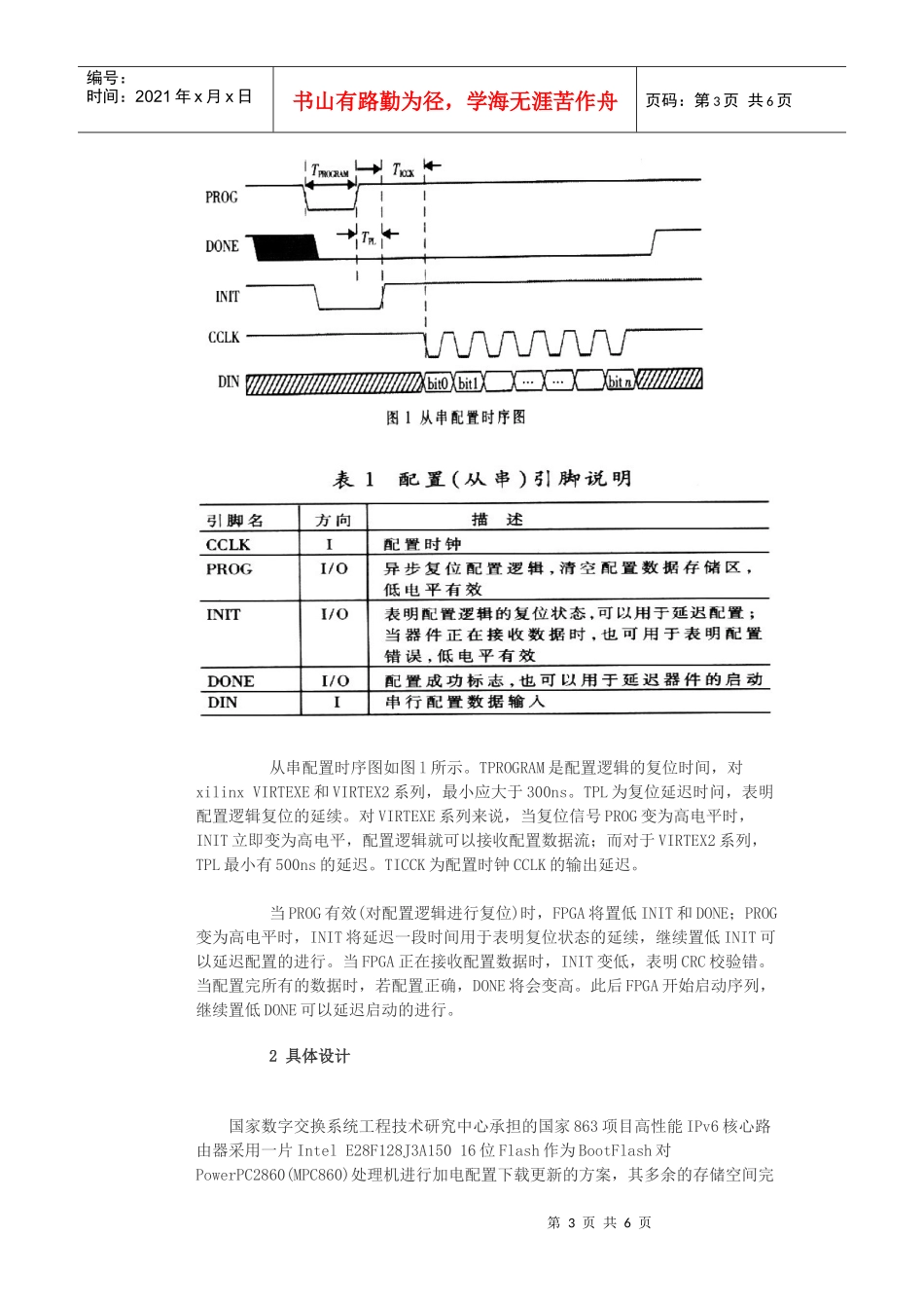
第1页共6页编号:时间:2021年x月x日书山有路勤为径,学海无涯苦作舟页码:第1页共6页用CPLD和Flash实现FPGA配置【进入博客】【进入论坛】更新时间:2009年01月10日浏览次数:3作者:来源:FPGA可以通过串行接口进行配置。本文对传统的配置方法进行了研究,并从更新配置文件的方法入手,提出了利用处理机通过网络更新的方法,给出了一个用CPLD和Flash对FPGA进行配置的应用实例。电子设计自动化EDA(ElectronicDesignAutomation)是指以计算机为工作平台,以EDA软件为开发环境,以硬件描述语言为设计语言,以可编程逻辑器件PLD为实验载体(包括CPLD、FPGA、EPLD等),以集成电路芯片为目标器件的电子产品自动化设计过程。该过程目前已广泛应用于电子电路与系统的设计和产品的开发中.逐渐取代了传统的手工硬件电路设计方式。设计的系统具有体积小、重量轻、功耗小、速度快、价格低、可靠性高、设计周期短等优点。一个功能完备的EDA设计软件加上一片普通功能的可编程逻辑芯片就可以构成以前需几百个集成电路才能构成的电子系统。目前常用的可编程逻辑器件有CPLD(ComplexProgrammableLogicDevice,复杂可编程逻辑器件)和FPGA(FieldProgrammableGateArray,现场可编程门阵列)。常用的EDA软件包括VHDL、VerilogHDL、ABEL等硬件描述语言。其中,VHDL作为IEEE的工业标准硬件描述语言,受到众多EDA工具厂家的支持,在电子工程领域,已成为事实上的通用硬件描述语言。Xilinx公司和Ahera公司的FPGA可编程部分的物理实现方式为RAM。它最大的优点是可以多次重复编翟,缺点是易失性。因此每次上电后,处理机都需要将用户设计的FPGA配置文件从外部存储器中下载到FPGA中。从外部存储器将FPGA配置文件下载更新的方式有以下三种:(1)JTAG口下载方式将配置文件放到一台主机中,主机通过专用线与单板上的JTAG口硬件相连接。在这种方式下每次下载都需要硬件操作,因此只适用于开发、调试阶段,设备在现场工作时就不能再使用这种方式。(2)片外串行PROM下载方式第2页共6页第1页共6页编号:时间:2021年x月x日书山有路勤为径,学海无涯苦作舟页码:第2页共6页在每片FPGA周围放置一片或几片(由FPGA容量决定)串行PROM,在系统上电时,自动将FPGA配置文件从PROM下载到FPGA中。此方式也是Xilinx、A1tera等公司重点介绍的方式,适用于比较稳定的系统。但随着FPGA芯片密度的增加,串行PROM已不能适应大容量、高密度的FPGA的配置。而大容量的并行PROM所要求的寻址方式又不能直接与FPGA接口。当系统中的FPGA配置文件需要升级更新时,必须将机箱打开,通过JTAG口首先将.PROM中的配置文件更新,然后再重新启动系统,将更新后的配置文件从PROM下载到FPGA中,这样才能完成一次FPGA配置文件的更新。以上两种方案都存在必须进行硬件操作(将机箱打开,使用主机通过JTAG口)的缺点,在主机上必须安装专业软件才能完成FPGA配置文件的更新。(3)处理机控制Flash下载方式本文根据Xilinx、Altra公司手册及以前的工作经验,提出和完成了一种新的FPGA配置文件下载更新的方式。这种方式适用于支持网络通信的系统中。在每次系统启动时。由处理机从Flash中读出FPGA配置文件,再下载到FPGA中。即当需要升级更新FPGA配置文件时,通过网络将配置文件发送给处理机,由处理机更新系统中的Flash。当Flash内容更新后,再由处理机控制将配置文件自动下载到FPGA中。这样在不需要任何硬件动作和专业软件的情况下,只需要进行常规软件操作就可以更新FPGA的配置文件。但由于Flash是并行数据线,需要通过一片CPLD将从Flash中读来的数据转换成串行数据输出到FPGA。1FPGA下载配置模式FPGA配置文件的下载模式有五种:主串模式(masterserial)、从串模式(slaveserial)、主并模式(masterselectMAP)、从并模式(slaveselectMAP)及JTAG模式。其中,JTAG模式在开发调试阶段使用。为了便于开发设计阶段的调试,本核心路由器设计将JTAG口直接做在信号处理板上。主、从模式的最大区别在于:主模式的下载同步时钟(CCLK)由FPGA提供;从模式的下载同步时钟(CCLK)由外部时钟源或者外部控制信号提供。主模式对下载时序的要求比从模式严格得多。因此从处理机易于控制下载过...

1、当您付费下载文档后,您只拥有了使用权限,并不意味着购买了版权,文档只能用于自身使用,不得用于其他商业用途(如 [转卖]进行直接盈利或[编辑后售卖]进行间接盈利)。
2、本站所有内容均由合作方或网友上传,本站不对文档的完整性、权威性及其观点立场正确性做任何保证或承诺!文档内容仅供研究参考,付费前请自行鉴别。
3、如文档内容存在违规,或者侵犯商业秘密、侵犯著作权等,请点击“违规举报”。

碎片内容

用CPLD和Flash实现FPGA配置

您可能关注的文档

确认删除?
VIP
微信客服
  • 扫码咨询
会员Q群
  • 会员专属群点击这里加入QQ群
客服邮箱
回到顶部